Foram encontradas 50 questões.
- EletrotécnicaCircuitos Elétricos em Eletricidade
- EletrotécnicaCircuitos de Corrente Contínua e de Corrente Alternada
Seja o sistema trifásico equilibrado da figura
a seguir com z =100 ∠ 60° Ω. Considerando-se
a sequência de fases ABC e a tensão de
linha
como referência angular, a corrente
de fase
será igual a

como referência angular, a corrente
de fase
será igual a

Provas
Questão presente nas seguintes provas
Caso a tela de um osciloscópio indicasse um sinal senoidal de tensão, similar ao da figura a seguir,
com tensão de pico a pico de 20 V, seria correto afirmar que o valor correspondente da tensão alternada,
lida no multímetro, seria aproximadamente igual a


Provas
Questão presente nas seguintes provas
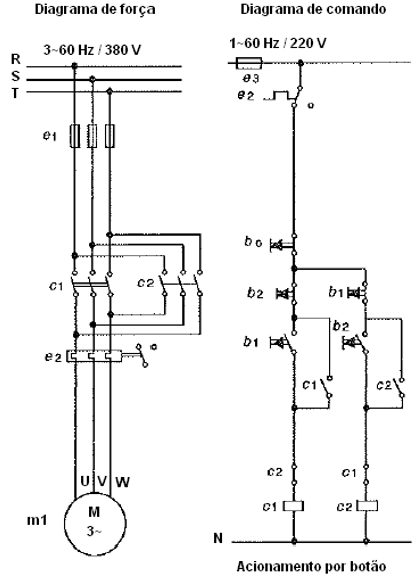
Analise os diagramas elétricos de força e de comando das figuras a seguir e assinale a alternativa correta.

Provas
Questão presente nas seguintes provas
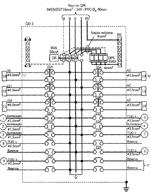
Da figura a seguir, a qual ilustra o esquema multifilar do quadro de distribuição de uma instalação
elétrica, é correto afirmar que


Provas
Questão presente nas seguintes provas
Suponha que em um eletroduto esteja passando dois condutores de fase de circuitos distintos com
áreas seção transversal de 25 mm2
e 50 mm2
e mais um condutor de proteção. Sabe-se que o condutor
de proteção é comum aos dois circuitos presentes nesse eletroduto. Sendo todos os condutores de
um mesmo tipo de metal, analisando-se a tabela a seguir, é correto afirmar que a seção mínima do
condutor de proteção será igual a


Provas
Questão presente nas seguintes provas
Sendo Φ = 10.000 lm, analisando-se a curva de distribuição luminosa da figura a seguir, é correto
afirmar que a intensidade luminosa de tal lâmpada a 0° é igual a


Provas
Questão presente nas seguintes provas
Um determinado trecho da instalação é composto por um eletroduto que possui em seu interior dois
condutores de 2,5 mm2, um condutor de 4 mm2
e um condutor de 6 mm2. Analisando-se a tabela a
seguir, é correto afirmar que o tamanho nominal do eletroduto será de


Provas
Questão presente nas seguintes provas
A figura a seguir ilustra a simbologia elétrica de um(a)

Provas
Questão presente nas seguintes provas
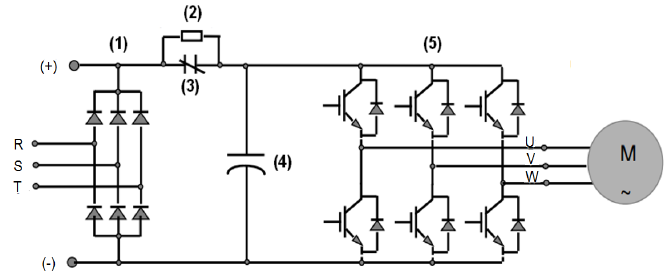
A figura a seguir ilustra o diagrama em blocos de um inversor de frequência genérico. Nesse contexto,
assinale a alternativa correta.


Provas
Questão presente nas seguintes provas
A figura a seguir ilustra uma malha de controle de pressão de uma adutora de água tratada. Caso o
transmissor de pressão (composto pelo sensor de pressão) tenha um Range: -0,25 a 2,5 kgf/cm2
e
saída analógica de 4 a 20mA, o valor medido da corrente de saída do transmissor de pressão, quando
a pressão for de 1,0 kgf/cm2, será, aproximadamente, igual a


Provas
Questão presente nas seguintes provas
Cadernos
Caderno Container