Foram encontradas 50 questões.
Um sistema analógico com uma entrada e uma saída, no domínio do tempo, é caracterizado pelas seguintes equações diferenciais:
e pela equação de saída 
Assinale a opção que corresponde à função de transferência desse sistema, considerando que s seja o operador da transformada de Laplace.
Provas
Em um relatório de auditoria cujo objetivo seja verificar aspectos de conservação de energia em uma instituição ou em uma empresa, a ferramenta para representar os fluxos energéticos, desde sua entrada, até os usos finais, caracterizando as várias transformações intermediárias e as perdas associadas, é conhecida como
Provas
Um sinal de comunicação, para chegar ao receptor, percorre determinado trajeto, entre os vários possíveis. As rotas podem ser simuladas por meio de um circuito com chaves de dois estados, como mostra a figura seguinte. A comunicação por uma chave somente é possível quando esta se encontra na posição fechada.

Considerando que o estado de cada chave é variável lógica, a função lógica que indica o estado do sistema de transmissão relativo a todas as opções de trajetos, o qual permitirá, ou não, a comunicação entre emissor e receptor, é representada por
Provas
Considerando que o acionamento de determinado mecanismo dependa do valor lógico assumido pela variável S no circuito lógico acima ilustrado; que o sinal de saída, por sua vez, dependa de três entradas lógicas A, B e C, conforme mostrado nesse circuito lógico; e que o mecanismo seja acionado sempre que S estiver no nível 1 e desligado quando a variável estiver em zero, é correto afirmar que o mecanismo será acionado somente quando as variáveis de entrada A, B e C assumirem, respectivamente, os valores
Provas
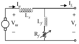
Considerando que uma aplicação requeira o uso específico de um gerador CC ligado como composto em derivação curta, assinale a opção que corresponde ao esquema de circuito elétrico esperado nessa aplicação (desconsidere o efeito do enrolamento da armadura do gerador).
Provas
Um transformador monofásico, com relação de tensão 100/1.000 V, potência nominal igual a 50 kVA, foi submetido aos ensaios de curto-circuito e a vazio para avaliação de seus parâmetros e da perda ativa para a situação de carga nominal. Alguns procedimentos e resultados desses ensaios são apresentados a seguir.
< ensaio a vazio — realizado no lado de baixa tensão — serviu para efetuar medidas e, a partir destas, foi calculada a resistência que representa as perdas no ferro, cujo valor foi de 1.000 Ω.
< ensaio em curto-circuito — realizado no lado de alta tensão — as medidas foram utilizadas para calcular os parâmetros equivalentes referentes à reatância de dispersão e à resistência dos enrolamentos, sendo que a medida deste último parâmetro foi igual a 0,1Ω.
Considerando as informações acima, assinale a opção que apresenta aproximação das perdas ativas do transformador, em W, na situação de funcionamento com corrente e carga nominais.
Provas
Assinale a opção que indica o nome de uma máquina síncrona.
Provas
Na figura acima, que ilustra a configuração de barra típica de uma subestação de um sistema elétrico de potência, o arranjo mostrado é conhecido como
Provas
Considerando que um transformador de potencial (TP) precise ser dimensionado para atender determinadas cargas para medição e que um outro TP deva ser dimensionado para atender a relés de proteção, assinale a opção correta.
Provas
A respeito das propriedades de material condutor e de material isolante, assinale a opção correta.
Provas
Caderno Container