Foram encontradas 50 questões.
Quando dois corpos carregados eletricamente com carga Q1 e Q2 são separadas por uma distância d, existe uma força de interação entre elas. Em relação ao disposto, assinale a alternativa correta.
Provas
Para realizar a medição de energia consumida e a demanda de um consumidor com demanda superior a 500 kVA, a concessionária estabelece em sua norma que a medição deve ser realizada de forma indireta.
1. A medição de energia deve ser realizada utilizando apenas transformador de corrente, instalada em caixa separada.
2. A medição de energia deve ser realizada e os medidores devem estar ligados nos secundários do transformador de corrente e transformador de potencial.
3. A ligação dos transformadores de corrente e de potencial aos medidores é realizada através de chave de aferição.
4. A chave de aferição curto-circuita os terminais do TP e abre os terminais do TC para se fazer a verificação dos elementos dos medidores.
Assinale a alternativa que indica todas as afirmativas corretas.
Provas
Uma unidade consumidora alimentada em alta tensão tem sua medição feita através de transformadores de potencial (TP) e transformador de corrente (TC). Se TP tem relação 13,8 kV/120 V e a relação de transformação do TC é 40/5 A e o medidor ligado aos secundários dos transformadores mede uma potência de 2000 W, qual a potência da carga?
Provas
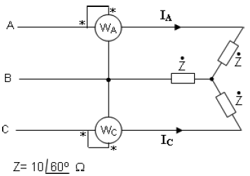
Um sistema trifásico 380 volts, sequência positiva, alimenta uma carga trifásica balanceada, conforme mostra o circuito a seguir.

Assinale a alternativa correta em relação ao circuito descrito.
Provas
Para redimensionar os materiais e equipamentos de um circuito, ou o alimentador de uma carga já existente, é necessário realizar o levantamento de carga.
Em relação ao disposto, assinale a alternativa correta.
Provas
Assinale a alternativa correta.
Provas
Um sistema trifásico a quatro condutores de sequência positiva, 220 volts de linha, alimenta uma carga balanceada ligada em estrela, com impedância 10 Ω e ângulo de 60°.
Em relação ao disposto, assinale a alternativa correta.
Provas
Uma carga resistiva ôhmica dissipa uma potência de 6000 watts quando alimentada por uma rede de 220 volts.
Assinale a alternativa que indica corretamente a potência dissipada pela mesma resistência quando for alimentada por uma rede de 127 volts.
Provas
Dado o circuito a seguir:

Determine a diferença de potencial entre os pontos A e B.
Dados:
| U1 = 10/60° (V) \( sen\,30^{ \circ} = { \large 1 \over 2} \) \( cos\,30^{ \circ} = { \large \sqrt{3} \over 2} \) \( sen\,53,13^{ \circ} =0,8 \) \( cos\,53,13^{ \circ} = 0,6 \) |
U2 = 10/–60° (V) \( sen 60^{ \circ} = { \large \sqrt{3} \over 2} \) \( cos\, 60^{ \circ} = { \large 1 \over 2} \) sen 63,43º = 0,89 cos 63,43º = 0,44 |
Provas
Uma carga composta por dois elementos puros possui uma resistência de 10 Ω, e a corrente está atrasada de 60° em relação à tensão.
Considere que a frequência da fonte de alimentação tem velocidade angular de 1000 rd/s (radianos por segundo).
Dados: \( cos\,\varphi = { \large 1 \over 2} \) e \( sen\,\varphi = { \large \sqrt{3} \over 2} \)
O elemento desconhecido é uma:
Provas
Caderno Container