Foram encontradas 50 questões.
Os religadores automáticos são equipamentos de interrupção da corrente elétrica dotados de uma determinada capacidade de repetição em operações de abertura e fechamento de circuitos durante a ocorrência de um defeito. Para instalação dos mesmos em um sistema, são estabelecidas algumas condições.
As seguintes condições estão corretas, EXCETO
Provas
As ligas metálicas resistivas têm uma resistividade elétrica variável entre 0,2 e 1,5 !$ Ω !$mm2/m devendo atender certas condições em função do seu emprego. Muitas vezes, a condição imposta é que a resistência se mantenha constante dentro de uma ampla faixa de variação de temperatura e que o coeficiente de temperatura seja praticamente igual a zero.
A esse respeito, é INCORRETO afirmar que
Provas
Os fenômenos que afetam a qualidade da energia elétrica podem ser considerados como distúrbios, e esses podem ter origem na energia elétrica entregue pela concessionária de energia, ou na rede interna de distribuição (incluindo equipamentos ali instalados) do próprio consumidor.
A esse respeito, é CORRETO, então, afirmar que
Provas
As atividades integrantes de um Estudo de Viabilidade de Aproveitamentos Hidrelétricos têm por objetivos abranger a totalidade dos trabalhos a serem desenvolvidos, devendo, portanto, servir de orientação para a elaboração da programação específica para cada caso. Caberá aos usuários adaptar a extensão e a profundidade das atividades à situação particular do aproveitamento a estudar no sentido de assegurar a qualidade dos estudos, minimizando os seus custos.
Desse modo, é CORRETO afirmar que
Provas
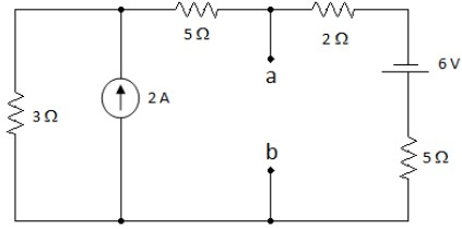
Analise o circuito abaixo.

O valor aproximado da resistência equivalente de Thevenin vista pelos terminais a-b é de
Provas
A Norma 5410 traz algumas prescrições que traduzem princípios básicos da equipotencialização aplicada à proteção, contra choques elétricos, apresentados de forma pontual. Em situações concretas, o atendimento de algum deles pode resultar automaticamente no atendimento de outro(s).
A esse respeito, analise as seguintes afirmativas e assinale a alternativa INCORRETA.
Provas
A Norma ND 5.3 – Fornecimento de Energia Elétrica em Média Tensão Rede de Distribuição Aérea ou Subterrânea – estabelece alguns critérios no que diz respeito aos equipamentos de medição, em que devem ser observadas algumas condições.
Em relação a essas condições, assinale a afirmativa INCORRETA.
Provas
A Norma ND- 5.2 Fornecimento de Energia Elétrica em Tensão Secundária Rede de Distribuição Aérea – Edificações Coletivas – estabelece alguns princípios na construção do Padrão de Entrada.
A esse respeito, analise as seguintes afirmativas e assinale com V as verdadeiras e com F as falsas.
( ) A instalação dos materiais que compõem o padrão de entrada, bem como as obras civis necessárias à sua construção, devem ser executadas pelos consumidores, de acordo com os requisitos estabelecidos na norma.
( ) No caso das edificações de uso coletivo com demanda superior a 327 kVA, todas as obras civis da câmara subterrânea e do aterramento elétrico (malha de aterramento) devem ser executadas pela CEMIG.
( ) O padrão de entrada construído em Área de Preservação Permanente (APP) somente poderá ser ligado com a apresentação de autorização do órgão ambiental.
( ) As marquises não devem exceder a 90 centímetros de profundidade quando da instalação de ramal de ligação aéreo.
( ) As conexões dentro das caixas de medição deverão ser isoladas por meio da aplicação de fitas autodifusão e isolante. Opcionalmente poderá ser utilizada massa para isolamento elétrico.
Assinale a alternativa que apresenta a sequência de letras CORRETA.
Provas
Segundo a Norma CEMIG ND-5.1 de Fornecimento de Energia Elétrica em Tensão Secundária Rede de Distribuição Aérea – Edificações Individuais –, são estabelecidas diretrizes no que diz respeito à instalação do condutor de aterramento.
Em relação a essas diretrizes, assinale a alternativa INCORRETA.
Provas
Segundo a NR 10, a segurança na construção, montagem, operação e manutenção de instalações elétricas e serviços com eletricidade deve obedecer alguns requisitos.
Em relação a esses requisitos, assinale a alternativa INCORRETA.
Provas
Caderno Container