Foram encontradas 50 questões.
Disciplina: Segurança e Saúde no Trabalho (SST)
Banca: FUNDEP
Orgão: CEMIG
Em um procedimento de manutenção corretiva, um transformador de potência deverá ser desativado para posterior substituição. De acordo com a norma NR-10, o procedimento CORRETO em relação a esse transformador será
Provas
O dicionário da EAP é um documento gerado por meio do processo: Criar a EAP.
As seguintes alternativas apresentam informações contidas nesse documento, EXCETO
Provas
Analise as seguintes afirmativas sobre as funções da Agência Nacional de Energia Elétrica (ANEEL) e assinale com V as verdadeiras e com F as falsas.
( ) Regula e fiscaliza a geração, a distribuição e a comercialização de energia elétrica.
( ) Formula as políticas e garante os investimentos na expansão da oferta de energia elétrica.
( ) Media os conflitos entre os atores do setor elétrico brasileiro.
( ) Mantém o equilíbrio entre custos e a prestação de serviço de qualidade.
Assinale a alternativa que apresenta a sequência de letras CORRETA.
Provas
Os fusíveis são elementos inseridos nos circuitos elétricos para interrompê-los em situações anormais de corrente como curto-circuito ou sobrecargas.
Assim sendo, analise as seguintes afirmativas sobre fusíveis DIAZED assinalando com V as verdadeira e com F as falsas.
( ) Eles podem ser dos tipos de ação rápida ou retardada.
( ) Os de ação rápida são usados em circuitos com motores e capacitores.
( ) Os de ação retardada são usados em circuitos resistivos.
( ) Eles são construídos para valores de corrente no máximo de 100
A. Assinale a alternativa que apresenta a sequência de letras CORRETA.
Provas
Os relés de estado sólido têm características elétricas importantes tais como a velocidade de comutação e de isolamento.
Contudo, têm desvantagens. Uma desvantagem desse dispositivo é
Provas
Considere um gerador elétrico com as seguintes características: 24 polos; velocidade de 300 rpm; tensão induzida em cada espira de 17,5 Vpico.
Sabendo-se que cada bobina desse gerador tem 50 espiras, está CORRETO afirmar que a frequência da tensão gerada é igual a
Provas
Está INCORRETO afirmar que uma das características de um transformador considerado ideal é
Provas
Os sistemas de alimentação elétrica são classificados de acordo com a faixa de tensão com que operam.
Nesse contexto, um sistema de alimentação que opera com uma tensão de saída de 1.500 VCC será caracterizado como sendo de
Provas
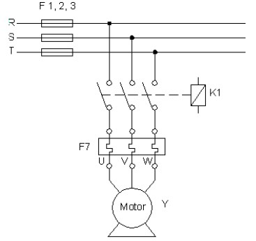
Analise a seguinte figura que apresenta o diagrama de ligação de um motor elétrico.

A proteção desse motor contra sobrecarga, falta de fase ou de tensão está implementada por meio do emprego de um
Provas
Erros são inerentes a todo tipo de medidas e podem ser minimizados, porém nunca completamente eliminados. Considere a utilização de instrumentos de ponteiros na realização de medidas de grandezas elétricas.
Em relação ao erro de paralax, está CORRETO afirmar que
Provas
Caderno Container