Foram encontradas 30 questões.
O cosseno de um ângulo em radianos pode ser calculado numericamente através da sua aproximação por série de Taylor:
!$ cos (x) = 1 - { \large X^2 \over 2!} + { \large X^4 \over 4!} - { \large X^6 \over 6!}+ { \large X^8 \over 8!} - \dots !$
Para calcular uma aproximação do cosseno de um ângulo x (em radianos), através da soma dos N primeiros termos da série de Taylor, pode-se fazer uso do seguinte programa, escrito em pseudocódigo:

O trecho de código adequado para preencher as linhas tracejadas acima é
Provas
Um engenheiro observou o diagrama de contatos programado em um CLP em linguagem ladder para o acionamento de um motor elétrico M, conforme apresentado na figura abaixo.

No entanto, esse engenheiro verificou que a mesma funcionalidade poderia ser desempenhada por um diagrama contendo um número menor de contatos. Esse diagrama é o apresentado em
Provas

Após a execução do programa acima, escrito em pseudocódigo, o valor armazenado nas variáveis x e y serão, respectivamente,
Provas
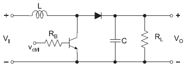
Na figura a seguir, é apresentado o circuito de um conversor boost, onde o transistor bipolar opera como uma chave. Considere que a operação desse conversor está em modo contínuo. Despreze as quedas de tensão no transistor e no diodo quando estes estiverem em condução e assuma que o capacitor C é grande o suficiente para tornar qualquer variação em VO desprezível.

Dessa forma, para que a tensão na saída VO seja igual a quatro vezes o valor da tensão na entrada VI, o ciclo de trabalho (duty cicle) da tensão de controle vctrl que aciona o transistor deverá ser de
Provas
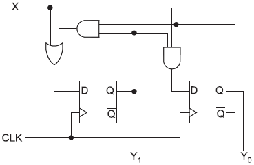
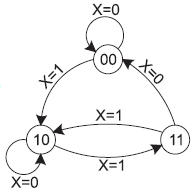
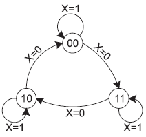
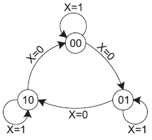
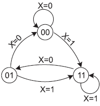
A figura abaixo apresenta o diagrama esquemático de um circuito digital sequencial que recebe como entrada o sinal X.

Considerando-se que o estado inicial das saídas dos flip-flops é Y1Y0 = 00, o diagrama de estados que representa o funcionamento desse circuito é dado por
Provas
O circuito da figura abaixo representa um retificador de meia-onda, controlado a tiristor (SCR), alimentando uma carga constituída por um resistor R em série com um indutor L.

Levando em conta que o circuito está operando em modo descontínuo e que o pulso de disparo do tiristor aplicado à porta (gate) apresenta uma duração desprezível em comparação com o período da tensão na entrada VS, considere as afirmativas abaixo.
I – No instante em que VS = 0, o tiristor corta e só volta a conduzir corrente novamente quando um novo pulso de disparo for aplicado ao seu terminal de porta (gate).
II – Quando o tiristor corta, a presença do indutor L no circuito faz com que a tensão na saída VO, sobre o resistor R, inverta a sua polaridade imediatamente.
III – Diferentemente de um retificador com carga puramente resistiva, o nível médio de tensão na saída VO do circuito acima é dependente da carga.
É correto o que se afirma em
Provas

Qual dos seguintes circuitos lógicos combinacionais realiza a função lógica representada pelo Mapa de Karnaugh acima?
Dado: Considere que o X representa um nível lógico irrelevante.
Provas
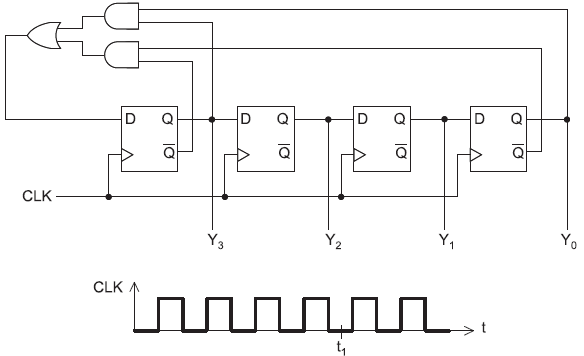
Abaixo, tem-se o circuito de um registrador de deslocamento de quatro bits, construído com flip-flops tipo D.

Considerando-se que o registrador de deslocamento inicia sua operação com Y3Y2Y1Y0 = 0000 em t = 0, as saídas Y3Y2Y1Y0 que esse circuito irá apresentar em t = t1 serão, respectivamente,
Provas

No circuito acima, o amplificador operacional é ideal, e os resistores e capacitores estão com seus valores normalizados. Dessa forma, a função de transferência !$ { \large V_o \over V_i} (S) !$ é dada por
Provas
A respeito dos protocolos da camada de aplicação da arquitetura TCP/IP, considere as afirmativas abaixo.
I – O protocolo DHCP é utilizado para atribuir automaticamente um endereço IP a cada computador conectado a uma rede, evitando endereços duplicados.
II – O protocolo POP3, assim como o IMAP, é utilizado para resgatar mensagens de correio eletrônico armazenadas em um servidor remoto.
III – O envio de mensagens de correio eletrônico é controlado pelos protocolos SMTP ou FTP.
Está correto o que se afirma em
Provas
Caderno Container