Foram encontradas 50 questões.
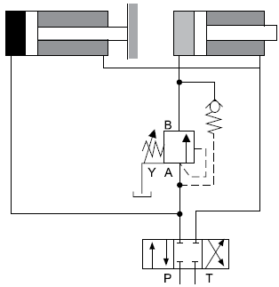
Considere a figura:

A figura representa o sistema hidráulico denominado circuito
Provas
Considere a figura:

A válvula apresentada na figura é denominada válvula tipo
Provas
Analise a imagem:

Essa imagem representa um sistema de engrenagens denominado engrenagens cônicas com dentes
Provas
A figura exibida a seguir consta de uma planilha criada no MS-Excel 2010. Nas células B9 e B10 dessa planilha, foram inseridas, respectivamente, as fórmulas =MÁXIMO(A1:A7) e =SOMA(A1:A7).

Os resultados obtidos nas células B9 e B10 decorrentes da inserção dessas duas fórmulas são, respectivamente:
Provas
Assinale a alternativa que apresenta fatores que podem levar à baixa pressão de óleo do motor ciclo Diesel
Provas
Quanto aos sistemas de lubrificação de máquinas, é correto afirmar que os mais comuns são por
Provas
Considerando os elementos de máquinas, podemos citar 3 tipos básicos de arruelas:
Provas
No programa AutoCAD, o comando ilustrado a seguir é usado para mover figuras.

Esse comando é denominado de
Provas
No programa AutoCAD, o comando ilustrado a seguir é usado para apagar linhas que se cruzam.

Esse comando é denominado
Provas
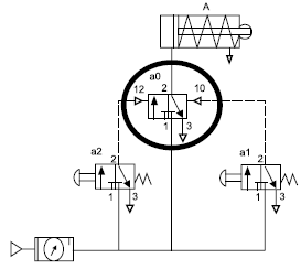
Analise a figura:

A figura representa o sistema pneumático duplo piloto positivo, no qual encontramos a válvula em destaque, que é chamada de
Provas
Caderno Container