Foram encontradas 40 questões.
Segundo a NBR-5410, existem várias maneiras de instalação de condutores. A capacidade de condução de corrente dos condutores depende da forma com que este foi instalado. Os métodos de referência são os métodos de instalação, indicados na Norma IEC 60364-5-52, para os quais a capacidade de condução de corrente foi determinada por ensaio ou por cálculo. Estes são:
• A1: condutores isolados em eletroduto de seção circular embutido em parede termicamente isolante.
• A2: cabo multipolar em eletroduto de seção circular embutido em parede termicamente isolante.
• B1: condutores isolados em eletroduto de seção circular sobre parede de madeira.
• B2: cabo multipolar em eletroduto de seção circular sobre parede de madeira.
• C: cabos unipolares ou cabo multipolar sobre parede de madeira.
• D: cabo multipolar em eletroduto enterrado no solo.
• E: cabo multipolar ao ar livre.
• F: cabos unipolares justapostos (na horizontal, na vertical ou em trifólio) ao ar livre.
• G: cabos unipolares espaçados ao ar livre.
A seguir, observe algumas maneiras de instalar. À essas maneiras são associados métodos de referência. Assinale o INCORRETO:
Provas
Provas
Provas
Provas
Provas
Provas
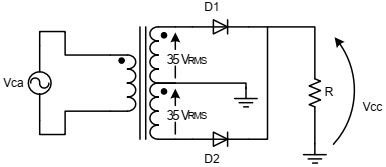
O valor aproximado da tensão contínua sobre a resistência de carga R do circuito abaixo é:
Dados:
• Considere desprezíveis as quedas de tensões sobre os diodos durante a condução.
• √2 = 1,41
• π = 3,14

Provas
Provas
Determine o valor do resistor variável RL que garante a máxima transferência de potência da fonte para a carga e assinale o valor da potência entregue a este resistor para este caso:

Provas
Provas
Caderno Container