Foram encontradas 50 questões.
Provas
Provas
Provas
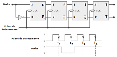
A figura a seguir mostra uma transferência serial de dados por meio de um registrador de deslocamento.

Assinale a opção que indica o diagrama de tempo para a saída S.
Provas
Considere o circuito a seguir.

Para as entradas A e B, respectivamente iguais a um e zero, a saída S será:
Provas
A figura a seguir apresenta um amplificador operacional com realimentação.

Assinale a opção que apresenta a função de transferência desse circuito.
Provas
A figura a seguir apresenta um amplificador operacional.

Assinale a opção que apresenta o gráfico da função de transferência desse circuito.
Provas
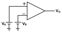
A figura a seguir apresenta um amplificador operacional básico. As tensões de entrada de VA e VB são iguais a respectivamente 4 e 4,03 mV.

Sabendo-se que o ganho desse amplificador é igual a 50.000, a saída será de
Provas
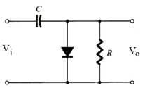
A figura a seguir apresenta um circuito grampeador.

Na entrada desse circuito é aplicado um sinal de onda quadrada Vi de amplitude igual a V.
A amplitude do sinal de saída Vo é de
Provas
A figura a seguir apresenta um circuito ceifador série com fonte.

Na entrada desse circuito é aplicado um sinal senoidal Vi de amplitude igual a 10 V. A amplitude do sinal de saída Vo é de
Provas
Caderno Container