Foram encontradas 105 questões.
Respondida
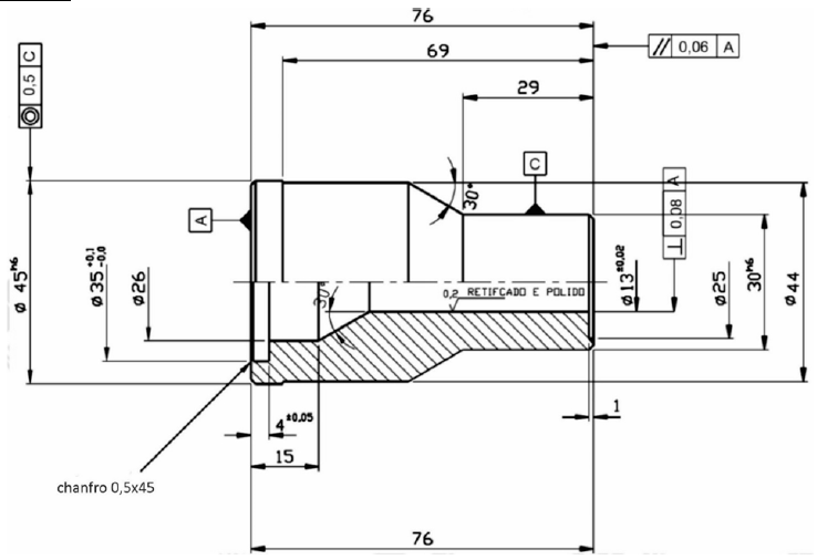
Com base na leitura e na interpretação do desenho técnico do componente de um projeto mecânico mostrado acima, assinale a alternativa correta .
Respondida
A respeito da ferramenta mostrada acima, assinale a alternativa correta .
Respondida
Assinale a alternativa que apresenta, correta e respectivamente, o nome da ferramenta mostrada acima e sua função.
Respondida
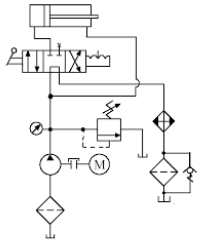
Quanto à operação do circuito hidráulico mostrado acima, em que a vazão da bomba QB é de 47,12 L/min. e o cilindro tem um diâmetro interno de 100 mm, assinale a alternativa correta.
A
A velocidade de avanço será de, aproximadamente, 0,1 m/s.
B
A velocidade de retorno será de, aproximadamente, 0,1 m/s.
C
A velocidade de avanço será de, aproximadamente, 0,2 m/s.
D
A velocidade de retorno será de, aproximadamente, 0,2 m/s.
E
A velocidade de avanço será de 0,15 m/s e a de retorno será de 0,30 m/s.
Respondida
No que se refere aos diferentes tipos, às características e às aplicações de bombas hidráulicas, assinale a alternativa correta .
Respondida
Analisando o circuito hidráulico da figura acima, assinale a alternativa correta .
Respondida
Considerando o circuito elétrico e o multímetro apresentados acima, assinale a alternativa correta quanto à medição da corrente total no circuito.
A
As pontas de teste devem ser acopladas aos conectores A e B, girando-se a chave seletora, no sentido anti-horário, até a posição 200 m.
B
As pontas de teste devem ser acopladas aos conectores A e B, girando-se a chave seletora, no sentido horário, até a posição 200 m.
C
As pontas de teste devem ser acopladas aos conectores B e C, girando-se a chave seletora, no sentido horário, até a posição 10.
D
As pontas de teste devem ser acopladas aos conectores B e C, girando-se a chave seletora, no sentido horário, até a posição 200 m.
E
As pontas de teste devem ser acopladas aos conectores A e C, girando-se a chave seletora, no sentido horário, até a posição 20 m.
Respondida
Em relação à manobra de Heimlich, assinale a alternativa correta .
Respondida
A Resolução n.º 84/2019 dispõe sobre o registro de pessoas jurídicas estatais, paraestatais, autárquicas e de economia mista e de seus responsáveis técnicos no SINCETI. No que concerne a esse tema, assinale a alternativa correta .
A
As pessoas jurídicas registradas, sempre que efetuarem alterações nos seus objetivos, no quadro técnico ou na atividade de seus profissionais, deverão, no prazo de trinta dias, efetuar o protocolo de alteração no SINCETI, sob pena de suspensão de suas atividades.
B
A responsabilidade técnica por qualquer atividade exercida no campo dos técnicos industriais é sempre do profissional dela encarregado, não podendo, em nenhuma hipótese, ser assumida pela pessoa jurídica.
C
O registro de pessoas jurídicas deverá ser mantido quando houver a baixa da responsabilidade técnica dos profissionais dela encarregados.
D
A responsabilidade técnica de qualquer profissional por pessoa jurídica ficará suspensa, pelo prazo de sessenta dias, quando for o profissional suspenso do exercício da profissão.
E
Os órgãos da administração direta, as autarquias e as fundações de direito público que tenham atividades no âmbito dos técnicos industriais ou se utilizem dos trabalhos dessa categoria farão o registro no SINCETI, com o pagamento de taxas de análise e de anuidades reduzidas pela metade.
Respondida
No Brasil, o registro dos técnicos industriais para habilitação ao exercício profissional em escolas de ensino técnico oficialmente reconhecidas pelo Poder Público será feito no Conselho Regional dos Técnicos Industriais da jurisdição do domicílio do profissional. Acerca dos procedimentos para registro de pessoas físicas nos Conselhos Regionais dos Técnicos Industriais, assinale a alternativa correta .