Magna Concursos

Foram encontradas 39 questões.

131060 Ano: 2019
Disciplina: Mecânica
Banca: IBADE
Orgão: DEPASA-AC
O torno mecânico é uma máquina muito versátil, utilizada tanto na confecção quanto no acabamento de peças variadas. Esta máquina possibilita à usinagem de qualquer objeto mecânico que possa ser usado pelo ser humano, como por exemplo, transformar o ferro bruto em peças e materiais. Geralmente, o profissional desta área trabalho em ambientes com sonoridade acima de 85 dB. Por essa razão, um EPI obrigatório para ele é:
 

Provas

Questão presente nas seguintes provas
131059 Ano: 2019
Disciplina: Mecânica
Banca: IBADE
Orgão: DEPASA-AC
Na área do Eletricista, o cuidado deve ser redobrado. A tarefa apresenta alto risco de acidentes graves e até mesmo de óbito. Sendo assim, na produção dos EPI’s para essa área, há a presença constante do seguinte material:
 

Provas

Questão presente nas seguintes provas
130734 Ano: 2019
Disciplina: Eletroeletrônica
Banca: IBADE
Orgão: DEPASA-AC
Provas:

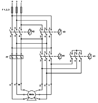
Considere o diagrama trifilar de ligação de um motor trifásico apresentado abaixo:

enunciado 130734-1

Analisando o diagrama, considerando o acionamento do motor, é correto afirmar que permite:

 

Provas

Questão presente nas seguintes provas
130733 Ano: 2019
Disciplina: Eletroeletrônica
Banca: IBADE
Orgão: DEPASA-AC
Provas:

Analise o diagrama de ligação das lâmpadas apresentado na figura abaixo para responder a questão.

enunciado 130733-1

O cabo tracejado indicado no diagrama de iluminação acima é denominado:

 

Provas

Questão presente nas seguintes provas
130731 Ano: 2019
Disciplina: Eletroeletrônica
Banca: IBADE
Orgão: DEPASA-AC
Provas:

enunciado 130731-1

A conexão ou emenda entre condutores indicada na figura acima é denominada conexão:

 

Provas

Questão presente nas seguintes provas
130730 Ano: 2019
Disciplina: Eletroeletrônica
Banca: IBADE
Orgão: DEPASA-AC
Provas:

A tabela apresentada a seguir foi retirada do manual de instalação de uma motobomba submersa. A Tabela indica a bitola do cabo da bomba em função distância do painel de distribuição até a bomba e da corrente nominal do motor.

enunciado 130730-1

Considerando a instalação de uma motobomba submersa cuja corrente nominal do motor é 7 A e a distância do quadro de alimentação é 90 m, a bitola do cabo, de acordo com o manual de instalação da bomba, será de:

 

Provas

Questão presente nas seguintes provas
130729 Ano: 2019
Disciplina: Eletroeletrônica
Banca: IBADE
Orgão: DEPASA-AC
Provas:

Analise o esquema de ligação de uma bomba submersa apresentado a seguir para responder à questão.

enunciado 130729-1

O protetor térmico indicado na figura é utilizado para proteção:

 

Provas

Questão presente nas seguintes provas
130728 Ano: 2019
Disciplina: Eletroeletrônica
Banca: IBADE
Orgão: DEPASA-AC
Provas:

O dispositivo destacado no círculo apresentado na figura abaixo é utilizado para acionamento automático de lâmpadas na ausência de luz.

enunciado 130728-1

Esse tipo de dispositivo é denominado:

 

Provas

Questão presente nas seguintes provas
130686 Ano: 2019
Disciplina: Eletroeletrônica
Banca: IBADE
Orgão: DEPASA-AC
Provas:
De acordo com a ABNT NBR 5410, os conectores bimetálicos são utilizados para conectar condutores de materiais:
 

Provas

Questão presente nas seguintes provas
130685 Ano: 2019
Disciplina: Eletroeletrônica
Banca: IBADE
Orgão: DEPASA-AC
Provas:
Os eletrodutos metálicos são componentes das instalações elétricas utilizados para o encaminhamento dos cabos nas instalações elétricas. Considerando as funcionalidades dos eletrodutos nas instalações elétricas, a alternativa CORRETA é:
 

Provas

Questão presente nas seguintes provas