Foram encontradas 50 questões.
Observe a figura abaixo.

O pé de uma escada de 10 m de comprimento está afastado 6 m de um muro. A que altura do chão, em metros, encontra-se o topo da escada?
Provas
Questão presente nas seguintes provas
Observe o gráfico abaixo, que representa as posições de um corpo em função do tempo.

É correto afirmar que o corpo está em movimento
Provas
Questão presente nas seguintes provas
Se !$ M = \left ( { \large 1 \over 2} + { \large 2 \over 3} \right) \times { \large 4 \over 7} !$ e !$ N = \left ( { \large 2 \over 3} - { \large 2 \over 9} \right) : { \large 2 \over 3} !$, então é correto afirmar que
Provas
Questão presente nas seguintes provas
Um marinheiro foi informado de que participaria de exercícios de guerra no Atlântico Norte, onde a temperatura média estaria em torno dos 48, 2 º F. Essa temperatura, na escala Celsius, corresponde a
Provas
Questão presente nas seguintes provas
Abaixo, na coluna da esquerda, temos algumas propriedades gerais da matéria e, na coluna da direita, algumas situações relacionadas a essas propriedades.
( ) Impenetrabilidade
( ) Elasticidade
( ) Divisibilidade
( ) Inércia
( )Compressibilidade
(I) Passageiro caindo dentro de um ônibus porque este freou bruscamente.
(II) Prego enfiado numa parede para dependurar um quadro.
(III) Frutas trituradas num liquidificador na pré-paração de um suco.
Assinale a opção que associa corretamente, de cima para baixo, a coluna da esquerda com a da direita.
Provas
Questão presente nas seguintes provas
Para ladrilhar uma sala, foram necessários 640 azulejos quadrados de 15 cm de lado. Qual a área da sala em metros quadrados?
Provas
Questão presente nas seguintes provas
Observe as figuras abaixo.

Numa experiência de laboratório, dois imãs foram suspensos pelo centro por um fio preso a um suporte. Num primeiro momento, os ímãs estão bem afastados. Observando o posicionamento dos imas num segundo momento, quando esses estão próximos um do outro, é correto afirmar que
Provas
Questão presente nas seguintes provas
Os seres vivos participam do ciclo da água na natureza, ora absorvendo-a, ora devolvendo-a ao ambiente de alguma maneira. Assinale a opção que mostra formas pelas quais uma pessoa pode absorver e devolver água, respectivamente.
Provas
Questão presente nas seguintes provas
Qual o dividendo de uma divisão cujo quociente é 69, o divisor é 58, e o resto é o maior possível?
Provas
Questão presente nas seguintes provas
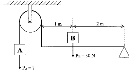
O sistema em equilíbrio mostrado na figura abaixo representa a associação entre uma roldana e uma alavanca.

Determine, em Newtons, o peso do corpo A.
Provas
Questão presente nas seguintes provas
Cadernos
Caderno Container