Foram encontradas 55 questões.
Qual é o valor da reatância capacitiva de um capacitor de 10!$ \mu !$F trabalhando numa freqüência de 2KHz?
Provas
Questão presente nas seguintes provas
Em um microcomputador, quando a informação flui em apenas uma única direção, dizemos que seu barramento é
Provas
Questão presente nas seguintes provas
A força que causa o fluxo magnético definida pelo produto de I (corrente) por N (número de espiras) é chamada de
Provas
Questão presente nas seguintes provas
Círculo vicioso
Machado de Assis
Bailando no ar, gemia inquieto vaga-lume:
"Quem me dera que fosse aquela loura estrela,
Que arde no eterno azul, como uma eterna vela!"
Mas a estrela, fitando a lua, com ciúme:
"Pudesse eu copiar o transparente lume,
Que, da grega coluna à gótica janela,
Contemplou, suspirosa, a fronte amada e bela!"
Mas a lua, fitando o sol, com azedume:
"Mísera! tivesse eu aquela enorme, aquela
Claridade imortal, que toda a luz resume!"
Mas o sol, inclinando a rútila capela:
"Pesa-me esta brilhante auréola de nume...
Enfara-me esta azul e desmedida umbela...
Por que não nasci eu um simples vaga-lume?"
Vocabulário
capela - grinalda, coroa
nume - deidade, divindade
umbela - guarda-chuva, ou objeto com a forma de guarda-chuva (no soneto, a abóbada celeste)
rútila - brilhante
lume – luz
enfarar-se – entediar-se, aborrecer-se
Comparando-se os personagens aos seres humanos, o fato de a luz ser um atributo comum a todos pode levar-nos a concluir que as pessoas
Provas
Questão presente nas seguintes provas
No texto:
“Na corda bamba
poesia
eu não te escrevo...
eu te vivo.”
a vírgula é
Provas
Questão presente nas seguintes provas
A função sintática objeto indireto está presente em:
Provas
Questão presente nas seguintes provas
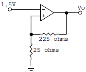
Qual é a tensão de saída Vo no circuito abaixo?

Provas
Questão presente nas seguintes provas
Na região ativa, a junção coletor-base está polarizada, enquanto a junção base-emissor está polarizada.
Provas
Questão presente nas seguintes provas
1025581
Ano: 2005
Disciplina: Engenharia de Telecomunicações
Banca: DIRENS Aeronáutica
Orgão: EEAr
Disciplina: Engenharia de Telecomunicações
Banca: DIRENS Aeronáutica
Orgão: EEAr
Provas:
Dentre as alternativas abaixo, qual aquela que não apresenta uma vantagem da fibra óptica?
Provas
Questão presente nas seguintes provas
Um dispositivo que converte uma variável elétrica em uma variável física é um
Provas
Questão presente nas seguintes provas
Cadernos
Caderno Container