Foram encontradas 100 questões.
Para que uma pessoa, batendo palmas, consiga perceber o eco dessas palmas, a distância mínima entre a pessoa e o obstáculo no qual o som reflete é de 17 m (levando em conta a propagação do som no ar). Supondo que dentro d'água a percepção do ouvido seja a mesma, qual deve ser a distância mínima, em metros, para que o eco possa ser ouvido dentro de água?
Obs.: Velocidade do som no ar igual a 340 m/s.
Velocidade do som na água igual a 1500 m/s
Provas
Questão presente nas seguintes provas
Assinale a alternativa em que o pronome oblíquo está incorretamente empregado, segundo a norma culta.
Provas
Questão presente nas seguintes provas
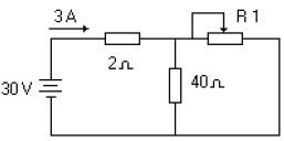
No circuito abaixo, R1 é um resistor variável, sendo seu valor, para as condições dadas, igual a ohms.

Provas
Questão presente nas seguintes provas
CAN YOUR BIRTH ORDER CHANGE
YOUR PERSONALITY?
According to Dr. Kevin Leman if you’re obedient, a high achiever, status conscious, and if you like to please your parents but don’t like taking risks, you’re probably a first born. You could be in a responsible job, possibly as a teacher, a priest or even a politician. Middle children often feel the opposite of their older brothers and sisters – that they don’t have a role in the family. They like taking risks and try to escape by making lots of friends. Being quite independent, they often get jobs far away from their families. They’re usually very ambitious and successful. If you are the youngest, you’re probably affectionate, unselfish, sociable, a rebel and you like to entertain people.
If last borns tend to take conventional jobs, as lawyers or scientists, they are likely to be radical or rebellious members of their professions. What about if you’ve behaved like an adult since you were very young, set yourself high standards; you’re good at motivating yourself and feel more comfortable with people older or younger than yourself? Then you’re probably an only child.
GLOSSARY:
achiever = aquele que alcança êxito
be likely = ser provável
last borns = últimos a nascerem
“…if you’ve behaved like an adult since you were very young”, shows that a situation
Provas
Questão presente nas seguintes provas
Choro do poeta atual
Murilo Mendes
Deram-me um corpo, só um!
Para suportar calado
Tantas almas desunidas
Que esbarravam umas nas outras,
De tantas idades diversas;
Uma nasceu muito antes
De eu aparecer no mundo,
Outra nasceu com este corpo,
Outra está nascendo agora,
Há outras, nem sei direito,
São minhas filhas naturais,
Deliram dentro de mim,
Querem mudar de lugar,
Cada uma quer uma coisa,
Nunca mais tenho sossego,
Ó Deus, se existis, juntai
Minhas almas desencontradas.
A idéia expressa no primeiro verso mostra certa oposição às outras dos versos seguintes. A que se deve isso?
Provas
Questão presente nas seguintes provas
Assinale a alternativa em que há predicativo do sujeito.
Provas
Questão presente nas seguintes provas
The 7 New Wonders of the World were announced at a ceremony in Lisbon, Portugal, 07-07-07 and the Statue of Christ the Redeemer, in Rio de Janeiro, is one of them.
Since 2001 over 100 million people worldwide voted their favorite monuments by telephone and the Internet. The Statue of Christ was the third-most voted. It is 38 meters tall and took five years to be built. It is on top of the hill, Corcovado, and was opened in 1931. The inclusion of the Statue of Christ amongst the New 7 Wonders of the World should boost tourism in Brazil.
The Ministry of Tourism believes that over the next few years 250,000 new jobs will be created in the tourism sector.
(Adapted from a Maganews article)
GLOSSARY:
to boost = impulsionar
amongst = entre, no meio de
The suitable prepositions to fill in the blanks are, respectively:
Provas
Questão presente nas seguintes provas
A espira condutora circular de raio igual a 5 cm, imersa no vácuo, é percorrida por uma corrente elétrica de intensidade igual a 2A, conforme a figura. Determine, aproximadamente, a intensidade do vetor campo magnético, em teslas, no centro da espira.

Dados:
!$ \pi !$ = 3,14
permeabilidade magnética do ar: !$ \mu !$0 = 4!$ \pi !$.10-7 T.m/A
Provas
Questão presente nas seguintes provas
Em um polígono regular, a medida de um ângulo interno é o triplo da medida de um ângulo externo. Esse polígono é o
Provas
Questão presente nas seguintes provas
Em que oração o verbo se encontra na voz ativa?
Provas
Questão presente nas seguintes provas
Cadernos
Caderno Container