Foram encontradas 100 questões.
Um sistema trifásico com cargas desequilibradas ocorre quando
Provas
Considere o diálogo abaixo.
— Será que, depois de tudo que aconteceu, o Zeca vai se atrever a vir aqui.
— Eu acho que... Não sei... Creio que sim. Se a necessidade for maior que o escrúpulo...
— Tem gente de todo tipo neste mundo mesmo!
Quanto à pontuação, quais falas estão corretas?
Provas
Avalie os materiais listados abaixo.
I- Conjunto de contravoltagem
II- Mufla.
III- Mastro H
IV- Sinalizadores
V- Elo fusível
Os materiais utilizados em um Sistema de Proteção contra Descargas Atmosféricas - SPDA são apresentados em
Provas
Leia o texto abaixo e avalie as informações sobre ele.
Não existem crianças de rua. Existem crianças na rua. E toda vez que um menino está na rua é porque alguém o botou lá. (Marina Colasanti)
I- Nos dois casos, os termos grifados são adjuntos adnominais.
II- A expressão “de rua” denota qualidade, e “na rua” expressa localização.
III- Com a troca da preposição no adjunto, o texto passou a fazer uma crítica à sociedade.
Está correto o que se afirma em
Provas
Leia:
O cérebro é capaz de quase qualquer coisa. Ele consegue parar o tempo, ficar vários dias numa boa sem dormir, ler pensamentos, mover objetos a distância e se reconstruir de acordo com a necessidade. Parecem superpoderes de histórias em quadrinhos, mas são apenas algumas descobertas que os neurocientistas fizeram ao longo da última década. (Superinteressante, São Paulo: Abril, ago. 2006)
Coloque V (verdadeiro) ou F (falso) nas sentenças abaixo e, a seguir, assinale a alternativa que traz a sequência correta.
Pode-se afirmar que, no texto acima, há
( ) dois períodos compostos apenas por coordenação, com o total de nove orações coordenadas, sendo sete assindéticas e duas sindéticas.
( ) um período composto apenas por coordenação, com duas orações assindéticas.
( ) um período composto por subordinação, com uma oração principal e seis orações subordinadas objetivas diretas, coordenadas entre si.
( ) um período composto apenas por coordenação e outro por coordenação e subordinação, com uma oração subordinada adjetiva restritiva.
Provas
Em se tratando de um gerador trifásico que possui três fontes de tensão com as fases de mesma amplitude porém defasadas com ângulos iguais entre si, podemos dizer que este se trata de um gerador
Provas
Assinale a alternativa em que o termo negritado tem a mesma classificação sintática do que está destacado na seguinte frase:
O sistema ortográfico de qualquer língua é comandado por convenções rígidas de caráter uniformizador que tendem a neutralizar as diferenças de pronúncia que envolvem a fala. (Platão e Fiorin)
Provas
Uma célula voltaica é denominada úmida quando seu eletrólito for
Provas
Leia:
Uma mancha negra gigantesca escureceu e apavorou Nova Iorque. Era o ano de 1915 e acabara de ser erguido o primeiro arranha-céu da cidade, o Equitable Building, com quarenta e dois andares. (...) Os nova-iorquinos se enfureceram, temendo que a cidade fosse devorada pelas sombras, se os construtores de Manhatan decidissem seguir o modelo estabelecido pelo Equitable. (Superinteressante, SP: Abril, jun., 2004)
Observando o contexto, pode-se dizer que, no texto acima, existe uma oração reduzida que se classifica como
Provas
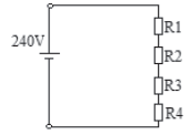
Calcule a queda de tensão de cada resistor e assinale a alternativa correta que corresponde a V2 e V4.

Dados: !$ R_1=50\Omega, R_2=40\Omega, R_3=20\Omega \ e \ R_4=10\Omega !$.
Provas
Caderno Container