Foram encontradas 69 questões.
Um gerador síncrono ideal opera conectado em uma barra infinita, apresentando fator de potência unitário. Atuando-se exclusivamente no seu sistema de excitação, aumentando-se a sua corrente de campo, pode-se afirmar que:
Provas
Considere um motor de indução trifásico de gaiola. A sua corrente de partida com tensão plena é Ip. Ao se realizar uma frenagem rápida por contra-marcha (pela aplicação da tensão trifásica nominal com seqüência de fase contrária), o valor da corrente durante o processo de frenagem é, aproximadamente, igual a:
Provas
Considere um motor de corrente contínua, ligação série, operando sem apresentar saturação e perdas. Se a corrente da armadura se reduzir para 80% do seu valor inicial, então o seu conjugado se reduzirá, em relação ao valor inicial, para:
Provas
A laminação do núcleo dos transformadores:
Provas
Em um transformador, PFE é o valor da perda no núcleo e PEJ é o valor da perda por Efeito Joule. O seu rendimento máximo ocorre quando:
Provas
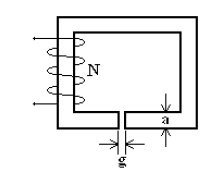
A figura a seguir representa um circuito magnético de permeabilidade infinita.

Sua seção reta é constante e igual ao produto "ab" ("b" é a profundidade em relação ao plano do papel). A largura do entreferro é "g" e o enrolamento possui N espiras. Sendo
a permeabilidade do ar, a expressão da indutância do enrolamento, desprezando-se o espraiamento, é:
Provas
Provas
Para a estimativa de cálculo da regulação de tensão de transformadores de elevadas potência e tensão, operando nas condições nominais, é suficiente utilizar um modelo que contenha somente:
Provas
Na maioria das grandes usinas hidrelétricas, a elevação da tensão para as linhas de transmissão é feita utilizando-se:
Provas
Uma carga de 30kW e fator de potência 0,6 indutivo opera em um certo ponto de uma rede elétrica. Outra carga de 10kW e fator de potência unitário será conectada nesse mesmo ponto. Desejando-se corrigir o fator de potência desse ponto da rede para 0,8 indutivo com as duas cargas em operação, será necessário instalar no ponto da rede um banco de capacitores com capacidade reativa igual a:
Provas
Caderno Container