Foram encontradas 280 questões.
Provas
Considere as informações abaixo.
Nesse tipo de ataque, websites fraudulentos são usados para roubar informações pessoais. Normalmente, os usuários são redirecionados a websites falsos onde um código malicioso é obtido por download e usado para a coleta de informações sigilosas.
O tipo de ataque definido no texto é conhecido como phishing e uma ação correta para evitá-lo é
Provas
Provas
Provas
Um anel de alumínio, conforme ilustrado abaixo, de diâmetro interno de 0,20 m se encontra à temperatura ambiente de 20 °C. Sabe-se que o coeficiente de dilatação linear do alumínio é α = 10−4 °C−1.

A temperatura em °C na qual se permite a montagem sobre um cilindro de diâmetro 0,205 m é, em °C,
Provas
- EletromagnetismoElétricaAssociação de Resistores
- EletromagnetismoElétricaCircuitos Elétricos Especiais: Leis de Kirchhoff e Ponte de Wheatstone
- EletromagnetismoElétricaEletricidade
- EletromagnetismoElétricaEletrodinâmica
- EletromagnetismoElétricaResistores e Potência Elétrica
Uma estufa possui duas resistências como elemento de aquecimento, ligadas internamente em paralelo, conforme ilustração abaixo.

Admitindo-se que a rede elétrica forneça tensão alternada de 220 V e que, nesta condição, a potência de cada uma das resistências é de 3700 W, o valor da energia consumida pela estufa no intervalo de 240 minutos será de, aproximadamente,
Provas

Considere g a aceleração da gravidade local, μe e μc os coeficientes de atrito estático e cinético entre o bloco e o plano, respectivamente. O valor de F é
Provas
Uma usina hipotética geradora de energia elétrica tem como característica a geração de energia pelos processos hidrelétrico e termelétrico, mas não simultaneamente. Por causa da natureza da geração hidrelétrica, a usina foi construída próxima de um rio.
A geração termelétrica só entra em operação em períodos de escassez de água na represa usada para movimentar as turbinas dos geradores ou em períodos de manutenção dos equipamentos da hidrelétrica.
Os geradores termelétricos operam a partir do calor produzido pela queima de carvão mineral. Na sala de geradores termelétricos, há um sistema de ventilação forçada que substitui equipamentos de ar condicionado, por conta de um melhor aproveitamento da energia consumida no local, e cuja função é manter a temperatura ambiente próxima de 23°C.
Um dos ambientes da usina está sendo criado para acomodar uma guilhotina elétrica a ser usada para corte de placas de cobre de um sistema de ionização usado em partes da planta industrial para tratamento da água, antes de retorná-la ao leito do rio.
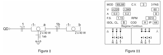
O diagrama unifilar da iluminação da sala onde ficará a guilhotina está ilustrado na Figura I e a placa de especificações do motor da guilhotina está ilustrada na Figura II.

Provas
Uma usina hipotética geradora de energia elétrica tem como característica a geração de energia pelos processos hidrelétrico e termelétrico, mas não simultaneamente. Por causa da natureza da geração hidrelétrica, a usina foi construída próxima de um rio.
A geração termelétrica só entra em operação em períodos de escassez de água na represa usada para movimentar as turbinas dos geradores ou em períodos de manutenção dos equipamentos da hidrelétrica.
Os geradores termelétricos operam a partir do calor produzido pela queima de carvão mineral. Na sala de geradores termelétricos, há um sistema de ventilação forçada que substitui equipamentos de ar condicionado, por conta de um melhor aproveitamento da energia consumida no local, e cuja função é manter a temperatura ambiente próxima de 23°C.
Um dos ambientes da usina está sendo criado para acomodar uma guilhotina elétrica a ser usada para corte de placas de cobre de um sistema de ionização usado em partes da planta industrial para tratamento da água, antes de retorná-la ao leito do rio.
O diagrama unifilar da iluminação da sala onde ficará a guilhotina está ilustrado na Figura I e a placa de especificações do motor da guilhotina está ilustrada na Figura II.

O medidor de temperatura da sala de geradores termelétricos monitora a temperatura ambiente nas escalas Celsius, Fahrenheit e Kelvin. Considere:
I. Na escala Kelvin, o ponto de fusão do gelo vale, aproximadamente, 273K, enquanto que na escala Celsius, vale 0°C.
II. A temperatura 23°C, na escala Fahrenheit, vale, aproximadamente, 55°F.
III. A menor temperatura que uma substância pode atingir é zero kelvin ou, aproximadamente, −273°C.
Está correto o que consta APENAS em
Provas
Uma usina hipotética geradora de energia elétrica tem como característica a geração de energia pelos processos hidrelétrico e termelétrico, mas não simultaneamente. Por causa da natureza da geração hidrelétrica, a usina foi construída próxima de um rio.
A geração termelétrica só entra em operação em períodos de escassez de água na represa usada para movimentar as turbinas dos geradores ou em períodos de manutenção dos equipamentos da hidrelétrica.
Os geradores termelétricos operam a partir do calor produzido pela queima de carvão mineral. Na sala de geradores termelétricos, há um sistema de ventilação forçada que substitui equipamentos de ar condicionado, por conta de um melhor aproveitamento da energia consumida no local, e cuja função é manter a temperatura ambiente próxima de 23°C.
Um dos ambientes da usina está sendo criado para acomodar uma guilhotina elétrica a ser usada para corte de placas de cobre de um sistema de ionização usado em partes da planta industrial para tratamento da água, antes de retorná-la ao leito do rio.
O diagrama unifilar da iluminação da sala onde ficará a guilhotina está ilustrado na Figura I e a placa de especificações do motor da guilhotina está ilustrada na Figura II.

Provas
Caderno Container