Foram encontradas 45 questões.
A fase do projeto de arquitetura na qual a viabilidade de um programa e do partido arquitetônico é apreciada e aprovada pelo cliente e que, também, pode servir à consulta prévia para aprovação em órgãos governamentais é denominada:
Provas
- Tecnologia das ConstruçõesSistemas e Elementos ConstrutivosSistemas EstruturaisPrincípios e Fundamentos
- Tecnologia das ConstruçõesSistemas e Elementos ConstrutivosSistemas EstruturaisEstruturas de Concreto
- Tecnologia das ConstruçõesSistemas e Elementos ConstrutivosSistemas EstruturaisMorfologia e Funcionamento das Estruturas
Uma viga biapoiada tem vão igual a 4,0m e seção transversal retangular com base igual a 12cm e altura medindo 25cm. Sabendo que essa viga é constituída por concreto armado com peso específico equivalente a 25kN/m3 , o máximo momento fletor nessa viga devido exclusivamente ao seu peso próprio é igual a:
Provas
- Tecnologia das ConstruçõesSistemas e Elementos ConstrutivosSistemas EstruturaisPrincípios e Fundamentos
- Tecnologia das ConstruçõesSistemas e Elementos ConstrutivosSistemas EstruturaisMorfologia e Funcionamento das Estruturas
Uma barra de aço de seção transversal quadrada é tracionada por uma força igual a 5000kN. Sabendo que a tensão de escoamento do aço é 250MPa e, além disso, que o fator de segurança a ser empregado sobre essa tensão vale 2,0, o menor valor para o lado dessa seção é igual a:
Provas
- Tecnologia das ConstruçõesSistemas e Elementos ConstrutivosSistemas EstruturaisEstruturas de Concreto
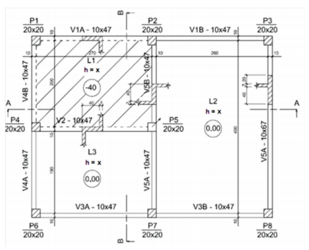
Atenção: A figura abaixo apresenta a planta de formas de uma edificação e será usada para as duas próximas questões.

Sobre o pilar P5, é correto afirmar que:
Provas
- Tecnologia das ConstruçõesSistemas e Elementos ConstrutivosSistemas EstruturaisEstruturas de Concreto
Atenção: A figura abaixo apresenta a planta de formas de uma edificação e será usada para as duas próximas questões.

Sabendo que as lajes são maciças e de concreto armado, o menor valor admissível para suas espessuras, x, vale:
Provas
As fundações podem ser classificadas como rasas ou profundas, dependendo da forma como as cargas da estrutura são transmitidas ao terreno. O radier e o tubulão são exemplos, respectivamente, de fundação:
Provas
Em Mecânica dos Solos, os materiais são classificados de acordo com a sua granulometria. Dentre os materiais listados abaixo, o que apresenta maior diâmetro médio de seus grãos é o/a:
Provas
O aço pode receber diversos tratamentos durante sua fabricação. O aço denominado de “encruado” é aquele que:
Provas
Diversos materiais podem ser aplicados no revestimento de um piso. Os tacos e parquetes são exemplos de pavimentos de:
Provas
Durante o revestimento de uma parede, podem ser aplicadas diferentes camadas, com finalidades distintas. Há uma camada que tem função primordial de regularização, onde a argamassa atua como uma capa de chuvas, evitando a infiltração e penetração das águas, porém sem impedir a ação capilar que resulta no transporte de umidade da alvenaria à sua superfície exterior. Esse tipo de revestimento é denominado:
Provas
Caderno Container