Foram encontradas 50 questões.
Com relação aos componentes existentes num ciclo de refrigeração, assinale a alternativa correta.
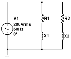
Provas
Observe o circuito CA abaixo e calcule a potência ativa e reativa fornecida pela fonte.
Considere !$ R1 = 4 \Omega !$, !$ X1 = 3 \Omega !$, !$ R2 = 6 \Omega !$ e!$ X2 = 8 \Omega !$.

Provas
Um transformador de 75 kVA alimenta um equipamento trifásico com potência de 32 kW, rendimento de 80% e fator de potência de 0,8. O percentual de potência aparente ocupada neste transformador é:
Provas
Em uma carga trifásica balanceada, com tensões equilibradas, foi realizada a medição através do método dos dois wattímetros. De acordo com os valores obtidos na tabela abaixo, calcule o fator de potência desta carga trifásica.
| Wattímetro |
Valor medido (W) |
| W1 |
!$ 400+100 . \surd 3 !$ |
| W2 |
!$ 400-100 . \surd 3 !$ |
Provas
No circuito elétrico abaixo, foi medido a tensão em R2 (polaridade mostrada no circuito) e foi obtido 40 V. Marque a opção que indica o valor da fonte V2.

Provas

O diagrama unifilar acima é de um circuito monofásico de uma instalação elétrica predial. O correto diagrama unifilar do eletroduto tracejado na figura é:
Provas
Um gerador a Diesel pode ser utilizado em três modos de operação: emergência, horário de ponta e contínuo. Considerando o seu uso em horário de ponta, dimensione a potência aparente mínima do gerador para atender, exclusivamente, um motor de 36 cv, rendimento 88,32% e fator de potência 0,75.
Provas
Em uma instalação monofásica com carga de 6600 VA e alimentação de 220 V, deseja-se dimensionar o condutor fase com isolação PVC (70ºC). Com o auxílio das tabelas abaixo, dimensione o condutor correto para esta instalação, segundo o critério da capacidade de condução. Considere que este circuito encontra-se em perfilado com outros 5 circuitos e a temperatura máxima do ambiente é de 40ºC.

Provas
Considerando a corrente solicitada pela carga 0,5 pu, a resistência da linha 0,4 pu, a reatância da linha 0,3 pu, a tensão em Vs 1 pu e o fator de potência da carga 0,8 indutivo, calcule a porcentagem de queda de tensão na linha de transmissão, conforme sistema abaixo.

Provas
Necessita-se dimensionar um disjuntor trifásico para uma instalação elétrica que possui uma carga total de !$ (9500 \sqrt 3) !$ VA e alimentado por uma tensão de 380 V. O cabo dimensionado para instalação foi de PVC (70ºC) de 16 mm2 e possui capacidade de condução em 30ºC de 68 A. Este circuito se encontra inserido em eletroduto com outro e a temperatura máxima do ambiente é de 40ºC. Considere o valor de 0,8 para o fator de agrupamento em eletroduto com dois circuitos e o valor de 0,87 para o fator de temperatura do cabo PVC em 40ºC. O valor do disjuntor dimensionado é:
Provas
Caderno Container