Foram encontradas 50 questões.
A operação de usinagem em que o metal é removido por uma ferramenta giratória (como a da figura) de múltiplos gumes cortantes é denominada:

Provas
Os minérios de ferro são rochas, a partir das quais pode ser obtido ferro metálico de maneira economicamente viável. O ferro encontra-se geralmente sob a forma de óxidos, como a hematita, que possui a seguinte fórmula química:
Provas
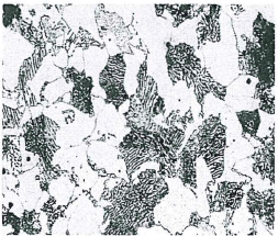
A figura a seguir apresenta um aço:

Provas
As ligas metálicas são desenvolvidas como alternativa à utilização de alguns metais, uma vez que elas apresentam características que os metais puros não possuem e por isso são produzidas industrialmente e largamente aplicadas no cotidiano. Um bom exemplo disso é o latão, uma liga metálica composta pela junção de átomos de:
Provas
Baseando-se na figura a seguir, que apresenta parte do diagrama ferro-carbono, assinale a alternativa ERRADA.

Provas
Materiais compósitos são aqueles que possuem pelo menos dois componentes ou duas fases, com propriedades físicas e químicas nitidamente distintas em sua composição. Separadamente, os constituintes do compósito mantêm suas características, porém, quando misturados, formam um composto com propriedades impossíveis de se obter com apenas um deles. Dos citados a seguir, o que representa um material compósito é:
Provas
O diagrama tempo-temperatura-transformação (TTT) apresenta curvas de início e término da transformação austenítica para uma determinada temperatura e tempo. Assinale a alternativa que NÃO apresenta uma influência direta na posição das linhas de início e fim de transformação das curvas TTT.
Provas
Para facilitar a escolha do lubrificante correto, várias são as classificações, sendo as principais SAE e API. A classificação SAE, estabelecida pela Sociedade dos Engenheiros Automotivos dos Estados Unidos, classifica os óleos lubrificantes pela sua:
Provas
O tratamento térmico que se faz nos aços já temperados, com a finalidade de diminuir a sua fragilidade, isto é, torná-lo menos quebradiço, chama-se:
Provas
Analise as afirmativas sobre materiais mecânicos e assinale a alternativa correspondente.
I- Apesar da grande variedade de metais existentes, a maioria não é empregada em estado puro, mas em ligas com propriedades alteradas em relação ao material inicial, o que visa, entre outras coisas, a reduzir os custos de produção.
II- Entre as principais vantagens das cerâmicas avançadas têm-se que resistem a maiores temperaturas (refratariedade) e um menor peso, devido à menor densidade.
III- Materiais poliméricos são geralmente compostos orgânicos baseados em carbono, hidrogênio e outros elementos não-metálicos. São constituídos de moléculas muito grandes (macromoléculas).
Provas
Caderno Container