Foram encontradas 2.079 questões.

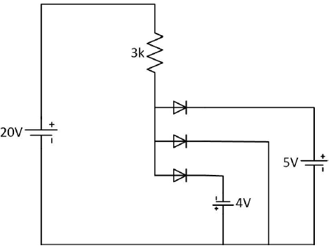
Considerando diodos ideais, o valor da corrente sobre o resistor é
Provas

Em um osciloscópio ajustado para 0,5V/DIV e 50μs/DIV, observou-se o seguinte sinal.
A frequência e a amplitude desse sinal são, respectivamente:
Provas
A respeito de multímetros, avalie as seguintes sentenças:
I – Além das medidas dos analógicos, os multímetros digitais permitem realizar outras medidas, tais como capacitância, indutância, frequência e temperatura.
II – Os multímetros analógicos podem medir o valor eficaz de tensões senoidais.
III – Pode-se utilizar multímetros analógicos para fazer testes em transistores.
É correto apenas o que se afirma em
Provas

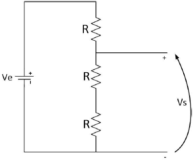
Sabendo-se que Vs é igual a 10V e que a potência consumida, ou dissipada em cada um dos resistores é 0,5 W, o valor de R é:
Provas

O valor da corrente sobre o resistor de 2,5!$ \Omega !$ vale:
Provas
- Transmissão de DadosCaracterísticas de TransmissãoCodificação e Detecção de Erros
- Transmissão de DadosCaracterísticas de TransmissãoModulação e Multiplexação
Multiplexação é uma técnica que combina diversos sinais formando um sinal composto para compartilhar um mesmo canal de comunicação. Uma das técnicas de multiplexação mais utilizadas é a TDM – Multiplexação por Divisão do Tempo. Diversas modulações podem ser utilizadas com essa técnica de multiplexação, dentre elas destaca-se uma que emprega filtro passa baixas, amostrador, quantizador e codificação dos níveis quantizados por sequências binárias, cujos bits possuem a mesma largura.
Esta modulação é conhecida como:
Provas
Disciplina: TI - Organização e Arquitetura dos Computadores
Banca: FUNRIO
Orgão: IF-PA
Os defeitos de computadores podem ser classificados como sinalizados (por hardware ou por softwares), outros como não sinalizados.
Com relação a esse assunto, analise as seguintes proposições:
I – Os códigos dos defeitos sinalizados por BEEPS dependem do fabricante da BIOS.
II – Superaquecimento de processadores é um tipo de problema sinalizado por software.
III – Problemas no circuito de refresh da placa mãe, causados por danos na placa mãe ou por falhas nos módulos de memória RAM, são sinalizados por BEEPS.
É correto apenas o que se afirma em
Provas
Para proteger um computador contra eletricidade estática e ruídos provenientes da rede elétrica devem ser empregados, respectivamente:
Provas
Das opções apresentadas a seguir, qual delas é a mais segura para funcionar com o protocolo WiFi?
Provas
Relacione os seguintes tipos de dispositivos de rede com suas características:
1. HUB
2. ROTEADOR
3. SWITCH
( ) Envia os quadros de dados somente para a porta de destino.
( ) Interliga redes e escolhe rotas mais rápidas para enviar os dados.
( ) Replica em todas as suas portas as informações recebidas.
Assinale a alternativa que mostra a relação correta de cima para baixo.
Provas
Caderno Container