Foram encontradas 50 questões.
A Constituição Federal do Brasil, no seu Capítulo III - Da Educação, Da Cultura e Do Desporto, preconiza que é dever do Estado para com a educação:
Provas
Questão presente nas seguintes provas
A Constituição Federal do Brasil, no seu Capítulo VII – Da Administração Pública, estabelece que a administração pública direta e indireta de qualquer dos Poderes da União, dos Estados, do Distrito Federal e dos Municípios obedecerá aos seguintes princípios, EXCETO.
Provas
Questão presente nas seguintes provas
Compras de Natal
A cidade deseja ser diferente, escapar às suas fatalidades. Enche-se de brilhos e cores; sinos que não tocam, balões que não sobem, anjos e santos que não se movem, estrelas que jamais estiveram no céu. As lojas querem ser diferentes, fugir à realidade do ano inteiro: enfeitam-se com fitas e flores, neve de algodão de vidro, fios de ouro e prata, cetins, luzes, todas as coisas que possam representar beleza e excelência.
Tudo isso para celebrar um Meninozinho envolto em pobres panos, deitado numas palhas, há cerca de dois mil anos, num abrigo de animais, em Belém.
Todos vamos comprar presentes para os amigos e parentes, grandes e pequenos, e gastaremos, nessa dedicação sublime, até o último centavo, o que hoje em dia quer dizer a última nota de cem cruzeiros, pois, na loucura do regozijo unânime, nem um prendedor de roupa na corda pode custar menos do que isso.
Grandes e pequenos, parentes e amigos são todos de gosto bizarro e extremamente suscetíveis. Também eles conhecem todas as lojas e seus preços – e, nestes dias, a arte de comprar se reveste de exigências particularmente difíceis. Não poderemos adquirir a primeira coisa que se ofereça à nossa vista: seria uma vulgaridade. Teremos de descobrir o imprevisto, o incognoscível, o transcendente. Não devemos também oferecer nada de essencialmente necessário ou útil, pois a graça destes presentes parece consistir na sua desnecessidade e inutilidade. Ninguém oferecerá, por exemplo, um quilo (ou mesmo um saco) de arroz ou feijão para a insidiosa fome que se alastra por estes nossos campos de batalha; ninguém ousará comprar uma boa caixa de sabonetes desodorantes para o suor da testa com que – especialmente neste verão – teremos de conquistar o pão de cada dia. Não: presente é presente, isto é, um objeto extremamente raro e caro, que não sirva a bem dizer para coisa alguma.
Por isso é que os lojistas, num louvável esforço de imaginação, organizam suas sugestões para os compradores, valendo-se de recursos que são a própria imagem da ilusão. Numa grande caixa de plástico transparente (que não serve para nada), repleta de fitas de papel celofane (que para nada servem), coloca-se um sabonete em forma de flor (que nem se possa guardar como flor nem usar como sabonete, e cobra-se pelo adorável conjunto o preço de uma cesta de rosas. Todos ficamos extremamente felizes! São as cestinhas forradas de seda, as caixas transparentes os estojos, os papéis de embrulho com desenhos inesperados, os barbantes, atilhos, fitas, o que na verdade oferecemos aos parentes e amigos. Pagamos por essa graça delicada da ilusão. E logo tudo se esvai, por entre sorrisos e alegrias. Durável – apenas o Meninozinho nas suas palhas, a olhar para este mundo.
MEIRELES, Cecília. Quatro Vozes, Rio de Janeiro: Editora Record, 1998.
Há, a partir da perspectiva apresentada no texto, uma contradição marcada que se evidencia entre
Provas
Questão presente nas seguintes provas

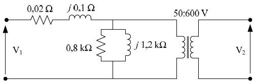
Um transformador monofásico, com potência nominal igual a 10 kVA, 60 Hz e relação de transformação 50 V/600 V, foi submetido aos ensaios de curto-circuito e a vazio, obtendo-se o circuito elétrico linear equivalente, em baixas frequências, com parâmetros referenciados ao lado de baixa tensão, conforme mostrado na figura acima. Com base nestas informações, julgue as proposições abaixo.
I. No circuito elétrico equivalente, o resistor de 800 Ω e a reatância de 1.200 Ω são obtidos a partir do ensaio a vazio.
II. As perdas no cobre ou por efeito Joule dos enrolamentos do transformador são obtidas a partir do ensaio do transformador em curto-circuito.
III. No ensaio em curto-circuito, deve-se elevar a tensão no primário, lentamente, até obter a corrente nominal do transformador no lado secundário. Esta tensão aplicada no primário será, portanto, muito inferior à tensão nominal do primário do transformador.
Está(ão) CORRETA(S)
Provas
Questão presente nas seguintes provas
No que tange a Lei 8.112/90, tratando das vantagens, além do vencimento poderão, ser pagas ao servidor:
Provas
Questão presente nas seguintes provas
Um transformador de filamento reduz os 120 V no primário para 8 V no secundário. Havendo 150 espiras no primário e 10 espiras no secundário, a razão de tensão (RT) e a razão de espiras (RE) são iguais, respectivamente, aos seguintes valores:
Provas
Questão presente nas seguintes provas
Analise o circuito a seguir.

Considerando que a lâmpada L foi projetada para funcionar numa rede de 120 V, dissipando 60 W, o valor da resistência Rx, que garanta o funcionamento nominal da lâmpada L, é
Provas
Questão presente nas seguintes provas
Conforme a Constituição Federal do Brasil, tratando da família, da criança, do adolescente, do jovem e do idoso, é CORRETO afirmar:
Provas
Questão presente nas seguintes provas
Analise o seguinte circuito:

A queda de tensão aproximada no resistor de 40 Ω é:
Provas
Questão presente nas seguintes provas
Compras de Natal
A cidade deseja ser diferente, escapar às suas fatalidades. Enche-se de brilhos e cores; sinos que não tocam, balões que não sobem, anjos e santos que não se movem, estrelas que jamais estiveram no céu. As lojas querem ser diferentes, fugir à realidade do ano inteiro: enfeitam-se com fitas e flores, neve de algodão de vidro, fios de ouro e prata, cetins, luzes, todas as coisas que possam representar beleza e excelência.
Tudo isso para celebrar um Meninozinho envolto em pobres panos, deitado numas palhas, há cerca de dois mil anos, num abrigo de animais, em Belém.
Todos vamos comprar presentes para os amigos e parentes, grandes e pequenos, e gastaremos, nessa dedicação sublime, até o último centavo, o que hoje em dia quer dizer a última nota de cem cruzeiros, pois, na loucura do regozijo unânime, nem um prendedor de roupa na corda pode custar menos do que isso.
Grandes e pequenos, parentes e amigos são todos de gosto bizarro e extremamente suscetíveis. Também eles conhecem todas as lojas e seus preços – e, nestes dias, a arte de comprar se reveste de exigências particularmente difíceis. Não poderemos adquirir a primeira coisa que se ofereça à nossa vista: seria uma vulgaridade. Teremos de descobrir o imprevisto, o incognoscível, o transcendente. Não devemos também oferecer nada de essencialmente necessário ou útil, pois a graça destes presentes parece consistir na sua desnecessidade e inutilidade. Ninguém oferecerá, por exemplo, um quilo (ou mesmo um saco) de arroz ou feijão para a insidiosa fome que se alastra por estes nossos campos de batalha; ninguém ousará comprar uma boa caixa de sabonetes desodorantes para o suor da testa com que – especialmente neste verão – teremos de conquistar o pão de cada dia. Não: presente é presente, isto é, um objeto extremamente raro e caro, que não sirva a bem dizer para coisa alguma.
Por isso é que os lojistas, num louvável esforço de imaginação, organizam suas sugestões para os compradores, valendo-se de recursos que são a própria imagem da ilusão. Numa grande caixa de plástico transparente (que não serve para nada), repleta de fitas de papel celofane (que para nada servem), coloca-se um sabonete em forma de flor (que nem se possa guardar como flor nem usar como sabonete), e cobra-se pelo adorável conjunto o preço de uma cesta de rosas. Todos ficamos extremamente felizes! São as cestinhas forradas de seda, as caixas transparentes os estojos, os papéis de embrulho com desenhos inesperados, os barbantes, atilhos, fitas, o que na verdade oferecemos aos parentes e amigos. Pagamos por essa graça delicada da ilusão. E logo tudo se esvai, por entre sorrisos e alegrias. Durável – apenas o Meninozinho nas suas palhas, a olhar para este mundo.
MEIRELES, Cecília. Quatro Vozes, Rio de Janeiro: Editora Record, 1998.
Leia.
“Por isso é que os lojistas, num louvável esforço de imaginação, organizam suas sugestões para os compradores, valendo-se de recursos que são a própria imagem da ilusão. Numa grande caixa de plástico transparente (que não serve para nada), repleta de fitas de papel celofane (que para nada servem), coloca-se um sabonete em forma de flor (que nem se possa guardar como flor nem usar como sabonete), e cobra-se pelo adorável conjunto o preço de uma cesta de rosas. Todos ficamos extremamente felizes!”
Considerando os aspectos linguístico- gramaticais desse trecho, julgue as seguintes assertivas.
I. Em “todos ficamos”, a concordância é admitida pela norma culta, uma vez que indica relação de inclusão.
II. Como o verbo “valer” admite duas regências, o uso da preposição é facultativa no contexto apresentado.
III. Na forma verbal “cobra-se pelo adorável conjunto”, a partícula “se” funciona como índice de indeterminação.
IV. Sendo o termo “por isso” indicativo de conclusão, seu posicionamento, no ínicio do período, compromete a relação semântica.
II. Como o verbo “valer” admite duas regências, o uso da preposição é facultativa no contexto apresentado.
III. Na forma verbal “cobra-se pelo adorável conjunto”, a partícula “se” funciona como índice de indeterminação.
IV. Sendo o termo “por isso” indicativo de conclusão, seu posicionamento, no ínicio do período, compromete a relação semântica.
É CORRETO o que se afirma em
Provas
Questão presente nas seguintes provas
Cadernos
Caderno Container