Foram encontradas 40 questões.
Analise as afirmativas a seguir, sobre controladores lógicos programáveis.
I. O termo relé interno, relé auxiliar ou marcador, é usado para o que pode ser considerado um relé de CLP. Estes se comportam como relés com seus contatos associados, mas, na realidade, não simulações de relés feitas pelo software do CLP.
II. Para movimentação de dados, o comando contém a instrução de movimentação, o endereço da fonte de dados e o endereço de destino, conforme Figura 05, abaixo.

III. Os CLPs normalmente, por si só, não realizam, em seu programa, a comparação de dados, ou seja, não existe recurso de softwares para comparar variáveis de entrada.
IV. Um CLP equipado com canais de entrada analógica pode ser usado para executar uma função de controle contínuo, ou seja, um controle PID.
Em relação às alternativas acima, podemos afirmar que
Provas
- EletrotécnicaCircuitos Elétricos em Eletricidade
- EletrotécnicaCircuitos de Corrente Contínua e de Corrente Alternada
A componente ativa da corrente elétrica que circula no circuito da Figura 04, ou seja, aquela que é dissipada nos resistores e está alimentada por uma fonte alternada de Eeficaz = 120V, vale, em Ampères,

Provas
Observe a Figura 03 para responder à questão.

Provas
Observe a Figura 03 para responder à questão.

Provas
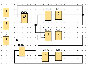
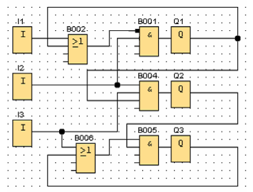
A linguagem gráfica Ladder é a mais difundida e encontrada em quase todos os CLPs. Ela se baseia na lógica de relés e contatos elétricos para comandar controladores lógicos programáveis (CLP). Um exemplo desta programação pode ser visto na Figura 02, abaixo.

Paralelamente, uma outra linguagem, chamada FBD, cujos elementos são expressos por blocos interligados, é também bastante difundida. Sabendo que a lógica Ladder pode ser representada pela lógica FBD, assinale a alternativa que corresponde à representação CORRETA da Figura 02.
Provas
Em relação aos inversores de frequência e chaves de partida soft-starter, analise as afirmativas abaixo.
I. A chave de partida soft-starter permite partir mais de um motor de forma sequencial, fazendo uso de suas entradas digitais.
II. Um controle vetorial em malha aberta é definido como sensorless.
III. Os transistores (ex: IGBT) são componentes típicos da chave de partida soft-starter, enquanto os tiristores são tipicamente utilizados no chaveamento dos inversores de frequência atuais.
IV. Alguns inversores de frequência possuem um circuito intermediário que é responsável pela conversão de um sinal alternado para um sinal contínuo.
V. A função JOG encontrada nos inversores, permite aplicar uma tensão contínua momento da frenagem do motor.
Estão CORRETAS as afirmativas
Provas
Provas
Sobre os métodos de partida e acionamento de motores elétricos, analise as proposições abaixo.
I. A partida direta é o modo de partida mais simples que existe, com o estator ligado diretamente à rede elétrica. O motor parte com as suas características naturais, e, em termos elétricos, é a melhor maneira de acionar um motor elétrico mas, em termos mecânicos, no que diz respeito a rolamentos, mancais e acoplamento com a carga, é uma péssima solução.
II. A partida Estrela-Triângulo só pode ser utilizada num motor em que as duas extremidades de cada um dos três enrolamentos estatóricos estejam ligadas à placa de terminais, ou seja, o motor de indução deve ter 3 ou 6 terminais. Esse tipo de partida é indicado para sistemas que estão sobrecarregados, com o objetivo de reduzir os efeitos da corrente de partida dos motores trifásicos. A corrente elétrica de partida fica reduzida a 25% da nominal do motor.
III. Baseada na utilização de tiristores (SCR’s), ou seja, de uma ponte tiristorizada na configuração paralelo, os acionamentos eletrônicos de partida suave (Soft-Starter) servem para partir, parar e controlar a velocidade dos motores elétricos de indução com rotor gaiola.
IV. Um inversor de frequência é um dispositivo capaz de gerar uma tensão e frequência trifásicas ajustáveis, com a finalidade de controlar a velocidade de um motor de indução trifásico, em geral, composto de seis chaves (IGBT’s), implementadas numa configuração em antiparalelo na parte de potência, e um link DC, onde a tensão contínua resultante é filtrada pelos capacitores e utilizada como entrada para a seção inversora. Na seção inversora, a tensão retificada é, novamente, convertida em Trifásica AC. Os transistores chaveiam várias vezes por ciclo, gerando um trem de pulsos com largura variável senoidalmente (PWM).
V. A Chave Compensadora para motores elétricos de corrente alternada trifásicos, realiza a partida em três estágios. Durante a partida, alimenta-se com a tensão nominal o primário do autotransformador trifásico, conectado em estrela, e, do seu secundário é retirada a alimentação para o circuito do estator do motor. A passagem para o regime permanente faz-se desligando o autotransformador do circuito e conectando o motor diretamente à rede de alimentação. A tensão na compensadora é reduzida através do autotransformador trifásico, que possui, geralmente, taps de 50%, 65% e 80% da tensão nominal.
Estão CORRETAS as afirmações presentes nas alternativas
Provas
- EletrotécnicaCircuitos Elétricos em Eletricidade
- EletrotécnicaCircuitos de Corrente Contínua e de Corrente Alternada
Examine as alternativas a seguir, sobre tensão e corrente alternada.
I. O tempo que dura um ciclo completo de um sinal senoidal de frequência 100 Hz é, aproximadamente, 10 milissegundos.
II. O tempo necessário para uma função senoidal de tensão na frequência de 60 Hz percorrer o trecho compreendido entre zero radiano e 4π/3 radiano é de, aproximadamente, 11 milissegundos.
III. Uma senoide que percorre o trecho de 3π/4 em 7,5 milissegundos tem frequência de 40 Hz.
IV. O valor máximo de uma tensão senoidal cujo valor é 10V no instante t = 15 milissegundos, é de -10V, sendo sua frequência 100Hz.
V. Uma corrente CA de valor eficaz 25mA e frequência 50Hz ao passar por um capacitor de capacitância (10/π) μF, provoca nos terminais deste uma Diferença de Potencial de 15V.
Das proposições acima, estão CORRETAS as afirmativas:
Provas
Provas
Caderno Container