Foram encontradas 40 questões.
Para responder à questão, quando necessário, considere:
π = 3,14 √2 = 1,41
Analise a descrição abaixo de estados de um sistema sequencial.
• Entrada: x(t) ∈ {0,1,2,3]
• Saída: z(t) ∈ {a,b}
• Estado: s(t) ∈ {S0 , S1}
• Estado Inicial: s(0) = S0
• Funções:

Assinale a opção que representa o diagrama de estados obtido, diretamente, dessas expressões.
Provas
Para responder à questão, quando necessário, considere:
π = 3,14 √2 = 1,41
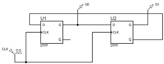
Analise a figura abaixo, que representa um circuito sequencial.

Fonte: FUNCERN, 2017.
Assinale a opção em que estão representadas, corretamente, as formas de onda das saídas Q0 e Q1.
Provas
Para responder à questão, quando necessário, considere:
π = 3,14 √2 = 1,41
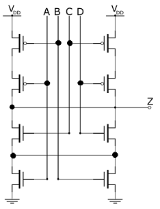
Analise a figura abaixo, que representa uma estrutura de portas complexas.

Fonte: FUNCERN, 2017.
A função lógica que representa a saída Z do circuito é
Provas
Para responder à questão, quando necessário, considere:
π = 3,14 √2 = 1,41
Analise a descrição do sistema digital abaixo.

Fonte: FUNCERN, 2017.
Após a prototipagem dessa descrição, os valores obtidos de a, b e c foram, respectivamente, 110, 100 e 110.
O valor da constante x declarada na arquitetura GERAL para os resultados obtidos é
Provas
Para responder à questão, quando necessário, considere:
π = 3,14 √2 = 1,41
Observe o diagrama de estados abaixo, que representa uma máquina de estados finitos:

Considerando que a sequência de sinais de entrada é
e o estado inicial é S0, o diagrama acima
representa, na classificação de máquinas de Mealy e de Moore, uma máquina do tipo
Provas
Para responder à questão, quando necessário, considere:
π = 3,14 √2 = 1,41
Provas
Para responder à questão, quando necessário, considere:
π = 3,14 √2 = 1,41
No momento em que ocorre uma transição ativa na entrada de clock de um flip-flop, o tempo de preparação e o tempo de manutenção são importantes para a confiabilidade da resposta às entradas de controle.
De acordo com esses parâmetros, o tempo de
Provas
Para responder à questão, quando necessário, considere:
π = 3,14 √2 = 1,41
Provas
Para responder à questão, quando necessário, considere:
π = 3,14 √2 = 1,41
Provas
Para responder à questão, quando necessário, considere:
π = 3,14 √2 = 1,41
Um retificador de onda completa em ponte, que utiliza diodos de silício (VD= 0,7 V), possui uma entrada senoidal de 220 Vrms e uma carga de 3,3 kΩ.
Os valores da tensão CC aplicada na carga, da especificação da tensão de pico inversa (PIV) máxima para os diodos e da corrente máxima por meio dos diodos durante a condução, respectivamente, são
Provas
Caderno Container