Foram encontradas 40 questões.
Ao prever um sistema de aterramento para uma instalação elétrica, o corpo técnico deve considerar vários fatores para determinar a topologia mais apropriada. Por exemplo, se a instalação elétrica prevê que a continuidade do serviço é essencial, como hospitais e data centers, é preciso pensar em um sistema que seja imune a uma falha à terra. Nesse caso, o sistema mais adequado seria o aterramento
Provas
Os transformadores eletromagnéticos são componentes amplamente utilizados, em equipamentos, para alterar um patamar de tensão de corrente alternada (CA) para outro por meio da manipulação do campo magnético criado ao redor de um condutor energizado, que é potencializado no centro de uma bobina. No entanto, esses dispositivos não funcionam sob uso em corrente contínua (CC) em razão
Provas
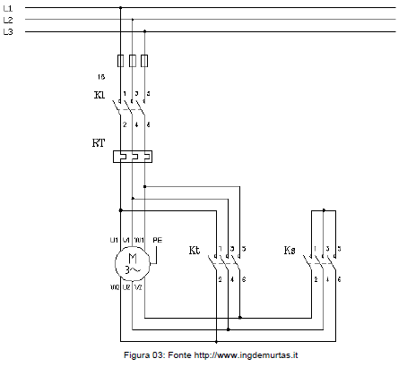
Alguns motores elétricos trifásicos assíncronos podem apresentar elevada potência e, por consequência, uma elevada corrente de partida. Para mitigar o problema da corrente de partida é preciso de um circuito de partida, como o da imagem a seguir (Figura 03).

Esse diagrama apresenta o esquema de uma
Provas
Um estudante do Curso Técnico em Eletrotécnica do IFRN deseja estudar sobre o comportamento dinâmico de indutores e capacitores em corrente alternada e construiu o seguinte circuito (Figura 02).

Dadas as características postas, o valor de pico (IMAX) da corrente que a fonte fornecerá para esse arranjo será de, aproximadamente,
Provas
Um sensor ambiental com interface digital serial fornece informações sobre temperatura (em °C) e umidade relativa do ar (em %) por meio de uma palavra binária de 2 bytes (16 bits). A estrutura é a seguinte: o bit mais significativo (MSB) indica “1” quando o sensor efetuou a leitura adequadamente; o bit seguinte é o sinal da temperatura: “0” indica temperatura positiva, e “1” indica temperatura negativa; os 7 bits seguintes indicam o módulo da temperatura; os 7 bits restantes (menos significativos) indicam a umidade. Ao realizar duas leituras com esse sensor via serial, um técnico obteve as seguintes palavras hexadecimais: 0x8CCB (Sensor 1) e 0x9263 (Sensor 2). Esses sensores estavam indicando, respectivamente,
Provas
Os varistores são elementos cuja resistência elétrica muda de valor em função da tensão elétrica aplicada em seus terminais. Esses elementos são comumente utilizados em circuitos para a confecção de
Provas
Em instalações elétricas, sobretudo residenciais, é preciso utilizar elementos de proteção à instalação e aos usuários. O dispositivo que é capaz de fornecer proteção, ao mesmo tempo, à fuga de corrente (choque elétrico), sobrecarga e curtos-circuitos é o
Provas
O diagrama abaixo (Figura 01) apresenta uma topologia de um circuito, em corrente contínua, com regulador de tensão a diodo zener. A tensão de regulação do diodo zener é de 9V e sua potência máxima é de 900mW. A fonte de tensão V1 é variável. Os valores dos resistores em série (Rs) e de carga (Rc) são, respectivamente, !$ 250 \Omega !$ e !$ 750 \Omega !$.

Dadas essas condições, os valores limítrofes da fonte V1 para que o diodo zener sempre esteja conduzindo, sem extrapolar sua potência máxima, são, respectivamente,
Provas
Provas
Provas
Caderno Container