Foram encontradas 40 questões.
O circuito magnético representado pela figura abaixo é formado por um núcleo de material ferromagnético com permeabilidade relativa μr = 10000, área da secção transversal de 10 cm2 e caminho médio de 25cm. Sabendo que a bobina utilizada no circuito possui 160 espiras, qual o valor da corrente elétrica i necessária para gerar um fluxo magnético igual a 0,04Wb? Adote μ0 = 1,25 x 10-6H/m.


Provas
Questão presente nas seguintes provas
Para o projeto de luminotécnica de um
ginásio com área de 400 m², exige-se o nível de
iluminamento de 300 lux. Dado que o fator de
utilização do local é 0,8 e que o fator de
depreciação é 0,75, assinale a ÚNICA afirmativa
que apresenta a melhor solução (lâmpada e
luminária) em termos de custo, para atendimento
a esse projeto. Considere que a eficiência
energética [lúmens/watt] de todas as alternativas
é idêntica.
Provas
Questão presente nas seguintes provas
Analise as seguintes afirmativas a respeito de
motores de indução:
I. No motor de indução, a corrente alternada é fornecida por meio de escovas ao rotor, e por meio da indução o estator também é energizado. II. Motores de indução podem ter sua velocidade controlada variando a frequência da tensão aplicada a ele. III. Motores de indução monofásicos de fase dividida possuem um enrolamento de partida que auxilia no arranque do motor. Este enrolamento é excitado com uma corrente que deve estar em fase com a corrente do enrolamento principal.
Assinale a alternativa que contém toda(s) a(s) afirmativa(s) CORRETA(S):
I. No motor de indução, a corrente alternada é fornecida por meio de escovas ao rotor, e por meio da indução o estator também é energizado. II. Motores de indução podem ter sua velocidade controlada variando a frequência da tensão aplicada a ele. III. Motores de indução monofásicos de fase dividida possuem um enrolamento de partida que auxilia no arranque do motor. Este enrolamento é excitado com uma corrente que deve estar em fase com a corrente do enrolamento principal.
Assinale a alternativa que contém toda(s) a(s) afirmativa(s) CORRETA(S):
Provas
Questão presente nas seguintes provas
Sobre a utilização de instrumentos de
medição de grandezas elétricas, é CORRETO
afirmar que:
Provas
Questão presente nas seguintes provas
Com base no Regulamento de Instalações
Consumidoras em Média Tensão da Companhia
Estadual de Energia Elétrica (CEEE) analise as
seguintes afirmativas:
I. Toda unidade consumidora deve ter proteção geral contra curto-circuito e sobrecarga. II. Toda unidade consumidora deve possuir disjuntor geral de média tensão na subestação de entrada de energia. III. No lado secundário (baixa tensão), o transformador deve ter um disjuntor para proteção contra sobrecargas e curtos-circuitos.
Assinale a alternativa que contém toda(s) a(s) afirmativa(s) CORRETA(S):
I. Toda unidade consumidora deve ter proteção geral contra curto-circuito e sobrecarga. II. Toda unidade consumidora deve possuir disjuntor geral de média tensão na subestação de entrada de energia. III. No lado secundário (baixa tensão), o transformador deve ter um disjuntor para proteção contra sobrecargas e curtos-circuitos.
Assinale a alternativa que contém toda(s) a(s) afirmativa(s) CORRETA(S):
Provas
Questão presente nas seguintes provas
Assinale a alternativa que contém a
afirmação INCORRETA sobre medidas de
proteção para reduzir danos a pessoas devido a
choque elétrico.
Provas
Questão presente nas seguintes provas
Com base no Regulamento de Instalações
Consumidoras em Média Tensão da Companhia
Estadual de Energia Elétrica (CEEE), analise as
seguintes afirmativas acerca do aterramento
elétrico:
I. A resistência de aterramento deve ser igual ou inferior a 10 ohms em qualquer época do ano. II. A ligação entre os para-raios e o sistema de aterramento deve ser através de condutor de cobre nu independente e seção mínima de 25 mm². III. A distância mínima entre hastes, quando necessário utilizar mais de uma, é de 5 metros.
Assinale a alternativa que contém toda(s) a(s) afirmativa(s) CORRETA(S):
I. A resistência de aterramento deve ser igual ou inferior a 10 ohms em qualquer época do ano. II. A ligação entre os para-raios e o sistema de aterramento deve ser através de condutor de cobre nu independente e seção mínima de 25 mm². III. A distância mínima entre hastes, quando necessário utilizar mais de uma, é de 5 metros.
Assinale a alternativa que contém toda(s) a(s) afirmativa(s) CORRETA(S):
Provas
Questão presente nas seguintes provas
Sobre a Norma Brasileira ABNT NBR 5410,
pode-se afirmar que:
I. Aplica-se aos circuitos elétricos alimentados sob tensão nominal igual ou inferior a 1000 V em corrente alternada, com frequências inferiores a 400 Hz, ou a 1500 V em corrente contínua. II. Aplica-se aos circuitos elétricos internos aos equipamentos, funcionando sob uma tensão superior a 1000 V e alimentados através de uma instalação de tensão igual ou inferior a 1000 V em corrente alternada (por exemplo, circuitos de lâmpadas a descarga, precipitadores eletrostáticos, etc.). III. Aplica-se aos circuitos elétricos alimentados sob tensão nominal igual ou inferior a 1000 V em corrente alternada, com frequências inferiores a 400 Hz, ou a 2300 V em corrente contínua.
Assinale a alternativa que contém toda(s) a(s) afirmativa(s) CORRETA(S):
I. Aplica-se aos circuitos elétricos alimentados sob tensão nominal igual ou inferior a 1000 V em corrente alternada, com frequências inferiores a 400 Hz, ou a 1500 V em corrente contínua. II. Aplica-se aos circuitos elétricos internos aos equipamentos, funcionando sob uma tensão superior a 1000 V e alimentados através de uma instalação de tensão igual ou inferior a 1000 V em corrente alternada (por exemplo, circuitos de lâmpadas a descarga, precipitadores eletrostáticos, etc.). III. Aplica-se aos circuitos elétricos alimentados sob tensão nominal igual ou inferior a 1000 V em corrente alternada, com frequências inferiores a 400 Hz, ou a 2300 V em corrente contínua.
Assinale a alternativa que contém toda(s) a(s) afirmativa(s) CORRETA(S):
Provas
Questão presente nas seguintes provas
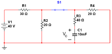
Considere que o circuito representado pela
figura abaixo encontra-se em regime permanente
e no momento t=0s a chave S1 abre. Qual das
alternativas apresenta a equação da tensão sobre
o capacitor, Vc(t) , para t > 0s ?


Provas
Questão presente nas seguintes provas
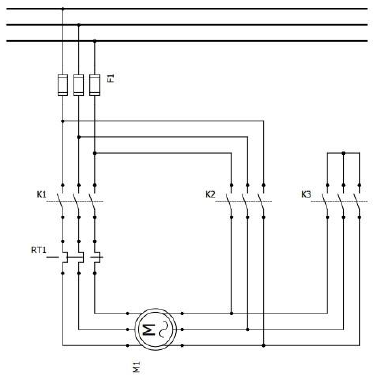
Considere a figura abaixo, que representa o
diagrama de força de um acionamento do tipo
partida estrela-triângulo de um motor de indução
trifásico com corrente nominal 173 A, 220 V, seis
terminais e fator de serviço unitário. A rede é de
220 V e 60 Hz. As contatoras são K1, K2 e K3, da
esquerda para a direita. Assinale a alternativa que
contém as correntes mínimas dimensionadas
para as contatoras K1, K2 e K3, respectivamente,
em regime permanente.


Provas
Questão presente nas seguintes provas
Cadernos
Caderno Container