Foram encontradas 50 questões.
Quais são os principais benefícios do método de sintonia por Método do Relé?
Provas
Questão presente nas seguintes provas
Sobre o método de sintonia por Ziegler-Nichols, assinale a alternativa que descreve
corretamente o comportamento do sistema.
Provas
Questão presente nas seguintes provas
– O que significa o termo "variável de processo", utilizado em sistemas de controle de
processos?
Provas
Questão presente nas seguintes provas
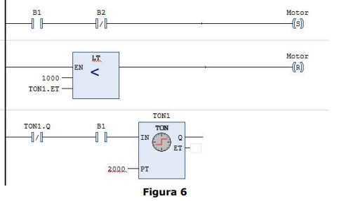
Um Projeto construído para um CLP foi programado em uma linguagem denominada
“Ladder”, como apresentado na Figura 6 abaixo. Assinale a alternativa que descreve corretamente o
comportamento do sistema.


Provas
Questão presente nas seguintes provas
Um projeto construído para um CLP (Controlador Lógico Programável) foi programado
em uma linguagem denominada “Ladder”, como apresentado na Figura 5 abaixo. Assinale a alternativa
que descreve corretamente o comportamento do sistema.


Provas
Questão presente nas seguintes provas
Os protocolos de redes industriais são códigos criados para que os computadores
possam “conversar” e realizar uma série de processos. Sobre essas redes, é INCORRETO afirmar que:
Provas
Questão presente nas seguintes provas
Os sensores fotoelétricos são elementos muito importantes para percepção e
identificação de objetos e apresentam principalmente três maneiras de detecção: por reflexão, por
barreira e difuso. Sobre esses sensores, é correto afirmar que:
Provas
Questão presente nas seguintes provas
Considerando os algarismos significativos em uma soma de dois valores, os números
178,7 e 14,03, é correto afirmar que a soma desses números é:
Provas
Questão presente nas seguintes provas
É INCORRETO afirmar que o dispositivo de segurança contra contatos ou fugas
elétricas chamado de Diferencial Residual (DR) para proteção contra contatos diretos é utilizado:
Provas
Questão presente nas seguintes provas
Em relação aos instrumentos de medidas elétricas aplicados aos circuitos de Corrente Contínua (CC), analise as assertivas abaixo:
I. Para observar o valor da tensão elétrica, deve-se utilizar um multímetro digital, pois ele mostra diretamente o valor DC.
II. Para observar diretamente a potência dissipada em um resistor, pode-se utilizar somente um voltímetro.
III. Para medir a corrente DC, deve-se usar um decibelímetro digital, pois ele fornece a corrente já nesse formato DC.
IV. A tensão elétrica pode ser medida diretamente por um ohmímetro.
Quais estão INCORRETAS?
I. Para observar o valor da tensão elétrica, deve-se utilizar um multímetro digital, pois ele mostra diretamente o valor DC.
II. Para observar diretamente a potência dissipada em um resistor, pode-se utilizar somente um voltímetro.
III. Para medir a corrente DC, deve-se usar um decibelímetro digital, pois ele fornece a corrente já nesse formato DC.
IV. A tensão elétrica pode ser medida diretamente por um ohmímetro.
Quais estão INCORRETAS?
Provas
Questão presente nas seguintes provas
Cadernos
Caderno Container