Foram encontradas 50 questões.
Considere o circuito abaixo:

A tensão de saída deste retificador em ponte é um sinal de:
Provas
Considere as figuras abaixo, que representam símbolos de tiristores.

As figuras I e II são símbolos, respectivamente, dos seguintes componentes:
Provas
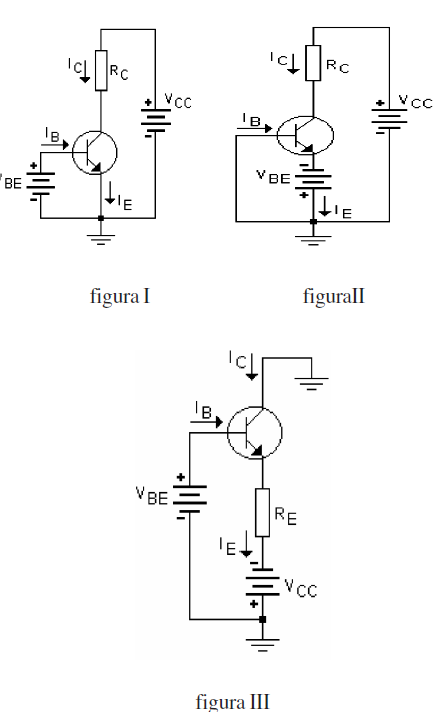
Os transistores podem ser ligados de três configurações básicas, mostradas abaixo:

As figuras I, II e III indicam, respectivamente, as seguintes configurações:
Provas
Observe a figura abaixo, que representa um amplificador operacional não inversor e que funciona como multiplicador de ganho constante:

Se Vi=2V, R1=100 k!$ \Omega !$ e Rf=500k!$ \Omega !$, o valor para a tensão de saída Vo , em volts, é de:
Provas
Fator de Potência é a razão da potência ativa ou potência real pela potência total ou potência aparente, e está diretamente associado à medida de desempenho no aproveitamento otimizado da energia elétrica oferecida pela distribuidora de energia. No Brasil, de acordo com as Normas da ABNT, o Fator de Potência é considerado alto a partir do seguinte valor:
Provas
No circuito RC série abaixo, verifica-se que a corrente capacitiva é a mesma resistiva e total:

Com relação ao diagrama fasorial e tendo como referência a tensão no capacitor, a corrente através do capacitor está na seguinte condição:
Provas
Observe o circuito abaixo:

A corrente I é igual ao seguinte valor:
Provas
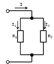
O circuito abaixo representa um divisor de corrente

Para I = 120 mA, R1 = 160 !$ \Omega !$ e R2 = 40 !$ \Omega !$, os valores de I1 e I2 , em mA, são, respectivamente:
Provas
Um divisor de tensão é formado por uma associação de resistores de 3 k!$ \Omega !$, 5 k!$ \Omega !$ e de 10 k!$ \Omega !$ em série. A corrente é igual a 15 mA. A tensão total e a ddp no resistor de 5 k!$ \Omega !$ são iguais, respectivamente, a:
Provas
Observe o código de cores da tabela e a figura abaixo, que representa um resistor.
| 0 | Preto | 5 | Verde | Tolerância |
| 1 | Castanho | 6 | Azul | Prata-10% |
| 2 | Vermelho | 7 | Violeta | Ouro-5% |
| 3 | Laranja | 8 | Cinzento | S/faixa-20% |
| 4 | Amarelo | 9 | Branco |

A resistência elétrica é igual ao seguinte valor:
Provas
Caderno Container