Foram encontradas 59 questões.
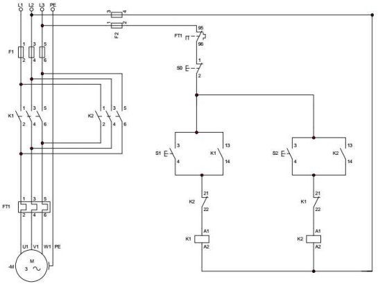
A figura abaixo mostra o comando elétrico de uma chave partida.

Sobre o circuito acima, podemos afirmar:
I. O circuito se trata de uma chave de partida direta com reversão.
II. O elemento FT1 é o dispositivo de proteção contra a corrente de curto-circuito.
III. Os terminais 21 e 22 dos contatores K1 e K2 tem a função de realizar o selo.
A(s) afirmativa(s) correta(s) é (são):
Provas
A respeito dos esquemas de aterramento, é correto afirmar que:
Provas
Sobre a subestação elétrica de um consumidor em média tensão que alimenta suas cargas em baixa tensão podemos afirmar que:
Provas
Um motor de indução trifásico de 11,4cv, 4 pólos, rendimento η= 86,6% e fator de potência cosφ = 0,736 está ligado em estrela a uma rede elétrica trifásica com tensão de 380 V e frequência de 60 Hz. Qual é a velocidade de rotação síncrona e a corrente de linha aproximada quando o mesmo entra em regime de plena carga. (Considere 1cv = 736W e !$ \sqrt{3} !$ = 1,732
Provas
A utilização de dispositivos de proteção em instalação elétrica é fundamental para garantir a segurança nas instalações em baixa e média tensão. Assinale a alternativa incorreta:
Provas
Um circuito RL em série possui os seguintes valores:
resistência de 1Ω e indutância de !$ \dfrac{1}{120\pi} !$ H Esse circuito é alimentado por um gerador senoidal ideal com tensão eficaz de 220V e frequência de 60Hz. Considerando que um capacitor de !$ \dfrac{1}{120\pi} !$ F foi colocado em série com o circuito RL anterior, o fator de potência do circuito antes e depois de inserir o capacitor são respectivamente: (considere !$ \sqrt{2} !$ =1,414 e !$ \sqrt{3} !$ = 1,732).
Provas
Disciplina: Segurança e Saúde no Trabalho (SST)
Banca: IF-Sertão
Orgão: IF Sertão
As seguintes afirmativas estão relacionadas aos sistemas de aterramento.
I – De acordo com a NBR 5410, os vários tipos de aterramentos são definidos por um conjunto de letras. Sendo: a) A primeira letra indica a situação da alimentação em relação à terra; b) A segunda letra indica a situação das massas em relação à terra; c) Eventualmente, outras letras servem para indicar a disposição do condutor neutro e do condutor de proteção.
II – Em um sistema de aterramento TN-C-S as funções de neutro e condutor de proteção são combinadas em um único condutor ao longo de toda a instalação.
III - Nas instalações elétricas há dois tipos de aterramento: a) Aterramento funcional: geralmente consiste na ligação à terra do condutor de neutro, definindo a terra como referencial da tensão da instalação; b) Aterramento de proteção: consiste em ligar à terra as massas (carcaças) dos equipamentos e os elementos condutores estranhos à instalação.
Provas
Um gerador síncrono trifásico cuja tensão de linha é 480 V e 60 Hz, de 6 polos, conectado em estrela tem uma reatância síncrona de 1 Ω por fase. Sabe-se que sua corrente de armadura a plena carga é de 60 A, com um fator de potência de 0,8 atrasado. Além disso, as perdas por atrito e ventilação do referido gerador são 1,5 kW e as perdas no rotor são 1 kW, na frequência nominal a plena carga. Considere que a resistência da armadura seja nula, portanto as perdas RI2 na armadura são desprezíveis. Na condição nominal de operação, qual é a velocidade de rotação desse gerador em rad/s? Sabendo-se que a tensão terminal do mesmo é 237 V por fase, qual é a potência de entrada dessa máquina?
Provas
Todos os parâmetros/grandezas listados nas alternativas abaixo são extremamente relevantes para o dimensionamento de um condutor de uma instalação elétrica, independentemente do método empregado, exceto:
Provas
Um motor de indução trifásico de 10 cv, quatro polos, 60 Hz, conectado em estrela está sendo alimentado por uma rede de distribuição secundária cuja tensão de linha é 380 V. Quando o mesmo está submetido às condições nominais de operação (carga nominal) apresenta um escorregamento de 3%. Diante dessas condições operacionais, qual a velocidade do rotor?
Provas
Caderno Container