Foram encontradas 100 questões.
Considere um circuito com duas portas lógicas do tipo AND colocadas em série, com a saí
da da primeira porta AND conectada em uma das
entradas da segunda porta AND. Sabendo-se que
cada porta lógica AND admite apenas duas entra
das, pode-se afirmar que o número de combinações possíveis para as entradas desse circuito é:
Provas
Questão presente nas seguintes provas
Uma válvula de controle pneumática é utilizada para regular o fluxo de água em uma linha de
processo. Ela possui atuador de mola e diafragma
com ação “ar para abrir” (Air-to-Open - ATO) e é
comandada por um sinal de 4–20 mA proveniente
de um transmissor/ controlador.
Durante a operação, quando o sinal aumenta de 4 mA para 20 mA, o que acontece com a posição da válvula?
Durante a operação, quando o sinal aumenta de 4 mA para 20 mA, o que acontece com a posição da válvula?
Provas
Questão presente nas seguintes provas
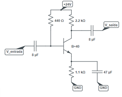
Em alguns circuitos que fazem a utilização
de transistores, o nível de aumento da saída AC
depende da transferência de energia das fontes DC
aplicadas. O circuito a seguir é um circuito típico
transistorizado de polarização estável do emissor.
Fonte: IFSP , 2025.
Com base no circuito mostrado acima, podemos afirmar que o valor aproximado da corrente de saturação é:
Fonte: IFSP , 2025.
Com base no circuito mostrado acima, podemos afirmar que o valor aproximado da corrente de saturação é:
Provas
Questão presente nas seguintes provas
Inversores de frequência são equipamentos
eletrônicos amplamente utilizados na indústria. Eles
permitem manobras em motores elétricos como
controle de velocidade durante e depois da partida.
Sobre inversores de frequência é correto afirmar:
Provas
Questão presente nas seguintes provas
Em uma indústria existem muito motores
trifásicos que são ligados e permanecem em funcionamento durante o mesmo período de tempo.
Durante o perído de operação destes motores a potência aparente é de 1700 MVA e a potência ativa
de 1500 MW. Com o intuito de corrigir o fator de
potência, deixando seu valor unitário, durante a
operação dos motores, deve ser instalado um banco de capacitores trifásico de:
Provas
Questão presente nas seguintes provas
Um técnico está realizando a integração de
uma planta industrial a um Controlador Lógico Programável (CLP), que envia as informações do processo para um sistema supervisório SCADA. Para
a medição de nível de um tanque, foi especificado
um transmissor com saída de 4 a 20 mA, em vez de
utilizar um transmissor com saída de 0 a 20 mA.
Além da maior imunidade a ruídos elétricos, característica da transmissão em corrente, qual é a principal vantagem técnica de se utilizar o padrão com zero vivo (início da escala em 4 mA e não em 0 mA) para o diagnóstico de falhas no sistema?
Além da maior imunidade a ruídos elétricos, característica da transmissão em corrente, qual é a principal vantagem técnica de se utilizar o padrão com zero vivo (início da escala em 4 mA e não em 0 mA) para o diagnóstico de falhas no sistema?
Provas
Questão presente nas seguintes provas
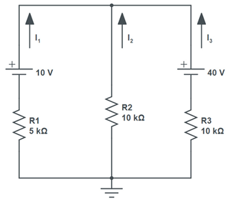
Um estudante analisa o circuito misto ali
mentado por duas fontes de tensão, apresentado
na figura abaixo, para determinar os parâmetros de
operação do resistor central (R2)
Fonte: IFSP 2025.
Assinale a alternativa que representa o valor da corrente I2 e da potência elétrica total dissipada pelo resistor R2, respectivamente.
Fonte: IFSP 2025.
Assinale a alternativa que representa o valor da corrente I2 e da potência elétrica total dissipada pelo resistor R2, respectivamente.
Provas
Questão presente nas seguintes provas
Para realizar o controle de velocidade de
uma esteira, um inversor de frequência foi conectado a um CLP através de uma rede industrial. A
instalação física foi feita utilizando um em padrão
RS-485, cabo com apenas um par de fios, conecta
dos aos bornes identificados como A e B (ou D+ e
D-) no inversor.
Sabendo que a comunicação configurada é do tipo serial e segue a hierarquia onde o CLP envia comandos e o inversor apenas responde (Mestre/Es cravo), assinale a alternativa que corresponde ao protocolo utilizado:
Sabendo que a comunicação configurada é do tipo serial e segue a hierarquia onde o CLP envia comandos e o inversor apenas responde (Mestre/Es cravo), assinale a alternativa que corresponde ao protocolo utilizado:
Provas
Questão presente nas seguintes provas
Durante uma aula prática em um labora
tório de acionamentos elétricos, uma das bancadas
apresentou uma falha operacional. O técnico do
laboratório foi acionado para realizar uma manutenção corretiva no equipamento visando a substituição de um contato auxiliar na gaveta de partida direta. Como a desenergização geral inviabiliza
ria a continuidade da aula nas demais bancadas,
o técnico procedeu com o isolamento elétrico exclusivo do módulo defeituoso. A fim de garantir a
segurança e integridade de todos os presentes, ele
executou a seguinte sequência de procedimentos
operacionais:
Passo 1 - Seccionamento: Desligou o disjuntor que alimenta o módulo de bancada.
Passo 2 - Impedimento de reenergização: Aplicou o travamento mecânico com cadeado e etiqueta de bloqueio no disjuntor.
Passo 3 - Constatação da ausência de tensão: Uti lizou um multímetro digital para certificar que não havia tensão nos terminais de saída do disjuntor e de entrada do comando elétrico.
Passo 4 - Proteção dos elementos energizados na zona controlada: Instalou anteparos isolantes nos barramentos vizinhos que permaneceram energizados. Passo 5 - Instalação de sinalização de impedimento de reenergização: Posicionou placas e cones de alerta ao redor da bancada indicando a manutenção. Tendo finalizado esses passos, o técnico deu início a substituição do contato auxiliar.
Considerando o item 10.5 da NR-10, que trata da Segurança em Instalações Elétricas Desenergiza das, é correto afirmar que, no início da substituição do contato auxiliar, o painel encontrava-se:
Passo 1 - Seccionamento: Desligou o disjuntor que alimenta o módulo de bancada.
Passo 2 - Impedimento de reenergização: Aplicou o travamento mecânico com cadeado e etiqueta de bloqueio no disjuntor.
Passo 3 - Constatação da ausência de tensão: Uti lizou um multímetro digital para certificar que não havia tensão nos terminais de saída do disjuntor e de entrada do comando elétrico.
Passo 4 - Proteção dos elementos energizados na zona controlada: Instalou anteparos isolantes nos barramentos vizinhos que permaneceram energizados. Passo 5 - Instalação de sinalização de impedimento de reenergização: Posicionou placas e cones de alerta ao redor da bancada indicando a manutenção. Tendo finalizado esses passos, o técnico deu início a substituição do contato auxiliar.
Considerando o item 10.5 da NR-10, que trata da Segurança em Instalações Elétricas Desenergiza das, é correto afirmar que, no início da substituição do contato auxiliar, o painel encontrava-se:
Provas
Questão presente nas seguintes provas
Em um sistema de refrigeração industrial, um transdutor de temperatura é utilizado para enviar o sinal de processo para um indicador digital de painel. O instrumento foi calibrado para operar em uma faixa de medição que vai de -50 °C a +50 °C, fornecendo uma saída linear de corrente de 0 a 10 mA.
Durante uma verificação de rotina com um multímetro, constatou-se que a corrente de saída do transdutor está estabilizada em 3,0 mA. Assinale a alternativa que apresenta o valor correto da tempe ratura indicada no painel.
Provas
Questão presente nas seguintes provas
Cadernos
Caderno Container