Foram encontradas 40 questões.
Um motor de indução de oito polos opera em regime permanente acionando uma carga cuja equação do torque (TC) × velocidade (N) é dada por TC = k2N, onde k2 é uma constante. Se a curva torque (TM) × velocidade (N) do motor nas proximidades da velocidade síncrona (NS) pode ser aproximada pela equação TM = k1 (NS − N), onde k1 é uma constante, o escorregamento do motor nessa situação é
Provas
Questão presente nas seguintes provas
Analise as seguintes afirmativas relacionadas a NBR 5413-1992:
I. Quando o peso dos fatores determinantes da iluminância adequada for igual a +1 deve ser usado o valor máximo (superior) recomendado nas tabelas de iluminância.
II. Nesta norma é permitido elevar a iluminância em limitado campo de trabalho, através de iluminação suplementar.
III. A iluminância no restante do ambiente não deve ser inferior a 1/10 da adotada para o campo de trabalho, mesmo que haja recomendação para valor menor.
Estão corretas as afirmativas
Provas
Questão presente nas seguintes provas
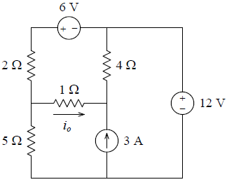
No circuito ao lado, a corrente io vale:

Provas
Questão presente nas seguintes provas
A regulagem de velocidade do avanço de um cilindro de dupla ação trabalhando com grandes volumes de carga é realizada através da válvula de vazão
Provas
Questão presente nas seguintes provas
Analise as seguintes afirmativas relacionadas a NBR 5410-2004:
I. Os pontos de tomada de uso específico devem ser localizados no máximo a 1,5 m do ponto previsto para a localização do equipamento a ser alimentado.
II. O número de pontos de tomada são determinados somente em função do perímetro do cômodo ou dependência.
III. Em varandas, deve ser previsto pelo menos um ponto de tomada. Admiti-se que este ponto de tomada não seja instalado na própria varanda, mas próximo ao seu acesso, quando a varanda, por razões construtivas, não comportar o ponto de tomada, quando sua área for inferior a 2 m2 ou, ainda, quando sua profundidade for inferior a 0,80 m.
Estão corretas as afirmativas
Provas
Questão presente nas seguintes provas
Para trabalhar com saídas de níveis diferentes de tensão e tipos como CC ou CA, no mesmo CLP, ou seja, mesma máquina, o tipo de Controlador Lógico Programável indicado é
Provas
Questão presente nas seguintes provas
Que elemento devemos utilizar para abortar a operação de uma máquina que opere com cilindro de dupla ação com comando 5/2 vias acionada por ar piloto ou acréscimo de pressão e retorno por mola?
Provas
Questão presente nas seguintes provas
Um gerador síncrono trifásico alimenta uma carga trifásica resistiva pura, com tensão e frequência constantes. È correto afirmar que, à medida que se aumenta a corrente de excitação do campo principal da máquina síncrona, que alimenta a carga citada, a frequência do gerador síncrono:
Provas
Questão presente nas seguintes provas
No Controlador Lógico Programável “CLP”, digital com programação Ledder, devemos colocar na programação um contato contrário ao que seria em uma montagem sem CLP, ou seja, através de relé eletromecânico, quando
Provas
Questão presente nas seguintes provas
Quanto à potência mínima de iluminação e tomadas, segundo a NBR 5410/2004, para as seguintes dependências:
!$ \bullet !$ cozinha: comprimento de 3,5 m e largura 3 m;
!$ \bullet !$ banheiro: comprimento de 2 m e largura 1,5 m;
!$ \bullet !$ quarto: comprimento de 5 m e largura 4 m.
É correto afirmar que a soma das potências dos 3 ambientes é
Provas
Questão presente nas seguintes provas
Cadernos
Caderno Container