Foram encontradas 50 questões.
- EletrotécnicaCircuitos Elétricos em Eletricidade
- EletrotécnicaCircuitos de Corrente Contínua e de Corrente Alternada
I. O sinal de saída vo, no intervalo de 0 a t1 será 5V e de t2 a t3 será 5V.
II. O sinal de saída vo, no intervalo de t1 a t2 será - 35V.
III. O sinal de saída vo, no intervalo de t1 a t2 será 35V.
IV. O sinal de saída vo, no intervalo de 0 a t1 será - 5V e de t2 a t3 será -5V.
Com relação às afirmativas acima, é correto afirmar que:
Provas
- EletrotécnicaCircuitos Elétricos em Eletricidade
- EletrotécnicaCircuitos de Corrente Contínua e de Corrente Alternada

Provas
- EletrotécnicaCircuitos Elétricos em Eletricidade
- EletrotécnicaCircuitos de Corrente Contínua e de Corrente Alternada

Provas
As figuras a seguir representam as curvas de tensão e corrente, em função do tempo, de um capacitor. Analisando essas mesmas figuras é correto afirmar:

Provas
- EletrotécnicaCircuitos Elétricos em Eletricidade
- EletrotécnicaCircuitos de Corrente Contínua e de Corrente Alternada
A figura a seguir representa o circuito de carga de um capacitor, com uma fonte de tensão de 30V, resistências R1=10kΩ e R2=15kΩ, uma chave normalmente aberta S1 e um capacitor de C1=10µF. A função que representa Vc(t), no instante do fechamento da chave S1, será:

Provas
- EletrotécnicaCircuitos Elétricos em Eletricidade
- EletrotécnicaCircuitos de Corrente Contínua e de Corrente Alternada
Um circuito em triângulo com resistências RA=RΩ, RB=2RΩ e RC=3RΩ ao ser convertido em um circuito em estrela terá as resistências R1, R2 e R3, conforme indicam as figuras abaixo. Os valores de R1, R2 e R3, nessa ordem, serão respectivamente: (considere que R é um número que compõe o valor da resistência)

Provas
- EletrotécnicaCircuitos Elétricos em Eletricidade
- EletrotécnicaCircuitos de Corrente Contínua e de Corrente Alternada
A figura a seguir representa um circuito conhecido como divisor de corrente. Considere os valores das resistências R1 = 5Ω e R2 = (d/3)Ω (onde d é um número real e positivo), I1 a corrente que circula por R1, I2 a corrente que circula por R2 e V a ddp aplicada ao circuito. O valor de d para que a razão entre I1 e I2 seja (3/5) será:

Provas
- EletrotécnicaCircuitos Elétricos em Eletricidade
- EletrotécnicaCircuitos de Corrente Contínua e de Corrente Alternada
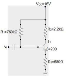
O transistor bipolar de junção do circuito da figura a seguir tem um ganho β = 50. Os valores da corrente no coletor e da corrente de saturação do coletor são, respectivamente:

Provas
- EletrotécnicaCircuitos Elétricos em Eletricidade
- EletrotécnicaCircuitos de Corrente Contínua e de Corrente Alternada
Considere o circuito da figura a seguir. O valor mínimo de RL que manterá a tensão em cima do diodo Zener em 6 V é :

Provas
- EletrotécnicaCircuitos Elétricos em Eletricidade
- EletrotécnicaCircuitos de Corrente Contínua e de Corrente Alternada
Considerando a queda de tensão de um diodo de silício igual a 0,7 V, a corrente I do circuito é:

Provas
Caderno Container