Foram encontradas 50 questões.
Sobre o uso de sistema elétrico de potência interligado no Brasil, representado como Sistema interligado Nacional – SIN, analise as afirmativas a seguir:
I O uso de sistemas interligados aumenta a estabilidade, o sistema torna-se mais robusto, podendo absorver, sem perda de sincronismo, maiores impactos elétricos.
II Há um aumento na confiabilidade, pois permite a continuidade do serviço em decorrência da falha ou manutenção de equipamento, permitindo uso de rotas alternativas para fluxo da energia.
III Como desvantagem, esse sistema é mais vulnerável a distúrbios, pois um distúrbio em um sistema afeta os demais interligados.
IV A operação e a proteção desse sistema tornam-se mais complexas e caras.
É correto apenas o que se afirma em:
Provas
Questão presente nas seguintes provas
AMOR (Adélia Prado)
1. A formosura do teu rosto obriga-me
2. e não ouso em tua presença
3. ou à tua simples lembrança
4. recusar-me ao esmero de permanecer contemplável.
5. Quisera olhar fixamente a tua cara,
6. como fazem comigo soldados e choferes de ônibus.
7. Mas não tenho coragem,
8. Olho só tua mão,
9. a unha polida olho, olho, olho e é quanto basta
10. pra alimentar fogo, mel e veneno deste amor incansável
11. que tudo rói e banha e torna apetecível:
12. cadeiras, desembocaduras de esgotos,
13. ideia de morte, gripe, vestido, sapatos,
14. aquela tarde de sábado,
15. esta que morre agora antes da mesa pacífica:
16. ovos cozidos, tomates,
17. fome dos ângulos duros de tua cara de estátua.
18. Recolho tamancos, flauta, molho de flores, resinas,
19. rispidez de teu lábio que suporto com dor,
20. e mais retábulos, faca, tudo serve e é estilete,
21. lâmina encostada em teu peito. Fala.
22. Fala sem orgulho ou medo
23. que à força de pensar em mim sonhou comigo
24. e passou o dia esquisito,
25. o coração em sobressaltos à campainha da porta,
26. disposto à benignidade, ao ridículo, à doçura. Fala.
27. Nem é preciso que amor seja a palavra.
28. "Penso em você" – me diz e estancarei os féretros,
29. tão grande é a minha paixão.
2. e não ouso em tua presença
3. ou à tua simples lembrança
4. recusar-me ao esmero de permanecer contemplável.
5. Quisera olhar fixamente a tua cara,
6. como fazem comigo soldados e choferes de ônibus.
7. Mas não tenho coragem,
8. Olho só tua mão,
9. a unha polida olho, olho, olho e é quanto basta
10. pra alimentar fogo, mel e veneno deste amor incansável
11. que tudo rói e banha e torna apetecível:
12. cadeiras, desembocaduras de esgotos,
13. ideia de morte, gripe, vestido, sapatos,
14. aquela tarde de sábado,
15. esta que morre agora antes da mesa pacífica:
16. ovos cozidos, tomates,
17. fome dos ângulos duros de tua cara de estátua.
18. Recolho tamancos, flauta, molho de flores, resinas,
19. rispidez de teu lábio que suporto com dor,
20. e mais retábulos, faca, tudo serve e é estilete,
21. lâmina encostada em teu peito. Fala.
22. Fala sem orgulho ou medo
23. que à força de pensar em mim sonhou comigo
24. e passou o dia esquisito,
25. o coração em sobressaltos à campainha da porta,
26. disposto à benignidade, ao ridículo, à doçura. Fala.
27. Nem é preciso que amor seja a palavra.
28. "Penso em você" – me diz e estancarei os féretros,
29. tão grande é a minha paixão.
Colocando uma vírgula depois da palavra “rosto”, a oração estaria:
Provas
Questão presente nas seguintes provas
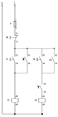
O circuito de comando abaixo é utilizado na partida elétrica de um sistema de bombas hidráulicas. A Bomba 01é acionada pelo contator K1, e a Bomba 02, pelo contator K2.
Analisando o circuito, pode-se definir que os contatos X,Y são contatos auxiliares dos contatores de potência K1 e K2, e a bomba 02 só pode funcionar se a bomba 01 estiver funcionando.
Sabendo disso pode-se afirmar que a função e o contator a qual pertence os contatos X e Y são, respectivamente:

| X | Y | ||
| Função | Contator | Função | Contator |
Provas
Questão presente nas seguintes provas
AMOR (Adélia Prado)
1. A formosura do teu rosto obriga-me
2. e não ouso em tua presença
3. ou à tua simples lembrança
4. recusar-me ao esmero de permanecer contemplável.
5. Quisera olhar fixamente a tua cara,
6. como fazem comigo soldados e choferes de ônibus.
7. Mas não tenho coragem,
8. Olho só tua mão,
9. a unha polida olho, olho, olho e é quanto basta
10. pra alimentar fogo, mel e veneno deste amor incansável
11. que tudo rói e banha e torna apetecível:
12. cadeiras, desembocaduras de esgotos,
13. ideia de morte, gripe, vestido, sapatos,
14. aquela tarde de sábado,
15. esta que morre agora antes da mesa pacífica:
16. ovos cozidos, tomates,
17. fome dos ângulos duros de tua cara de estátua.
18. Recolho tamancos, flauta, molho de flores, resinas,
19. rispidez de teu lábio que suporto com dor,
20. e mais retábulos, faca, tudo serve e é estilete,
21. lâmina encostada em teu peito. Fala.
22. Fala sem orgulho ou medo
23. que à força de pensar em mim sonhou comigo
24. e passou o dia esquisito,
25. o coração em sobressaltos à campainha da porta,
26. disposto à benignidade, ao ridículo, à doçura. Fala.
27. Nem é preciso que amor seja a palavra.
28. "Penso em você" – me diz e estancarei os féretros,
29. tão grande é a minha paixão.
2. e não ouso em tua presença
3. ou à tua simples lembrança
4. recusar-me ao esmero de permanecer contemplável.
5. Quisera olhar fixamente a tua cara,
6. como fazem comigo soldados e choferes de ônibus.
7. Mas não tenho coragem,
8. Olho só tua mão,
9. a unha polida olho, olho, olho e é quanto basta
10. pra alimentar fogo, mel e veneno deste amor incansável
11. que tudo rói e banha e torna apetecível:
12. cadeiras, desembocaduras de esgotos,
13. ideia de morte, gripe, vestido, sapatos,
14. aquela tarde de sábado,
15. esta que morre agora antes da mesa pacífica:
16. ovos cozidos, tomates,
17. fome dos ângulos duros de tua cara de estátua.
18. Recolho tamancos, flauta, molho de flores, resinas,
19. rispidez de teu lábio que suporto com dor,
20. e mais retábulos, faca, tudo serve e é estilete,
21. lâmina encostada em teu peito. Fala.
22. Fala sem orgulho ou medo
23. que à força de pensar em mim sonhou comigo
24. e passou o dia esquisito,
25. o coração em sobressaltos à campainha da porta,
26. disposto à benignidade, ao ridículo, à doçura. Fala.
27. Nem é preciso que amor seja a palavra.
28. "Penso em você" – me diz e estancarei os féretros,
29. tão grande é a minha paixão.
Pelo contexto dos versos, percebe-se que a palavra “só”, morfologicamente, é um (a):
Provas
Questão presente nas seguintes provas
“Várias são as formas de provimento, todas dependentes de um ato administrativo de formalização. O art. 8º da Lei nº 8.112/90 enumera essas formas: nomeação, promoção, readaptação, reversão, aproveitamento, reintegração e recondução. A ascensão e a transferência, anteriormente previstas no dispositivo, foram suprimidas pela Lei nº 9.527, 10.12.97.” (FILHO, José dos Santos Carvalho. Manual de Direito Administrativo. 22 ed. Revista, ampliada e atualizada. Rio de Janeiro: Editora Lumen Juris, 2009, p. 588).
A partir da leitura do texto acima, numere a 2ª coluna de acordo com a 1ª, associando corretamente as formas de provimento de acordo com a lei que dispõe sobre o regime jurídico dos servidores públicos civis da União, das autarquias e suas fundações públicas federais (Lei 8.112/90):
1ª COLUNA
1. Aproveitamento.
2. Readaptação.
3. Reversão.
4. Reintegração.
5. Recondução.
2. Readaptação.
3. Reversão.
4. Reintegração.
5. Recondução.
2ª COLUNA
( ) É a investidura do servidor em cargo de atribuições e responsabilidades compatíveis com a limitação que tenha sofrido em sua capacidade física ou mental verificada em inspeção médica.
( ) É a reinvestidura do servidor estável no cargo anteriormente ocupado, ou no cargo resultante de sua transformação, quando invalidada a sua demissão por decisão administrativa ou judicial, com ressarcimento de todas as vantagens.
( ) É o retorno à atividade de servidor aposentado por invalidez, quanto junta médica oficial declarar insubsistentes os motivos da aposentadoria; ou no interesse da administração.
( ) É o retorno do servidor estável ao cargo anteriormente ocupado e decorrerá de inabilitação em estágio probatório relativo a outro cargo ou reintegração do anterior ocupante.
( ) É o retorno à atividade de servidor em disponibilidade, obrigatoriamente em cargo de atribuições e vencimentos compatíveis com o anteriormente ocupado.
Assinale a sequência correta:
Provas
Questão presente nas seguintes provas
Um gerador trifásico, ligado em triângulo com tensão de linha de 380V, é utilizado para energizar uma carga equilibrada também ligada em triângulo formado por três impedâncias de 38 . Qual das alternativas abaixo corresponde à potência reativa do circuito em VAr?
Dados: Cos 20° = e Sen 20° =0,34
Provas
Questão presente nas seguintes provas
AMOR (Adélia Prado)
1. A formosura do teu rosto obriga-me
2. e não ouso em tua presença
3. ou à tua simples lembrança
4. recusar-me ao esmero de permanecer contemplável.
5. Quisera olhar fixamente a tua cara,
6. como fazem comigo soldados e choferes de ônibus.
7. Mas não tenho coragem,
8. Olho só tua mão,
9. a unha polida olho, olho, olho e é quanto basta
10. pra alimentar fogo, mel e veneno deste amor incansável
11. que tudo rói e banha e torna apetecível:
12. cadeiras, desembocaduras de esgotos,
13. ideia de morte, gripe, vestido, sapatos,
14. aquela tarde de sábado,
15. esta que morre agora antes da mesa pacífica:
16. ovos cozidos, tomates,
17. fome dos ângulos duros de tua cara de estátua.
18. Recolho tamancos, flauta, molho de flores, resinas,
19. rispidez de teu lábio que suporto com dor,
20. e mais retábulos, faca, tudo serve e é estilete,
21. lâmina encostada em teu peito. Fala.
22. Fala sem orgulho ou medo
23. que à força de pensar em mim sonhou comigo
24. e passou o dia esquisito,
25. o coração em sobressaltos à campainha da porta,
26. disposto à benignidade, ao ridículo, à doçura. Fala.
27. Nem é preciso que amor seja a palavra.
28. "Penso em você" – me diz e estancarei os féretros,
29. tão grande é a minha paixão.
2. e não ouso em tua presença
3. ou à tua simples lembrança
4. recusar-me ao esmero de permanecer contemplável.
5. Quisera olhar fixamente a tua cara,
6. como fazem comigo soldados e choferes de ônibus.
7. Mas não tenho coragem,
8. Olho só tua mão,
9. a unha polida olho, olho, olho e é quanto basta
10. pra alimentar fogo, mel e veneno deste amor incansável
11. que tudo rói e banha e torna apetecível:
12. cadeiras, desembocaduras de esgotos,
13. ideia de morte, gripe, vestido, sapatos,
14. aquela tarde de sábado,
15. esta que morre agora antes da mesa pacífica:
16. ovos cozidos, tomates,
17. fome dos ângulos duros de tua cara de estátua.
18. Recolho tamancos, flauta, molho de flores, resinas,
19. rispidez de teu lábio que suporto com dor,
20. e mais retábulos, faca, tudo serve e é estilete,
21. lâmina encostada em teu peito. Fala.
22. Fala sem orgulho ou medo
23. que à força de pensar em mim sonhou comigo
24. e passou o dia esquisito,
25. o coração em sobressaltos à campainha da porta,
26. disposto à benignidade, ao ridículo, à doçura. Fala.
27. Nem é preciso que amor seja a palavra.
28. "Penso em você" – me diz e estancarei os féretros,
29. tão grande é a minha paixão.
Analisando o verbo “rói” no contexto do poema, percebe-se que ele se classifica como:
Provas
Questão presente nas seguintes provas
Analisando o circuito:

Que alternativa corresponde ao valor de R para que a potência dissipada pelo resistor de 4Ω seja igual a zero.
Provas
Questão presente nas seguintes provas
AMOR (Adélia Prado)
1. A formosura do teu rosto obriga-me
2. e não ouso em tua presença
3. ou à tua simples lembrança
4. recusar-me ao esmero de permanecer contemplável.
5. Quisera olhar fixamente a tua cara,
6. como fazem comigo soldados e choferes de ônibus.
7. Mas não tenho coragem,
8. Olho só tua mão,
9. a unha polida olho, olho, olho e é quanto basta
10. pra alimentar fogo, mel e veneno deste amor incansável
11. que tudo rói e banha e torna apetecível:
12. cadeiras, desembocaduras de esgotos,
13. ideia de morte, gripe, vestido, sapatos,
14. aquela tarde de sábado,
15. esta que morre agora antes da mesa pacífica:
16. ovos cozidos, tomates,
17. fome dos ângulos duros de tua cara de estátua.
18. Recolho tamancos, flauta, molho de flores, resinas,
19. rispidez de teu lábio que suporto com dor,
20. e mais retábulos, faca, tudo serve e é estilete,
21. lâmina encostada em teu peito. Fala.
22. Fala sem orgulho ou medo
23. que à força de pensar em mim sonhou comigo
24. e passou o dia esquisito,
25. o coração em sobressaltos à campainha da porta,
26. disposto à benignidade, ao ridículo, à doçura. Fala.
27. Nem é preciso que amor seja a palavra.
28. "Penso em você" – me diz e estancarei os féretros,
29. tão grande é a minha paixão.
2. e não ouso em tua presença
3. ou à tua simples lembrança
4. recusar-me ao esmero de permanecer contemplável.
5. Quisera olhar fixamente a tua cara,
6. como fazem comigo soldados e choferes de ônibus.
7. Mas não tenho coragem,
8. Olho só tua mão,
9. a unha polida olho, olho, olho e é quanto basta
10. pra alimentar fogo, mel e veneno deste amor incansável
11. que tudo rói e banha e torna apetecível:
12. cadeiras, desembocaduras de esgotos,
13. ideia de morte, gripe, vestido, sapatos,
14. aquela tarde de sábado,
15. esta que morre agora antes da mesa pacífica:
16. ovos cozidos, tomates,
17. fome dos ângulos duros de tua cara de estátua.
18. Recolho tamancos, flauta, molho de flores, resinas,
19. rispidez de teu lábio que suporto com dor,
20. e mais retábulos, faca, tudo serve e é estilete,
21. lâmina encostada em teu peito. Fala.
22. Fala sem orgulho ou medo
23. que à força de pensar em mim sonhou comigo
24. e passou o dia esquisito,
25. o coração em sobressaltos à campainha da porta,
26. disposto à benignidade, ao ridículo, à doçura. Fala.
27. Nem é preciso que amor seja a palavra.
28. "Penso em você" – me diz e estancarei os féretros,
29. tão grande é a minha paixão.
Observe a palavra “choferes” representando o plural de “chofer”. Assim, marque a opção que traz o plural INCORRETO:
Provas
Questão presente nas seguintes provas
O gráfico abaixo representa o funcionamento de um elemento utilizado em circuitos de comando e acionamento de máquinas elétricas.

Esse elemento corresponde ao:
Provas
Questão presente nas seguintes provas
Cadernos
Caderno Container