Foram encontradas 50 questões.
I. Os servidores que trabalhem com habitualidade em locais insalubres podem fazer jus a um adicional sobre o vencimento do cargo efetivo;
II. O direito ao adicional de insalubridade ou periculosidade cessa com a melhoria das condições ou dos riscos que deram causa a sua concessão;
III. Na concessão dos adicionais de atividades penosas, de insalubridade e de periculosidade, serão observadas as situações estabelecidas em legislação específica;
IV. O servidor que fizer jus aos adicionais de insalubridade e de periculosidade deverá optar por um deles.
Nos termos da Lei nº 8.112/90, responde a opção adequada:
Provas
Provas
Provas

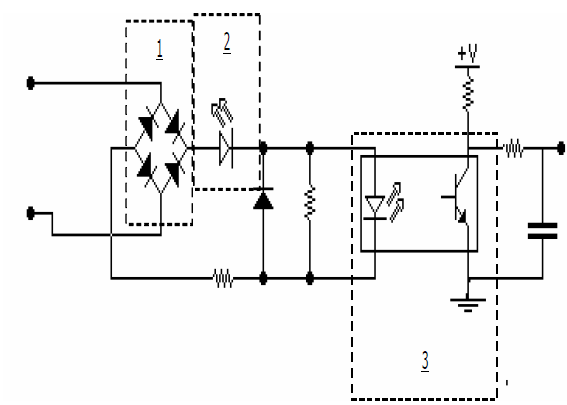
Analisando o circuito que funciona como entrada de um CLP, assinale a alternativa INCORRETA.
Provas
Um controlador de temperatura com range de 300 K a 460 K tem seu valor desejado ajustado em 360 K . Qual é o valor do erro percentual quando a temperatura medida for de 350 K.
Provas

Dois amperímetros foram ligados em um circuito para medição das correntes I1 e I2 como indicado na figura abaixo. Considerando que as medidas foram I1 = 8 mA e I2 = 200 !$ \mu !$ A, os valores do ganho de corrente !$ \beta_{cc} !$ e o fator correção do transistor são respectivamente:
Provas
Analisando circuito lógico abaixo, é possível retirar a expressão equivalente de X, função de A, B e C. Utilizando a Álgebra de Boole, a função lógica deste circuito pode ser minimizada, obtendo como expressão simplificada:

Provas
Um multímetro foi utilizado para medir a tensão da rede elétrica (especificada com 110VAC) que se encontrava estável. Foram realizadas duas medições, uma com o equipamento configurado na escala DC e outra na escala AC. Os valores medidos nas escalas DC e AC foram aproximadamente e respectivamente iguais a:
Provas
O Wattímetro é o instrumento de medida de potência que pode ser utilizado tanto em circuitos CC como em circuitos CA. Internamente, o wattímetro é composto por:
Provas
Vinte e oito capacitores são ligados em série. Cada capacitor possui capacitância igual a C. Desse modo, a capacitância total desse circuito capacitivo é, em Faraday:
Provas
Caderno Container