Foram encontradas 60 questões.
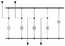
Considere as afirmativas a respeito do arranjo de uma subestação apresentado na figura abaixo:

I. A substituição de disjuntor se dá com desligamento da carga.
II. Caracteriza um esquema com barras principal e de transferência.
III. É o esquema com maior quantitativo de seccionadoras.
Está correto o que se afirma em
Provas
A respeito da isolação dos fios e cabos condutores, analise as afirmativas a seguir.
I. O condutor com isolação de EPR opera em regime de sobrecarga no máximo na temperatura de até 100 ºC.
II. O condutor com isolação de PVC opera em regime permanente em temperatura de até 90 ºC.
III. O condutor com isolação de XLPE opera em regime de sobrecarga em temperatura de até 130 ºC..
Está correto o que se afirma em
Provas
Um gerador de Corrente Contínua do tipo Shunt possui potência de 5 kW, 100 V de tensão e corrente de campo de 2,5 A.
A corrente de armadura e a resistência do circuito de campo são, respectivamente,
Provas
Um motor de indução trifásico de 6 polos e velocidade do campo magnético girante de 1600 rpm é alimentado por uma fonte de tensão senoidal.
A frequência dessa fonte é de
Provas
Uma fonte de tensão de 200 kVA, 1 kV e reatância de 10% alimenta um motor de potência 200 kVA, 1 kV e reatância de 0,4 p.u. por meio de uma linha de transmissão de reatância igual a j1,5 Ω. Foram escolhidas 1 kV e 200 kVA como bases.
Considerando que a tensão de linha nos terminais do motor no momento da falta é de 0,4 kV, a corrente de curto-circuito trifásica neste ponto é de
Provas
O lado primário de um banco de transformadores monofásicos na configuração estrela está conectado a um setor do sistema elétrico com 100\( \sqrt3 \) kV de tensão de fase e o lado secundário, na configuração delta, está conectado a um setor com 150 kV de tensão de linha.
Considerando que a tensão de base adotada no setor ligado ao primário é de 600 kV, a tensão em p.u. no setor conectado ao secundário do transformador é de
Provas
Um elétrico, composto por dois resistores em série de valores iguais a 10 Ω e 40 Ω, é alimentado por uma fonte de tensão senoidal de 100 V e frequência de 50 Hz. Substitui-se o resistor de 10 Ω por um indutor de modo a manter a corrente elétrica com o mesmo valor.
O valor do indutor é:
Provas
Um circuito é composto por um resistor em série com um indutor de indutância igual a (\( 100/\pi \)) mH. A fonte que alimenta esse circuito é senoidal na frequência de 40 Hz e possui valor eficaz de 160 V.
Para que a corrente elétrica seja igual a 16 A, o resistor deve ser igual a
Provas
Considere o circuito resistivo da figura abaixo.

Para que a diferença de potencial nos resistores de 10 Ω seja igual a 12,5 V, a resistência de R deve ter
Provas
No LibreOffice Impress, uma apresentação de slides pode ser gravada com diversas formatações, de acordo com a extensão de arquivo escolhida.
Assinale a extensão de arquivo usada como default pelo Impress.
Provas
Caderno Container