Foram encontradas 60 questões.
A figura a seguir apresenta um sistema de controle em diagrama de blocos.

Assinale a opção que apresenta a equação característica desse sistema.
Provas
Analise a figura a seguir.

A respeito da figura, analise as afirmativas a seguir.
I. O Circuito (1) é um circuito passa baixa e o Circuito (2) um passa alta.
II. O amplificador operacional do Circuito (1) está na configuração de amplificador não- inversor, amplificando o sinal V1 em 1+RB/RA.
III. O capacitor C2 é um circuito aberto para baixas frequências e um curto-circuito para altas frequências.
Está correto o que se apresenta em
Provas
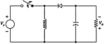
Analise o circuito a seguir.

A potência total solicitada da fonte é de
Provas
A figura a seguir apresenta a característica B x H de um dado material ferromagnético linearizada por partes.

Sabendo-se que a permeabilidade magnética do vácuo é \( 5\,\pi x 10^{-7} \) H/m, a permeabilidade relativa do material na região saturada da curva é de
Provas
Para um sistema de malha aberta, considere as afirmativas a seguir.
I. A adição de um zero na sua função de transferência provoca o deslocamento do lugar das raízes para a direita.
II. A adição de um polo na sua função de transferência diminui a estabilidade relativa e aumenta o tempo de acomodação do sistema.
III. A adição de um zero na sua função de transferência aumenta a estabilidade relativa e aumenta o tempo de acomodação do sistema.
Está correto o que se apresenta em
Provas
Um motor elétrico é alimentado de acordo com o esquema a seguir.
BATERIA\( \rightarrow \)CONVERSOR DC-DC\( \rightarrow \)INVERSOR DC-AC\( \rightarrow \)MOTOR
Sabendo-se que o menor ciclo de trabalho do conversor é igual a 0,6 e que o inversor opera com no mínimo 100 V, a bateria deve operar, no mínimo, com
Dado: Topologia do Conversor:

Provas
A figura a seguir mostra um transistor bipolar de junção com seu circuito de polarização. Considere a polarização no ponto Q, de acordo com a reta de carga apresentada na figura a seguir.

Sabendo que a tensão base-emissor do transistor é igual a 0,75 V, os valores dos resistores RB e RC, em kΩ, são, respectivamente, iguais a
Provas
Um circuito composto de uma resistência de 40 Ω em série com uma reatância, solicita uma potência ativa da fonte de 4000 W. Sabendo-se que a corrente elétrica que fluí por esse circuito possui uma defasagem da tensão de q, a potência aparente envolvida é de
Dado: \( \theta = tg^{-1} 0,75 \)
Provas
Uma bobina quadrada de 2 cm de lado composta por 40 espiras está posicionada perpendicularmente a um campo magnético uniforme de 2,5 T. Ela é retirada com um movimento de 0,2 s perpendicularmente ao campo, para uma região sem magnetismo. A tensão induzida na bobina neste processo, em volts, é igual a
Provas
A figura a seguir mostra um circuito resistivo alimentado por uma fonte CC.

Para que o resistor de 5 Ω do circuito seja submetido a uma ddp de 5 V, o resistor R deve ter uma resistência de
Provas
Caderno Container