Foram encontradas 60 questões.
Considerando as características dos dispositivos de proteção em instalações elétricas, o dispositivo conhecido por realizar a proteção das pessoas contra choques elétricos e contra riscos de incêndios é conhecido por .
Assinale a alternativa que preencha a lacuna corretamente.
Assinale a alternativa que preencha a lacuna corretamente.
Provas
Questão presente nas seguintes provas
Assinale a alternativa que preencha corretamente a lacuna. Quando se aborda a escala integração de circuitos digitais o termo LSI (Large Scale Integration) corresponde ao Circuito Integrado que contém portas ou funções lógicas.
Provas
Questão presente nas seguintes provas
Avalie o circuito.

Dados: Diodos IFMáx = 5,0 A / VRMáx = 1.000 V / VE = 220 Vac
Com base no circuito, assinale a alternativa que apresenta a máxima potência contínua que pode ser extraída da ponte.
Provas
Questão presente nas seguintes provas
Analise as afirmativas abaixo e dê valores Verdadeiro (V) ou Falso (F). O tema raiz são os circuitos retificadores AC-DC.
( ) O fator de transformação dos circuitos retificadores é a relação entre a potência do transformador e a potência média na carga.
( ) O fator de transformação de uma fonte de alimentação de um retificador de meia onda vale 1 ½ .
( ) No circuito retificador de onda completa em ponte a polaridade da tensão do secundário do transformador é inversa à polaridade da tensão do primário.
Assinale a alternativa que apresenta a sequência correta de cima para baixo.
( ) O fator de transformação dos circuitos retificadores é a relação entre a potência do transformador e a potência média na carga.
( ) O fator de transformação de uma fonte de alimentação de um retificador de meia onda vale 1 ½ .
( ) No circuito retificador de onda completa em ponte a polaridade da tensão do secundário do transformador é inversa à polaridade da tensão do primário.
Assinale a alternativa que apresenta a sequência correta de cima para baixo.
Provas
Questão presente nas seguintes provas
A Figura a seguir apresenta um transformador ideal composto por um único enrolamento primário, sendo o mesmo especificado para operar com tensão de 110 V. Possui também um único enrolamento secundário que fornece 12 V com capacidade de corrente de 0,6 A.

Com base no apresentado a corrente no primário na condição de máxima potência assinale a alternativa correta.

Com base no apresentado a corrente no primário na condição de máxima potência assinale a alternativa correta.
Provas
Questão presente nas seguintes provas
Dado o circuito a seguir, utilize a Lei de Kirchhoff de tensões para calcular os valores V1 e V2. Assinale a alternativa que corresponda corretamente ao solicitado.


Provas
Questão presente nas seguintes provas
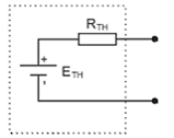
Considere a análise de circuitos pelo Teorema de Thévenin e analise as afirmativas abaixo e dê valores Verdadeiro (V) ou Falso (F).

Figura – Circuito Equivalente de Thévenin
( ) Qualquer circuito linear com dois terminais pode ser substituído por um circuito equivalente, contendo uma fonte de tensão e um resistor em série. O circuito da figura com seus dois terminais de saída, pode ser substituído por um gerador de tensão ETH, em série com uma resistência RTH.
( ) O Gerador Equivalente de Thévenin ETH é igual à tensão em curto-circuito entre os dois terminais do circuito. A orientação (polaridade) de ETH depende da polaridade dos terminais.
( ) A Resistência Equivalente de Thévenin RTH é igual à resistência equivalente entre os dois terminais do circuito, quando considerarmos os geradores de tensão em curto-circuito e os geradores de corrente em aberto.
A alternativa que apresenta a sequência correta de cima para baixo.

Figura – Circuito Equivalente de Thévenin
( ) Qualquer circuito linear com dois terminais pode ser substituído por um circuito equivalente, contendo uma fonte de tensão e um resistor em série. O circuito da figura com seus dois terminais de saída, pode ser substituído por um gerador de tensão ETH, em série com uma resistência RTH.
( ) O Gerador Equivalente de Thévenin ETH é igual à tensão em curto-circuito entre os dois terminais do circuito. A orientação (polaridade) de ETH depende da polaridade dos terminais.
( ) A Resistência Equivalente de Thévenin RTH é igual à resistência equivalente entre os dois terminais do circuito, quando considerarmos os geradores de tensão em curto-circuito e os geradores de corrente em aberto.
A alternativa que apresenta a sequência correta de cima para baixo.
Provas
Questão presente nas seguintes provas
Sobre o Teorema de Norton para resolução de circuitos, analise as afirmativas abaixo e dê valores Verdadeiro (V) ou Falso (F).
( ) Dado um circuito contendo somente bipolos lineares, sejam A e B dois pontos quaisquer do circuito, podemos substituir esse circuito por um gerador de corrente em paralelo com uma resistência.
( ) O Gerador Equivalente de Norton IN: é igual à corrente no curto-circuito entre A e B. A orientação de IN dependerá do sentido da corrente no curto-circuito entre A e B.
( ) A Resistência Equivalente de Norton RN: é igual à resistência equivalente vista entre os pontos A e B, quando consideramos os geradores de tensão em curto-circuito e os geradores de corrente em aberto.
( ) A Resistência equivalente calculada por pelo método de Norton e a Resistência equivalente calculada pelo método de Thévenin, neste cenário não serão iguais.
Assinale a alternativa que apresenta a sequência correta de cima para baixo.
( ) Dado um circuito contendo somente bipolos lineares, sejam A e B dois pontos quaisquer do circuito, podemos substituir esse circuito por um gerador de corrente em paralelo com uma resistência.
( ) O Gerador Equivalente de Norton IN: é igual à corrente no curto-circuito entre A e B. A orientação de IN dependerá do sentido da corrente no curto-circuito entre A e B.
( ) A Resistência Equivalente de Norton RN: é igual à resistência equivalente vista entre os pontos A e B, quando consideramos os geradores de tensão em curto-circuito e os geradores de corrente em aberto.
( ) A Resistência equivalente calculada por pelo método de Norton e a Resistência equivalente calculada pelo método de Thévenin, neste cenário não serão iguais.
Assinale a alternativa que apresenta a sequência correta de cima para baixo.
Provas
Questão presente nas seguintes provas
Considere a figura para responder á questão.

Observação: Considerar nula a Resistência Interna das Fontes de Alimentação
Provas
Questão presente nas seguintes provas
Considere a figura para responder á questão.

Observação: Considerar nula a Resistência Interna das Fontes de Alimentação
Provas
Questão presente nas seguintes provas
Cadernos
Caderno Container