Foram encontradas 35 questões.
Identifique se são verdadeiras (V) ou falsas (F) as afirmativas com relação aos transistores de efeito de campo.
( ) O MOSFET tipo reforço, também conhecido por intensificação ou enriquecimento, de canal P, na região de saturação, apresenta uma relação quadrática entre a corrente de dreno e a tensão porta-fonte quando esta é negativa.
( ) A inversão da conexão dos terminais dreno e fonte do transistor JFET em um circuito amplificador não altera o desempenho do circuito. ( ) O transistor MOSFET tipo depleção de canal P apresenta corrente de dreno apenas quando a tensão porta-fonte é maior que zero. Assinale a alternativa que representa a sequência CORRETA, de cima para baixo.
Provas
Assinale a alternativa que preenche CORRETAMENTE as lacunas da afirmativa abaixo.
Em uma associação série e , a corrente é nula para uma excitação mista AC/DC não nula.
Provas
Qual das alternativas abaixo é incorreta:
Provas
Em um osciloscópio ajustado para 0,2V/DIV e 100μs/DIV, observou-se o sinal abaixo, cuja frequência e amplitude são

Provas
Quando se submete o sistema representado abaixo a uma diferença de potencial elétrico de 14V entre os pontos A e B, o resistor que dissipa maior potência é o de:

Provas
A corrente de carga para o circuito abaixo para as resistências de carga 0,1kΩ e 2kΩ é:

Provas
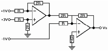
No circuito abaixo, o valor da tensão de saída Vs é

Provas
Observe o circuito da figura abaixo, assumindo que R = 1 kW.

Assinale a alternativa que completa CORRETAMENTE a afirmativa abaixo. A potência dissipada pelo resistor R é
Provas
Você dispõe de duas lâmpadas, uma de 25W – 125V e outra de 200W – 125V. Você liga essas lâmpadas, conectadas em série, a uma tomada de 125V, e observa que:
Provas
Um voltímetro, com uma escala de 50 V e uma sensibilidade de 20 kΩ/V, é usado para medir a tensão sobre um de dois resistores de 1 MΩ, conectados em série com uma fonte de tensão de 100 V. Quando o voltímetro for conectado a um dos resistores, a tensão medida será:
Provas
Caderno Container