Foram encontradas 105 questões.
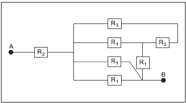
No circuito elétrico da figura, os vários elementos têm resistências !$ R_1 !$, !$ R_2 !$ e !$ R_3 !$ conforme indicado. Sabendo que !$ R_3 = R_1/2 !$, para que a resistência equivalente entre os pontos A e B da associação da figura seja igual a 2 !$ R_2 !$ a razão !$ r = R_2/R_1 !$ deve ser

Provas
Uma esfera de massa m e carga q está suspensa por um fio frágil e inextensível, feito de um material eletricamente isolante. A esfera se encontra entre as placas paralelas de um capacitor plano, como mostra a figura. A distância entre as placas é d, a diferença de potencial entre as mesmas é V e esforço máximo que o fio pode suportar é igual ao quádruplo do peso da esfera. Para que a esfera permaneça imóvel, em equilíbrio estável, é necessário que
Provas
Um pequeno barco de massa igual a 60 kg tem o formato de uma caixa de base retangular cujo comprimento é 2,0 m e a largura 0,80 m. A profundidade do barco é de 0,23 m. Posto para flutuar em uma lagoa, com um tripulante de 1078 N e um lastro, observa-se o nível da água a 20 cm acima do fundo do barco. O valor que melhor representa a massa do lastro em kg é
Provas
Um centímetro cúbico de água passa a ocupar 1671 !$ cm^3 !$ quando evaporado à pressão de 1,0 atm. O calor de vaporização a essa pressão é de 539 cal/g. O valor que mais se aproxima do aumento de energia interna da água é
Provas
No sistema convencional de tração de bicicletas, o ciclista impele os pedais, cujo eixo movimenta a roda dentada (coroa) a ele solidária. Esta, por sua vez, aciona a corrente responsável pela transmissão do movimento a outra roda dentada (catraca), acoplada ao eixo traseiro da bicicleta. Considere agora um sistema duplo de tração, com 2 coroas, de raios R1 e R2 (R1 < R2) e 2 catracas R3 e R4 (R3 < R4 ), respectivamente. Obviamente, a corrente só toca uma coroa e uma catraca de cada vez, conforme o comando da alavanca de câmbio. A combinação que permite máxima velocidade da bicicleta, para uma velocidade angular dos pedais fixa, é
Provas
Um diapasão de freqüência 400Hz é afastado de um observador, em direção a uma parede plana, com velocidade de 1,7 m/s. São nominadas: f1, a freqüência aparente das ondas não-refletidas, vindas diretamente até o observador; f2, freqüência aparente das ondas sonoras que alcançam o observador depois de refletidas pela parede e f3, a freqüência dos batimentos.
Sabendo que a velocidade do som é de 340 m/s, os valores que melhor expressam as frequências em hertz de f1, f2 e f3, respectivamente,são
Provas
Para medir a febre de pacientes, um estudante de medicina criou sua própria escala linear de temperaturas. Nessa nova escala, os valores de 0 (zero) e 10 (dez) correspondem respectivamente a 37°C e 40°C. A temperatura de mesmo valor numérico em ambas escalas é aproximadamente
Provas
Uma partícula move-se ao longo de uma circunferência circunscrita em um quadrado de lado L com velocidade angular constante. Na circunferência inscrita nesse mesmo quadrado, outra partícula move-se com a mesma velocidade angular. A razão entre os módulos das respectivas velocidades tangenciais dessas partículas é
Provas
Um capacitor plano é formado por duas placas paralelas, separadas entre si de uma distância 2 a, gerando em seu interior um campo elétrico uniforme E. O capacitor está rigidamente fixado em um carrinho que se encontra inicialmente em repouso. Na face interna de uma das placas encontra-se uma partícula de massa m e carga q presa por um fio curto e inextensível. Considere que não haja atritos e outras resistências a qualquer movimento e que seja M a massa do conjunto capacitor mais carrinho. Por simplicidade, considere ainda a inexistência da ação da gravidade sobre a partícula. O fio é rompido subitamente e a partícula move-se em direção à outra placa. A velocidade da partícula no momento do impacto resultante, vista por um observador fixo ao solo, é

Provas
Considere as seguintes afirmações:
I. Se um espelho plano transladar de uma distância d ao longo da direção perpendicular a seu plano, a imagem real de um objeto fixo transladará de 2 d.
II. Se um espelho plano girar de um ângulo !$ \alpha !$ em torno de um eixo fixo perpendicular à direção de incidência da luz, o raio refletido girará de um ângulo 2 !$ \alpha !$.
III. Para que uma pessoa de altura h possa observar seu corpo inteiro em um espelho plano, a altura deste deve ser de no mínimo 2 h/ 3.
Então, podemos dizer que
Provas
Caderno Container