Foram encontradas 240 questões.

A constante de tempo de um circuito RL de primeira ordem e sem fontes independentes é definida como o intervalo de tempo necessário para que a corrente sobre o indutor decaia a um valor igual a 1/e (o que equivale aproximadamente a 0,368) de seu valor inicial. Considere o circuito RL de primeira ordem e sem fontes independentes mostrado ao lado.
Levando em consideração a definição acima, é correto afirmar que a constante de tempo do circuito RL tem valor igual a:
Provas
Questão presente nas seguintes provas

No circuito elétrico mostrado acima fonte de tensão fornece ao circuito uma tensão \( v_i (t) \) de forma de onda senoidal dada por \( v_i (t) =10sen(377t) \) e as condições iniciais são nulas. Levando em consideração os dados apresentados, a queda de tensão sobre o capacitor, \( v_C (t) \) , indicada no circuito, tem uma forma de onda em regime permanente (ou estacionário) senoidal igual a:
Provas
Questão presente nas seguintes provas

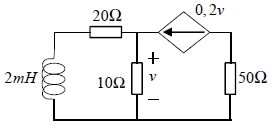
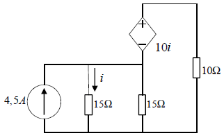
Considere o circuito elétrico mostrado acima.
A corrente \( i \) (indicada no circuito elétrico) que controla a fonte de tensão controlada por corrente, tem valor igual a:
Provas
Questão presente nas seguintes provas
Uma fonte de tensão de impedância interna igual a (80 + j60) \( \Omega \) alimenta uma carga de condutância fixa igual a 8 mS e susceptância variável. Levando em consideração os dados apresentados, é transferida a potência média máxima à carga quando a susceptância da carga for igual a:
Provas
Questão presente nas seguintes provas
Considere os dois circuitos elétricos mostrados ao lado.
Observe que ambos os circuitos possuem três terminais em aberto, identificados pelas letras A, B e C.

Os dois circuitos elétricos mostrados acima são equivalentes se:
Provas
Questão presente nas seguintes provas
Uma bateria ideal (de resistência interna desprezível) de 12 V alimenta um circuito elétrico composto por quatro resistores de resistências desconhecidas. Por meio de um wattímetro, mede-se a potência absorvida por cada resistor e obtêm-se os seguintes valores: 0,6 W, 1,2 W, 2,3 W e 3,1 W. Levando em consideração os dados apresentados, é correto afirmar que a corrente elétrica que circula pela bateria é igual a:
Provas
Questão presente nas seguintes provas
Em um circuito elétrico, composto por uma bateria ideal (de resistência interna desprezível) de 24 V e três resistores cujas resistências valem \( 2\Omega \), \( 15\Omega \) e \( 30\Omega \), verifica-se que a potência fornecida pela bateria é de 48 W. Levando em consideração os dados apresentados, assinale a alternativa correta.
Provas
Questão presente nas seguintes provas
Dada a chuva efetiva e o escoamento simulado pela hidrógrafa unitária:
Provas
Questão presente nas seguintes provas
O hidrograma de projeto:
Provas
Questão presente nas seguintes provas
Um reservatório de controle de cheias:
Provas
Questão presente nas seguintes provas
Cadernos
Caderno Container