Foram encontradas 50 questões.
Em um apartamento residencial, a soma das potências atribuídas às tomadas de uso geral é de 3700 VA, a soma das tomadas de uso específico é de 16200 W e a soma dos pontos previstos para iluminação é de 2800 VA. A corrente adotada para dimensionar o cabo de alimentação é de aproximadamente 85,45 A. Sabe-se ainda que a alimentação é bifásica em um sistema 220/127 V. De posse desses dados, é correto afirmar que o fator de demanda utilizado nesse projeto é de:
Provas
A norma NBR 5410 estabelece as condições mínimas que devem ser adotadas para se determinar a quantidade, localização e potência para pontos de luz e tomadas nos diversos tipos de edificações. Relativamente a essas condições, considere as afirmativas a seguir:
1. Para recintos com área superior a 6 m², atribuir no mínimo 100 VA para os primeiros 6 m², acrescidos de 60 VA para cada aumento de 4 m² inteiros.
2. Em salas e dormitórios, deve-se estabelecer um ponto de tomada a cada 5 m ou fração de perímetro.
3. Em cozinhas e banheiros, as tomadas devem ser consideradas de 600 VA, independentemente da quantidade de tomadas estipuladas.
Assinale a alternativa correta.
Provas
Tem-se um transformador com as seguintes características técnicas:
| 225 KVA | Queda de tensão percentual resistiva 1,4% |
| 13.800 V – 380/220 V | Queda de tensão percentual reativa 4,32% |
| Fator de carga 0,75 | regulação obtida de 2,71% |
| Fator de potência da carga 0,8 |
Com base nesses dados, identifique como verdadeiras (V) ou falsas (F) as seguintes afirmativas:
( ) A tensão no secundário será de aproximadamente 369,7 V.
( ) O rendimento desse transformador é de 0,75.
( ) É um transformador em ligação Y ou Δ no primário e Y no secundário.
( ) Regulação é a capacidade que alguns transformadores têm de fornecer o controle da tensão no secundário. Esse transformador permite regular de 0 até 2,71%.
Assinale a alternativa que apresenta a sequência correta, de cima para baixo.
Provas
Imagine que, por algum motivo, teve-se que utilizar uma composição de transformadores em série, sendo o primeiro com 100 espiras e o segundo com 200 espiras. Considerando que as perdas no primeiro transformador são de 5% e no segundo de 10%, ao se aplicar uma bateria de 12 Vcc nos terminais do primeiro transformador, a tensão no segundo transformador será de aproximadamente:
Provas
Em dimensionamento de transformadores, utilizamos uma fórmula para obter uma relação chamada de número de espiras por Volt. Essa fórmula pode ser assim escrita: N = 108 / 4,44 x A x B x C. Com relação a A, B e C, considere as seguintes afirmativas:
1. A deve assumir o valor da densidade do fluxo magnético, na unidade em Gauss.
2. C deve assumir o valor da seção magnética eficaz do núcleo, em cm².
3. B deverá assumir impedância do enrolamento do secundário quando estiver sem carga, dado em Ω.
Assinale a alternativa correta.
Provas
A potência necessária para um motor elétrico elevar uma carga de um poço de 40 m de profundidade, do fundo até o extremo superior, em um tempo de 27 s foi de 74 kgf x m/s. Assim, adotou-se um motor de potência de 1 CV. Necessitando-se fazer o mesmo trabalho em um tempo de 17 segundos, qual deverá ser a potência de motor mais próxima da adequada?
Provas
Existe no mercado uma grande quantidade de tipos de motores elétricos, e um dos fatores de escolha desses motores é a sua aplicação. Acerca do assunto, numere a coluna da direita, relacionando as aplicações sugeridas com os respectivos tipos de motor.
| 1. Motor trifásico de uma velocidade. | ( ) Máquina de esmeril. |
| 2. Motor monofásico Shaded-pole. | ( ) Elevador. |
| 3. Motor trifásico de alta rotação. | ( ) Ventilador. |
| 4. Motor monofásico capacitor permanente. | ( ) Máquina de serra circular. |
Assinale a alternativa que apresenta a numeração correta da coluna da direita, de cima para baixo.
Provas
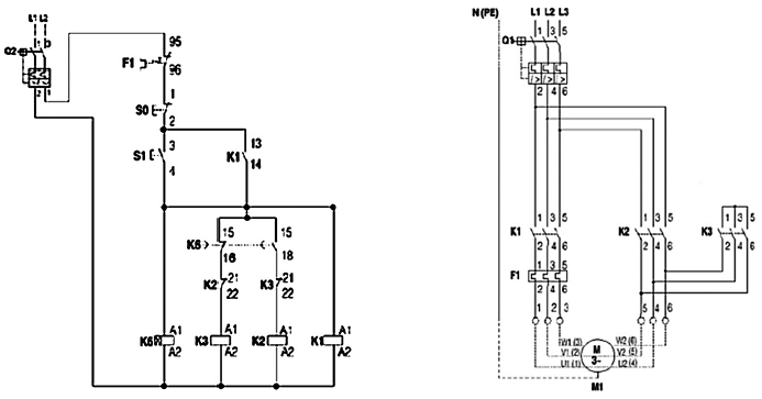
Considere os seguintes esquemas de comando e de força:

Sobre esses esquemas de comando e de força, considere as seguintes afirmativas:
1. Trata-se de um esquema de ligação de motor de indução de corrente alternada do tipo chave compensadora.
2. A corrente de partida é aproximadamente 1/3 da corrente nominal.
3. Trata-se de uma forma de partida exclusiva para motores de baixa rotação e que partem sem carga.
Assinale a alternativa correta.
Provas

Nos motores elétricos comerciais, existe uma placa com a identificação das características do motor. Um exemplo de placa está demonstrado na figura acima. Com os dados dessa placa, é correto afirmar que o valor aproximado da corrente de partida é:
Provas
A potência de um sistema trifásico é demonstrada através de um triângulo de potências. Com base no triângulo esquematizado abaixo, numere a coluna direita, relacionando as definições com os respectivos elementos.

| 1. A | ( ) Potência reativa. |
| 2. B | ( ) Potência Aparente. |
| 3. C | ( ) Potência Ativa. |
| 4. D | ( ) Fator de potência. |
Assinale a alternativa que apresenta a numeração correta da coluna da direita, de cima para baixo.
Provas
Caderno Container