Foram encontradas 50 questões.
Analise os itens a seguir. Para cálculo de iluminação de um ambiente, pode ser usado
I - o método da curva de distribuição luminosa.
II - o método de lúmens.
III - a eficiência luminosa.
IV - o método das cavidades zonais
V - o método do ponto por ponto.
Assinale a opção correta.
Provas
- Transformadores e Máquinas ElétricasMáquinas EstáticasTransformadores Trifásicos e Autotransformadores
Denomina-se auto-transformador um transformador cujos enrolamentos primário e secundário estão conectados em série. O auto-transformador apresenta algumas vantagens em relação ao transformador normal. Assinale a opção que NÃO apresenta uma dessas vantagens.
Provas
Um motor trifásico de 220VCA exige da rede 25A por fase, com Fator de Potência de 80%, em regime normal de funcionamento. Nesse caso, pode-se afirmar que a rede fornece ao motor uma potência de
Dado: tan 60º = \( \sqrt3=1,73 \)
Provas
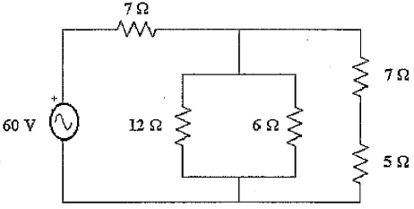
Observe o circuito abaixo.

Qual a potência total, em Watts, fornecida pela fonte de 60V do circuito da figura acima?
Provas
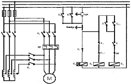
Observe o circuito de potência e controle abaixo

A finalidade desse sistema é a
Provas
Observe o diagrama de controle a seguir.

Quanto ao diagrama de controle acima, pode-se afirmar que a função do componente d1 é
Provas
Observe a figura abaixo.

Todo projeto de instalação elétrica requer a adoção de uma simbologia que represente os diversos materiais adotados. - Dentro de um mesmo projeto, deve-se sempre adotar uma única simbologia, a fim de evitar dúvidas e interpretações errôneas. Utilizando a simbologia gráfica normalizada pela ABNT (NBR - 5444) para projetos de instalações elétricas, assinale a opção que representa o símbolo gráfico acima apresentado.
Provas
A “linha telefônica fixa residencial . é alimentada por corrente elétrica contínua (CC), com tensão de 45 V, e funciona de forma independente da rede elétrica convencional, que é por corrente alternada (CA) e com tensão de 110 V. Devido a uma frequente falta de energia na linha convencional de sua casa, um estudante do ensino médio pensou em fazer um transformador elevador de tensão, para usar na luminária de sua mesa de estudo. Sua idéia é tirar energia da tomada do telefone (o que é proibido por lei) e usá-la em uma situação de emergência. Pode-se afirmar que o objetivo do estudante
Provas
Assinale a opção que apresenta os três tipos básicos de geradores de corrente contínua.
Provas
Analise a figura a seguir.

Na figura acima, observa-se um wattímetro ligado a um circuito, contendo um resistor “R”, uma fonte de tensão “V” e um wattímetro “W” com bobina de corrente “Bc” e bobina de potencial “Bp”. Da forma como se encontra ligado esse wattímetro, ele indicará a potência
Provas
Caderno Container