Foram encontradas 50 questões.
Assinale a opção que apresenta os parâmetros necessários para o cálculo da cilindrada de um motor.
Provas
Em mecânica é comum observar o uso do sistema métrico e do sistema inglês de medida. Assinale a opção que corresponde, em centímetros à medida 3 7/8".
Provas
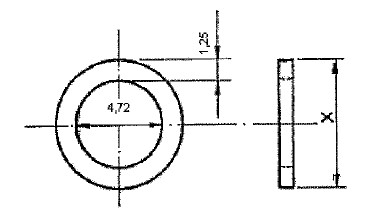
Observe a figura a seguir com as dimensões dadas em mm.

Qual o valor do diâmetro externo X, em mm, da arruela representada na figura acima?
Provas
Em um desenho mecânico de peças, usa-se hachuras quando se quer destacar
Provas
Assinale a opção que completa corretamente as lacunas da sentença abaixo.
O é a estrutura principal do motor, e suporta todos os esforços a que está submetido. Ele é feito de e pode ser de camisa .
Provas
Qual diedro é utilizado pelo o método europeu de projeção ortogonal adotado pela ABNT?
Provas
As válvulas de regulagem são definidas como as destinadas especificamente para controlar o fluxo de líquidos e gases. Assinale a opção que NÃO apresenta uma válvula de regulagem.
Provas
Qual tipo de conexão tem como finalidade fazer mudanças de diâmetro em tubulações?
Provas
Como se dividem os principais tipos de embreagens?
Provas
Os métodos de inspeção de tubulações empregados na prática, em ordem crescente de confiabilidade, são: visual,
Provas
Caderno Container