Foram encontradas 50 questões.
Em refrigeração, o ciclo com remoção de gás de Flash apresenta algumas vantagens e outras tantas desvantagens. Entre as primeiras (vantagens), para uma mesma capacidade frigorífica, pode ser citada a:
Provas
Choose the grammatically correct option.
Provas
Em uma instalação de fprepulsão a vapor, que processo termodinâmico ocorre no condensador?
Provas
O detector eletrônico é largamente usado na manufatura e montagem de equipamentos de refrigeração. A operação do instrumento depende da variação do fluxo de corrente resultante da ionização do refrigerante decomposto entre dois elétrodos de platina carregados. Esse instrumento pode ser usado para detectar:
Provas
Assinale a opção que apresenta o esquema de uma valvula hidráulica direcional de 4 vias e 3 posições, com centro fechado.
Provas
De acordo com MARPOL 73/78, após uma vistoria, para qual valor de arqueação bruta (igual ou superior) de petroleiro deverá ser emitido o Certificado Internacional de Prevenção da Poluição por Óleo (IOPP) ?
Provas
Observe a figura a seguir.

Pode-se afirmar que no diagrama de controle do Navio N/M BODE, apresentado acima, a válvula tipo 5/2 -NA em B/ Pilotagem dupla pneumática é a :
Provas
De acordo com a Lei de Segurança do Tráfico Aquaviário em Águas Brasileiras (LESTA), assinale a opção que NÃO é considerada agravante para a aplicação de penalidades.
Provas
De acordo com a MARPOL 73/78, o termo "Administração" é definido como
Provas
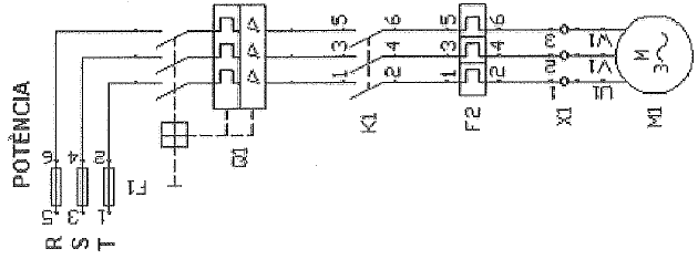
Observe a figura a seguir.

Um navio apresenta uma planta elétrica de força do motor do molinete, conforme diagrama acima. Sendo assim, pode-se afimar que
Provas
Caderno Container