Foram encontradas 50 questões.
Um gerador síncrono de 50Hz movido a diesel produz 50Hz quando opera a 300 rpm. Quantos polos esse gerador possui?
Provas
Observe o circuito a seguir.

Calcule a corrente e a resistência de Norton (IN e RN), respectivamente, do circuito acima, e assinale a opção correta.
Provas
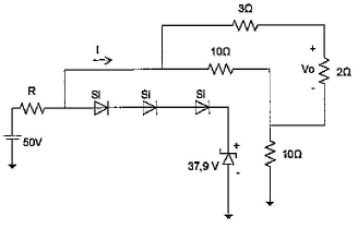
Analise o circuito a seguir.

Considere que Si representa um diodo de Silício. Com relação ao circuito acima, calcule a tensão Vo e assinale a opção correta.
Provas
Analise a figura a seguir.

Na figura acima, que códigos binários devem ser selecionados no MUX e DEMUX, respectivamente, para que se coloque a informação contida na entrada I2 do MUX na salda D1 do DEMUX?
Provas
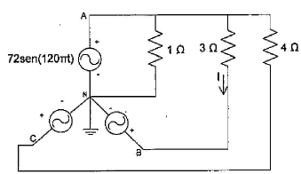
Observe a figura a seguir.

Com relação ao circuito acima, calcule a corrente |, onde o neutro permite ao usuário o acesso a dois valores de tensão, de fase e de linha, e assinale a opção correta.
Provas
Qual grupo de dispositivos lógicos é o mínimo necessário para construir um contador síncrono de módulo 64?
Provas
Analise o circuito a seguir.

Assinale a opção que apresenta a expressão lógica equivalente à função f (A, B, C, D, E) em função das entradas A, B, C, D e E no circuito acima.
Provas
Analise o circuito a seguir.

Calcule o valor da resistência equivalente entre os pontos A e B e a tensão de saída Vo do circuito acima, respectivamente, e assinale a opção correta.
Provas
Analise o circuito abaixo.

Com relação a esse circuito, calcule a resistência equivalente entre os pontos A e B e assinale a opção correta.
Provas
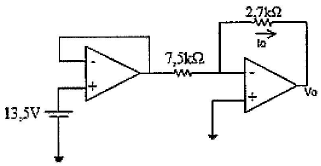
Analise o circuito a seguir.

Assinale a opção que identifica corretamente o tipo de circuito acima representado e a corrente de salda (Io), respectivamente.
Provas
Caderno Container