Foram encontradas 50 questões.
Analise a figura abaixo.

É correto afirmar que a figura acima representa um diagrama de:
Provas
Com relação aos amplificadores de potência transistorizados, é correto afirmar que:
Provas
Uma corrente elétrica alternada é representada por i(t) = -4cos(20!$ π !$t-60º)A, e uma tensão elétrica é representada por v(t) = 6sen(20!$ π !$t -150º)v.Para a relação de fase entre essas formas de ondas, é correto afirmar que:
Provas
Em sistema de modulação pulsada, há uma portadora trem de pulsos de frequência f0 que modula um sinal cuja máxima frequência são 500kHz. Sabendo que o Teorema da Amostragem rege o processo de modulação em sistemas pulsados, calcule a frequência fo que poderá ser utilizada e assinale a opção correta.
Provas
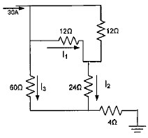
Analise o circuito abaixo.

Para o circuito resistivo apresentado na figura acima, é correto afirmar que as correntes l1, l2 e l3, são, - respectivamente:
Provas
Em um circuito que tem duas bobinas próximas entre si observa-se que a variação de corrente na primeira induz em uma variação de tensão na segunda. Sobre esse fenômeno, é correto afirmar que as bobinas têm indutância:
Provas
Qual método SIP tem como objetivo terminar uma sessão?
Provas
Observe o circuito abaixo.

A polarização do circuito transistorizado mostrado na figura acima, utilizando um transistor de junção bipolar com !$ β !$ = 100, faz com que a corrente de emissor seja aproximadamente:
Provas
Analise o circuito abaixo.

Para o circuito resistivo acima, as correntes através de R3 e R4 são, respectivamente:
Provas
Qual versão do padrão IEEE referente às LANs sem fio utiliza multiplexação OFDM, técnicas de comunicação MIMO e pode alcançar velocidades de 450Mbps?
Provas
Caderno Container