Foram encontradas 50 questões.
Um resistor com tolerância de 5% é submetido a uma tensão de 20 V. A corrente que passa por ele é de 6,2 mA e foi medida com um amperímetro. As cores dos anéis que representam o valor nominal desse resistor são:
Provas
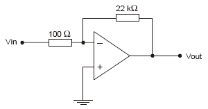
O ganho de tensão do amplificador abaixo vale

Provas
Em um CLP, o conteúdo dos endereços M01 e M02 são, respectivamente, AAH e 55H. Após a execução da operação bit a bit representada por (M03 ← M01 OR M02), o conteúdo do endereço M03 será
Provas
De acordo com a NR-6, Anexo I, há diversos tipos de calçado de segurança, mas NÃO é considerado EPI o calçado de segurança para proteção dos pés
Provas
A coluna I apresenta o trecho de um programa executado por um sistema microprocessado e a coluna II representa as ações realizadas por cada instrução.

Ao final da última instrução, o conteúdo do acumulador A será
Provas
No microprocessador, o parâmetro de saída que indica a tensão mínima considerada como nível alto é denominada
Provas
Em um manual de circuitos integrados digitais da família TTL, o dispositivo 74LS76 é apresentado como:
Dual Master-Slave J-K Flip-Flops with Preset, Clear and Complementary Outputs. Além disso, há uma nota referente ao símbolo do pulso de relógio que aparece na tabela de funções que informa: Positive pulse data. The J and K inputs must be held constant while the clock is high. Data is transfered to the outputs on the falling edge of the clock pulse.
A interpretação correta das informações fornecidas pelos textos em inglês é:
Provas
Atenção: As questões de números 14 a 20 baseiam-se no texto apresentado abaixo.

O segmento grifado que poderia ter sido corretamente empregado também no plural está em:
Provas
Atenção: As questões de números 14 a 20 baseiam-se no texto apresentado abaixo.

... fazer as pazes após uma briga.. (1o parágrafo)
O verbo que exige o mesmo tipo de complemento que o do grifado acima está na frase:
Provas
Atenção: As questões de números 14 a 20 baseiam-se no texto apresentado abaixo.

O segmento do texto corretamente transcrito em outras palavras, conservando, porém, o sentido original, é:
Provas
Caderno Container