Foram encontradas 55 questões.
Texto para responder às questões de 01 a 15.
Muribeca
Lixo? Lixo serve pra tudo. A gente encontra a mobília da casa, cadeira pra pôr uns pregos e ajeitar, sentar. Lixo pra poder ter sofá, costurado, cama, colchão.Até televisão.
É a vida da gente o lixão. E por que é que agora querem tirar ele da gente? O que é que eu vou dizer pras crianças? Que não tem mais brinquedo? Que acabou o calçado? Que não tem mais história, livro, desenho?
E o meu marido, o que vai fazer? Nada? Como ele vai viver sem as garrafas, sem as latas, sem as caixas? Vai perambular pela rua, roubar pra comer?
E o que eu vou cozinhar agora? Onde vou procurar tomate, alho, cebola? Com que dinheiro vou fazer sopa, vou fazer caldo, vou inventar farofa?
Fale, fale. Explique o que é que a gente vai fazer da vida? O que a gente vai fazer da vida? Não pense que é fácil. Nem remédio pra dor de cabeça eu tenho. Como vou me curar quando me der uma dor no estômago, uma coceira [...]? Vá, me fale, me diga, me aconselhe. Onde vou encontrar tanto remédio bom? E esparadrapo e band-aid e seringa?
O povo do governo devia pensar três vezes antes de fazer isso com chefe de família. Vai ver que eles tão de olho [...] aqui. Nesse terreno. Vai ver que eles perderam alguma coisa. É. Se perderam, a gente acha. A gente cata. A gente encontra. Até bilhete de loteria, lembro, teve gente que achou. Vai ver que é isso, coisa da Caixa Econômica . Vai ver que é isso, descobriram que lixo dá lucro, que pode dar sorte, que é luxo, que lixo tem valor.
Por exemplo, onde a gente vai morar, é? Onde a gente vai morar? Aqueles barracos, tudo ali em volta do lixão, quem é que vai levantar? [...] Esse negócio de prometer casa que a gente não pode pagar é balela, é conversa pra boi morto. Eles jogam a gente é num esgoto. Pr'onde vão os coitados desses urubus? A cachorra, o cachorro?
[...] Isso tudo aqui é uma festa. Os meninos, as meninas naquele alvoroço, pulando em cima de arroz, feijão. Ajudando a escolher. A gente já conhece o que é bom de longe, só pela cara do caminhão. Tem uns que vêm direto de supermercado, açougue. Que dia na vida a gente vai conseguir carne tão barato? Bisteca, filé, chã-de-dentro – o moço tá servido? A moça?
Os motoristas já conhecem a gente. Têm uns que até guardam com eles a melhor parte. É coisa muito boa, desperdiçada. Tanto povo que compra o que não gasta – roupa nova, véu, grinalda. [...] Agora, o que deu na cabeça desse povo? A gente nunca deu trabalho. A gente não quer nada deles que não esteja aqui jogado, rasgado, atirado. A gente não quer outra coisa senão esse lixão pra viver. Esse lixão para morrer, ser enterrado. Pra criar os nossos filhos, ensinar o nosso ofício, dar de comer. Pra continuar na graça de Nosso Senhor Jesus Cristo. Não faltar brinquedo, comida, trabalho.
Não, eles nunca vão tirar a gente deste lixão. Tenho fé em Deus, com a ajuda de Deus eles nunca vão tirar a gente deste lixo. Eles dizem que sim, que vão. Mas não acredito. Eles nunca vão conseguir tirar a gente deste paraíso.
FREIRE, Marcelino .Angu de sangue. Cotia: teliê, 2000. p. 23-5.
Em “O que é QUE eu vou dizer pras crianças?”, o componente destacado é um(a):
Provas
Texto para responder às questões de 01 a 15.
Muribeca
Lixo? Lixo serve pra tudo. A gente encontra a mobília da casa, cadeira pra pôr uns pregos e ajeitar, sentar. Lixo pra poder ter sofá, costurado, cama, colchão.Até televisão.
É a vida da gente o lixão. E por que é que agora querem tirar ele da gente? O que é que eu vou dizer pras crianças? Que não tem mais brinquedo? Que acabou o calçado? Que não tem mais história, livro, desenho?
E o meu marido, o que vai fazer? Nada? Como ele vai viver sem as garrafas, sem as latas, sem as caixas? Vai perambular pela rua, roubar pra comer?
E o que eu vou cozinhar agora? Onde vou procurar tomate, alho, cebola? Com que dinheiro vou fazer sopa, vou fazer caldo, vou inventar farofa?
Fale, fale. Explique o que é que a gente vai fazer da vida? O que a gente vai fazer da vida? Não pense que é fácil. Nem remédio pra dor de cabeça eu tenho. Como vou me curar quando me der uma dor no estômago, uma coceira [...]? Vá, me fale, me diga, me aconselhe. Onde vou encontrar tanto remédio bom? E esparadrapo e band-aid e seringa?
O povo do governo devia pensar três vezes antes de fazer isso com chefe de família. Vai ver que eles tão de olho [...] aqui. Nesse terreno. Vai ver que eles perderam alguma coisa. É. Se perderam, a gente acha. A gente cata. A gente encontra. Até bilhete de loteria, lembro, teve gente que achou. Vai ver que é isso, coisa da Caixa Econômica . Vai ver que é isso, descobriram que lixo dá lucro, que pode dar sorte, que é luxo, que lixo tem valor.
Por exemplo, onde a gente vai morar, é? Onde a gente vai morar? Aqueles barracos, tudo ali em volta do lixão, quem é que vai levantar? [...] Esse negócio de prometer casa que a gente não pode pagar é balela, é conversa pra boi morto. Eles jogam a gente é num esgoto. Pr'onde vão os coitados desses urubus? A cachorra, o cachorro?
[...] Isso tudo aqui é uma festa. Os meninos, as meninas naquele alvoroço, pulando em cima de arroz, feijão. Ajudando a escolher. A gente já conhece o que é bom de longe, só pela cara do caminhão. Tem uns que vêm direto de supermercado, açougue. Que dia na vida a gente vai conseguir carne tão barato? Bisteca, filé, chã-de-dentro – o moço tá servido? A moça?
Os motoristas já conhecem a gente. Têm uns que até guardam com eles a melhor parte. É coisa muito boa, desperdiçada. Tanto povo que compra o que não gasta – roupa nova, véu, grinalda. [...] Agora, o que deu na cabeça desse povo? A gente nunca deu trabalho. A gente não quer nada deles que não esteja aqui jogado, rasgado, atirado. A gente não quer outra coisa senão esse lixão pra viver. Esse lixão para morrer, ser enterrado. Pra criar os nossos filhos, ensinar o nosso ofício, dar de comer. Pra continuar na graça de Nosso Senhor Jesus Cristo. Não faltar brinquedo, comida, trabalho.
Não, eles nunca vão tirar a gente deste lixão. Tenho fé em Deus, com a ajuda de Deus eles nunca vão tirar a gente deste lixo. Eles dizem que sim, que vão. Mas não acredito. Eles nunca vão conseguir tirar a gente deste paraíso.
FREIRE, Marcelino .Angu de sangue. Cotia: teliê, 2000. p. 23-5.
Sobre os elementos destacados do fragmento “O povo do governo devia pensar três vezes antes de fazer isso com chefe de família.”, leia as afirmativas.
I. O verbo “dever” como auxiliar da expressão DEVIA PENSAR está no futuro do pretérito do modo indicativo.
II. ISSO é objeto direto da oração a que pertence.
III. DE FAMÍLIA é uma locução adjetiva.
Está correto apenas o que se afirma em:
Provas
Texto para responder às questões de 01 a 15.
Muribeca
Lixo? Lixo serve pra tudo. A gente encontra a mobília da casa, cadeira pra pôr uns pregos e ajeitar, sentar. Lixo pra poder ter sofá, costurado, cama, colchão. Até televisão.
É a vida da gente o lixão. E por que é que agora querem tirar ele da gente? O que é que eu vou dizer pras crianças? Que não tem mais brinquedo? Que acabou o calçado? Que não tem mais história, livro, desenho?
E o meu marido, o que vai fazer? Nada? Como ele vai viver sem as garrafas, sem as latas, sem as caixas? Vai perambular pela rua, roubar pra comer? E o que eu vou cozinhar agora? Onde vou procurar tomate, alho, cebola? Com que dinheiro vou fazer sopa, vou fazer caldo, vou inventar farofa?
Fale, fale. Explique o que é que a gente vai fazer da vida? O que a gente vai fazer da vida? Não pense que é fácil. Nem remédio pra dor de cabeça eu tenho. Como vou me curar quando me der uma dor no estômago, uma coceira [...]? Vá, me fale, me diga, me aconselhe. Onde vou encontrar tanto remédio bom? E esparadrapo e band-aid e seringa?
O povo do governo devia pensar três vezes antes de fazer isso com chefe de família. Vai ver que eles tão de olho [...] aqui. Nesse terreno. Vai ver que eles perderam alguma coisa. É. Se perderam, a gente acha. A gente cata. A gente encontra. Até bilhete de loteria, lembro, teve gente que achou. Vai ver que é isso, coisa da Caixa Econômica. Vai ver que é isso, descobriram que lixo dá lucro, que pode dar sorte, que é luxo, que lixo tem valor.
Por exemplo, onde a gente vai morar, é? Onde a gente vai morar? Aqueles barracos, tudo ali em volta do lixão, quem é que vai levantar? [...] Esse negócio de prometer casa que a gente não pode pagar é balela, é conversa pra boi morto. Eles jogam a gente é num esgoto. Pr'onde vão os coitados desses urubus? A cachorra, o cachorro?
[...] Isso tudo aqui é uma festa. Os meninos, as meninas naquele alvoroço, pulando em cima de arroz, feijão. Ajudando a escolher. A gente já conhece o que é bom de longe, só pela cara do caminhão. Tem uns que vêm direto de supermercado, açougue. Que dia na vida a gente vai conseguir carne tão barato? Bisteca, filé, chã-de-dentro – o moço tá servido? A moça?
Os motoristas já conhecem a gente. Têm uns que até guardam com eles a melhor parte. É coisa muito boa, desperdiçada. Tanto povo que compra o que não gasta – roupa nova, véu, grinalda. [...]
Agora, o que deu na cabeça desse povo? A gente nunca deu trabalho. A gente não quer nada deles que não esteja aqui jogado, rasgado, atirado. A gente não quer outra coisa senão esse lixão pra viver. Esse lixão para morrer, ser enterrado. Pra criar os nossos filhos, ensinar o nosso ofício, dar de comer. Pra continuar na graça de Nosso Senhor Jesus Cristo. Não faltar brinquedo, comida, trabalho.
Não, eles nunca vão tirar a gente deste lixão. Tenho fé em Deus, com a ajuda de Deus eles nunca vão tirar a gente deste lixo. Eles dizem que sim, que vão. Mas não acredito. Eles nunca vão conseguir tirar a gente deste paraíso.
FREIRE, Marcelino. Angu de sangue. Cotia:Ateliê, 2000. p. 23-5.
De acordo com os estudos de regência verbal e com o padrão culto da língua, o verbo destacado em “TENHO fé em Deus.” é:
Provas
Texto para responder às questões de 01 a 15.
Muribeca
Lixo? Lixo serve pra tudo. A gente encontra a mobília da casa, cadeira pra pôr uns pregos e ajeitar, sentar. Lixo pra poder ter sofá, costurado, cama, colchão. Até televisão.
É a vida da gente o lixão. E por que é que agora querem tirar ele da gente? O que é que eu vou dizer pras crianças? Que não tem mais brinquedo? Que acabou o calçado? Que não tem mais história, livro, desenho?
E o meu marido, o que vai fazer? Nada? Como ele vai viver sem as garrafas, sem as latas, sem as caixas? Vai perambular pela rua, roubar pra comer? E o que eu vou cozinhar agora? Onde vou procurar tomate, alho, cebola? Com que dinheiro vou fazer sopa, vou fazer caldo, vou inventar farofa?
Fale, fale. Explique o que é que a gente vai fazer da vida? O que a gente vai fazer da vida? Não pense que é fácil. Nem remédio pra dor de cabeça eu tenho. Como vou me curar quando me der uma dor no estômago, uma coceira [...]? Vá, me fale, me diga, me aconselhe. Onde vou encontrar tanto remédio bom? E esparadrapo e band-aid e seringa?
O povo do governo devia pensar três vezes antes de fazer isso com chefe de família. Vai ver que eles tão de olho [...] aqui. Nesse terreno. Vai ver que eles perderam alguma coisa. É. Se perderam, a gente acha. A gente cata. A gente encontra. Até bilhete de loteria, lembro, teve gente que achou. Vai ver que é isso, coisa da Caixa Econômica. Vai ver que é isso, descobriram que lixo dá lucro, que pode dar sorte, que é luxo, que lixo tem valor.
Por exemplo, onde a gente vai morar, é? Onde a gente vai morar? Aqueles barracos, tudo ali em volta do lixão, quem é que vai levantar? [...] Esse negócio de prometer casa que a gente não pode pagar é balela, é conversa pra boi morto. Eles jogam a gente é num esgoto. Pr'onde vão os coitados desses urubus? A cachorra, o cachorro?
[...] Isso tudo aqui é uma festa. Os meninos, as meninas naquele alvoroço, pulando em cima de arroz, feijão. Ajudando a escolher. A gente já conhece o que é bom de longe, só pela cara do caminhão. Tem uns que vêm direto de supermercado, açougue. Que dia na vida a gente vai conseguir carne tão barato? Bisteca, filé, chã-de-dentro – o moço tá servido? A moça?
Os motoristas já conhecem a gente. Têm uns que até guardam com eles a melhor parte. É coisa muito boa, desperdiçada. Tanto povo que compra o que não gasta – roupa nova, véu, grinalda. [...]
Agora, o que deu na cabeça desse povo? A gente nunca deu trabalho. A gente não quer nada deles que não esteja aqui jogado, rasgado, atirado. A gente não quer outra coisa senão esse lixão pra viver. Esse lixão para morrer, ser enterrado. Pra criar os nossos filhos, ensinar o nosso ofício, dar de comer. Pra continuar na graça de Nosso Senhor Jesus Cristo. Não faltar brinquedo, comida, trabalho.
Não, eles nunca vão tirar a gente deste lixão. Tenho fé em Deus, com a ajuda de Deus eles nunca vão tirar a gente deste lixo. Eles dizem que sim, que vão. Mas não acredito. Eles nunca vão conseguir tirar a gente deste paraíso.
FREIRE, Marcelino. Angu de sangue. Cotia:Ateliê, 2000. p. 23-5.
As frases de um texto são organizadas em relações semânticas.
No caso da frase “Como vou me curar QUANDO ME DER UMA DOR NO ESTÔMAGO, UMA COCEIRA [...]?”, a oração em destaque apresenta a seguinte relação:
Provas
Texto para responder às questões de 01 a 15.
Muribeca
Lixo? Lixo serve pra tudo. A gente encontra a mobília da casa, cadeira pra pôr uns pregos e ajeitar, sentar. Lixo pra poder ter sofá, costurado, cama, colchão. Até televisão.
É a vida da gente o lixão. E por que é que agora querem tirar ele da gente? O que é que eu vou dizer pras crianças? Que não tem mais brinquedo? Que acabou o calçado? Que não tem mais história, livro, desenho?
E o meu marido, o que vai fazer? Nada? Como ele vai viver sem as garrafas, sem as latas, sem as caixas? Vai perambular pela rua, roubar pra comer? E o que eu vou cozinhar agora? Onde vou procurar tomate, alho, cebola? Com que dinheiro vou fazer sopa, vou fazer caldo, vou inventar farofa?
Fale, fale. Explique o que é que a gente vai fazer da vida? O que a gente vai fazer da vida? Não pense que é fácil. Nem remédio pra dor de cabeça eu tenho. Como vou me curar quando me der uma dor no estômago, uma coceira [...]? Vá, me fale, me diga, me aconselhe. Onde vou encontrar tanto remédio bom? E esparadrapo e band-aid e seringa?
O povo do governo devia pensar três vezes antes de fazer isso com chefe de família. Vai ver que eles tão de olho [...] aqui. Nesse terreno. Vai ver que eles perderam alguma coisa. É. Se perderam, a gente acha. A gente cata. A gente encontra. Até bilhete de loteria, lembro, teve gente que achou. Vai ver que é isso, coisa da Caixa Econômica. Vai ver que é isso, descobriram que lixo dá lucro, que pode dar sorte, que é luxo, que lixo tem valor.
Por exemplo, onde a gente vai morar, é? Onde a gente vai morar? Aqueles barracos, tudo ali em volta do lixão, quem é que vai levantar? [...] Esse negócio de prometer casa que a gente não pode pagar é balela, é conversa pra boi morto. Eles jogam a gente é num esgoto. Pr'onde vão os coitados desses urubus? A cachorra, o cachorro?
[...] Isso tudo aqui é uma festa. Os meninos, as meninas naquele alvoroço, pulando em cima de arroz, feijão. Ajudando a escolher. A gente já conhece o que é bom de longe, só pela cara do caminhão. Tem uns que vêm direto de supermercado, açougue. Que dia na vida a gente vai conseguir carne tão barato? Bisteca, filé, chã-de-dentro – o moço tá servido? A moça?
Os motoristas já conhecem a gente. Têm uns que até guardam com eles a melhor parte. É coisa muito boa, desperdiçada. Tanto povo que compra o que não gasta – roupa nova, véu, grinalda. [...]
Agora, o que deu na cabeça desse povo? A gente nunca deu trabalho. A gente não quer nada deles que não esteja aqui jogado, rasgado, atirado. A gente não quer outra coisa senão esse lixão pra viver. Esse lixão para morrer, ser enterrado. Pra criar os nossos filhos, ensinar o nosso ofício, dar de comer. Pra continuar na graça de Nosso Senhor Jesus Cristo. Não faltar brinquedo, comida, trabalho.
Não, eles nunca vão tirar a gente deste lixão. Tenho fé em Deus, com a ajuda de Deus eles nunca vão tirar a gente deste lixo. Eles dizem que sim, que vão. Mas não acredito. Eles nunca vão conseguir tirar a gente deste paraíso.
FREIRE, Marcelino. Angu de sangue. Cotia:Ateliê, 2000. p. 23-5.
“A gente não quer outra coisa senão esse lixão pra viver. Esse lixão para morrer, ser enterrado. Pra criar os nossos filhos, ensinar o nosso ofício, dar de comer. Pra continuar na graça de Nosso Senhor Jesus Cristo. Não faltar brinquedo, comida, trabalho.”
A frase “Agente não quer outra coisa senão esse lixão pra viver. Esse lixão para morrer”, como efeito expressivo, mostra o(a):
Provas
O cabo “6 x 25 Filler + AACI ou 19 x 7, torção regular, EIPS, polido” é ideal para aplicação no(a):

Provas
Levando-se em consideração as engrenagens dos carros, pode-se identificar na figura, entre as alternativas a seguir, a marcha:

Fonte: Apostila de Elementos de Máquinas - IFES
Provas
Assinale a alternativa que, de modo correto, indique o rendimento de uma torre de arrefecimento (figura a seguir), conforme os seguintes parâmetros: temperatura da água ao entrar na torre é de 46° C, sua vazão é de 6,25 m /h e a pressão atmosférica é normal. O ar entra nas temperaturas BS = 35° C e BU = 25° C e deixa a torre na temperatura de 38° C, saturado. A temperatura da água ao sair da torre é de 29,2° C.
Dado:

Torre de Arrefecimento Fonte: Instalações de Ar Condicionado, Hélio Creder.
Provas
No diagrama a seguir, são mostradas as pressões e temperaturas para uma Válvula de Expansão Termostática - VET. Assinale a alternativa que indica a pressão de fechamento.

Fonte: Instalações de Ar Condicionado, Hélio Creder.
Provas
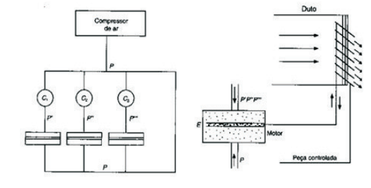
A figura, a seguir, é um esquema de controle pneumático. Assinale a alternativa que NÃO diz respeito a ela.

Fonte: Instalações de Ar Condicionado, Hélio Creder.
Provas
Caderno Container