Foram encontradas 70 questões.
Os tipos de esforços atuantes em uma chapa quando submetida entre os cilindros de um laminador e de uma calandra, respectivamente, são:
Provas
Considere o diagrama de corpo livre abaixo para responder a questão.

A seção crítica da viga é:
Provas
Considere o diagrama de corpo livre abaixo para responder a questão.

A reação na base simplesmente apoiada é, em N, igual a:
Provas
Um extintor de incêndio de CO2 é um tipo de:
Provas
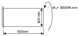
Observe a figura abaixo.

Considere o módulo de rigidez igual a 80000MPa. Qual o ângulo de torção, em radianos, formado no corpo cilíndrico?
Provas
Observe a figura abaixo.

Considere as forças F1 e F2, em N, respectivamente iguais a 2000 e 2400.
Qual a tensão normal, devido a esforço axial, em MPa, na seção transversal da parte B?
Provas
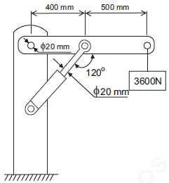
Observe a figura abaixo, que representa um guincho composto por uma coluna, uma lança, um atuador hidráulico e pinos nas articulações.

Qual a tensão de cisalhamento devido a esforço cortante, em MPa, no pino, entre a coluna e a lança?
Provas
Qual é o agregado que diminui a resistência de um concreto armado, mesmo quando é utilizada a melhor formulação de adição de cimento?
Provas
O endurecimento da pasta de cimento e água ocorre por:
Provas
São agentes químicos que provocam doenças ocupacionais:
Provas
Caderno Container