Foram encontradas 100 questões.
O sistema de aterramento onde o condutor neutro e o condutor terra são combinados em um único condutor, em todo o sistema, é definido pela NBR 5410 como
Provas
Ao acionar um motor de indução trifásico utilizando uma chave de partida compensadora no TAP de 65%, a redução percentual da corrente de partida, em relação à partida direta, é de, aproximadamente,
Provas
Um gerador CC com excitação composta curta, 50 kW, 250 V, apresenta resistência na armadura igual a 0,02 , resistência do campo série igual a 0,04 !$ Omega !$ e resistência do campo shunt igual a 129 !$ Omega !$. Considerando a queda total no contato das escovas igual a 2 V, o valor aproximado da tensão induzida na armadura para carga e tensão nominais é
Provas
Um ensaio a vazio foi realizado em um transformador de 25 kVA, 440/220 V, 60 hz. Os instrumentos de medição colocados no lado de baixa tensão forneceram os seguintes resultados: tensão = 220 V, potência = 440 W e corrente = 6 A. Quais são os valores, aproximadamente, dos parâmetros transversais do transformador referidos ao lado de alta tensão?
Provas
Considere um motor trifásico com as seguintes características: P=2 !$ sqrt{3} !$ CV, V = 220 V, I = 10 A, cos !$ phi !$ = 0,8. O rendimento (!$ eta !$ %) desse motor é, aproximadamente,
Provas
Um multímetro, que utiliza um mecanismo medidor de 20 mA, apresenta uma resistência de 2 k para a sua escala. O valor da escala desse multímetro é
Provas
A corrente que, ao percorrer um solenoide de 1 m de comprimento composto por 500 espiras, provoca uma densidade de fluxo magnético de 5x10-3 T (Tesla) na região central desse solenoide tem o valor de Dado: !$ mu !$0 = 4!$ pi !$.10-7 T.m/A
Provas
Em relação às conexões delta e estrela em sistemas trifásicos equilibrados, analise as afirmativas a seguir.
I – Na conexão delta, as tensões de fase são iguais às tensões de linha.
II – Na conexão estrela, a tensão de linha é igual à tensão de fase multiplicada por 3.
III – Na conexão delta, a corrente de linha é igual à corrente de fase dividida por 3 .
IV – Na conexão estrela, a corrente de linha é igual à corrente de fase.
Está correto APENAS o que se afirma em
Provas

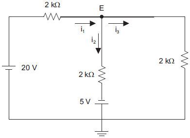
No circuito acima a corrente i3 e a tensão no nó E são, respectivamente,
Provas

A figura acima mostra um diagrama de força e comando, que corresponde a um método de partida
Provas
Caderno Container